Экструзионные сферические подшипники скольжения серии SAZJ оснащены корпусом штока из углеродистой стали с оцинкованным покрытием, обеспечивающим высокую коррозионную стойкость. Внутреннее кольцо изготовлено из подшипниковой стали, подвергнуто закалке и покрыто твердым хромом — это гарантирует высокую износостойкость и точность эксплуатации в длительном режиме. Экструзионная конструкция подшипника формирует компактную и надежную исполнение, соответствующее требованиям разнообразных промышленных применений.
Технические характеристики и области применения
Диапазон рабочих температур
От -50 °C до +150 °C, что обеспечивает стабильную работу при экстремальных температурах.
Метод смазки
Подшипники обеспечивают гибкие возможности смазки:
·Модели с отверстиями менее 6,35 мм не предусматривают смазку.
·Все остальные модели можно смазывать через масляную чашку или проушину на конце штока, что обеспечивает плавную и долговечную работу.
Параметры настройки
Для удовлетворения различных требований к точности могут использоваться резьбы разной точности.
Версия с левой резьбой
Для моделей с левой резьбой к номеру модели добавляется обозначение «L» или «LH», например: SALZJ12 1/2 20UNF 2ALH.
Варианты материала
Корпус штока и внутреннее кольцо могут изготавливаться из нержавеющей стали, что подходит для приложений с повышенными требованиями к коррозионной стойкости.
Такие варианты маркируются добавлением буквы «X» к номеру модели, например: SAZJ.../X.
Области применения
Сферические подшипники скольжения со штоком серии SAZJ широко используются в оборудовании, требующем высокой точности, жесткости и долговечности.
Они особенно эффективны в промышленных роботах, медицинском оборудовании, аэрокосмической промышленности и прецизионных инструментах.

| подшипник номер |
Размеры мм/дюйм |
Рейтинги нагрузки кН |
Вес ≈кг |
|||||||||||
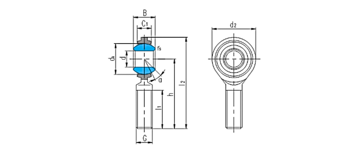
| d | B | dₖ | С₁ Макс |
d₂ | G UNF-2A |
h | I₁ мин |
I₂ | rₛ мин |
α° ≈ |
Динамический | Статический | ||
| SAZJ4 | 4.83 | 7.92 | 11.1 | 5.94 | 15.88 | 10-32 | 31.75 | 19.05 | 39.70 | 0.3 | 10 | 3.6 | 3.8 | 0.014 |
| 0.19 | 0.312 | 0.437 | 0.234 | 0.625 | 1.25 | 0.75 | 1.563 | 0.012 | ||||||
| SAZJ6 | 6.35 | 9.53 | 12.7 | 6.35 | 19.05 | 1/4-28 | 39.67 | 25.40 | 49.20 | 0.3 | 13.5 | 5.4 | 6.6 | 0.018 |
| 0.25 | 0.375 | 0.5 | 0.25 | 0.75 | 1.562 | 1 | 1.937 | 0.012 | ||||||
| SAZJ7 | 7.94 | 11.10 | 15.88 | 7.92 | 22.23 | 16/5–24 | 47.63 | 31.75 | 58.72 | 0.3 | 11 | 8.5 | 12 | 0.032 |
| 0.3125 | 0.437 | 0.625 | 0.312 | 0.875 | 1.875 | 1.25 | 2.312 | 0.012 | ||||||
| SAZJ9 | 9.53 | 12.70 | 18.26 | 9.12 | 25.40 | 8/3–24 | 49.23 | 31.75 | 61.93 | 0.6 | 11 | 11 | 16 | 0.050 |
| 0.375 | 0.5 | 0.719 | 0.359 | 1 | 1.938 | 1.25 | 2.438 | 0.024 | ||||||
| SAZJ11 | 11.11 | 14.27 | 20.62 | 10.31 | 28.58 | 16/7-20 | 53.98 | 34.93 | 68.28 | 0.6 | 10.5 | 14 | 21 | 0.068 |
| 0.4375 | 0.562 | 0.812 | 0.406 | 1.125 | 2.125 | 1.375 | 2.688 | 0.024 | ||||||
| SAZJ12 | 12.7 | 15.88 | 23.81 | 11.50 | 33.32 | 1/2-20 | 61.93 | 38.10 | 78.59 | 0.6 | 10 | 18 | 28 | 0.11 |
| 0.5 | 0.625 | 0.937 | 0.453 | 1.312 | 2.438 | 1.5 | 3.094 | 0.024 | ||||||
| SAZJ15 | 15.88 | 19.05 | 28.58 | 12.29 | 38.10 | 08.05-18 | 66.68 | 41.28 | 85.73 | 0.6 | 13 | 23 | 29 | 0.16 |
| 0.625 | 0.75 | 1.125 | 0.484 | 1.5 | 2.625 | 1.625 | 3.375 | 0.024 | ||||||
| SAZJ19 | 19.05 | 22.23 | 33.32 | 15.06 | 44.45 | 3/4-16 | 73.03 | 44.45 | 95.25 | 0.6 | 12 | 34 | 44 | 0.26 |
| 0.75 | 0.875 | 1.312 | 0.593 | 1.75 | 2.875 | 1.75 | 3.75 | 0.024 | ||||||
0+
годы
Опыт работы в отрасли
0+
Разнообразие моделей
0+
Количество сотрудников
0
$
Годовая стоимость экспорта
Период проведения: 8–11 июля 2024 г.Место проведения: Екатеринбург, РоссияНомер стенда: IS37Периодичность: ЕжегодноОрганизатор: Министерство промышленности и торговли Российской ФедерацииО выставкеМеж...
Применение подшипников в металлургической промышленностиОбласти применения подшипников в металлургической отрасли охватывают следующие ключевые направления:1.Прокатное оборудованиеПрокатное оборудован...
Двигатель является ядром промышленного оборудования, а подшипник качения — ключевым механическим компонентом, который воспринимает все нагрузки и напряжения, возникающие в процессе его работы. Диагнос...
Из надежных источников корреспонденту стало известно, что государственный план корректировки политики по возмещению экспортных налоговых сборов утвержден и, весьма вероятно, будет опубликован 1 октябр...