Подшипник поворотного стола YRTM с встроенной системой измерения угла: контроль углового смещения является критически важным в промышленности, особенно в станкостроении, где требуется высокая точность углового позиционирования обрабатываемых деталей. Это обуславливает необходимость точного измерения и мониторинга угловых отклонений.
Наиболее распространенными методами измерения углового смещения являются оптические и магнитные энкодеры. Установленный на подшипнике YRT, этот комбинированный узел обеспечивает исключительно высокую точность вращения и способен одновременно выдерживать осевые и радиальные нагрузки, а также опрокидывающие моменты.
Подшипник YRTM идеально подходит для высокоточных поворотных столов с ЧПУ, обрабатывающих центров и других требовательных сценариев, включая научные исследования и измерительные задачи в станкостроительной отрасли.
Преимущества системы измерения на стальной сетке:
1. Бесконтактный индуктивный энкодер, несущийся в эксплуатации
Использует бесконтактную индуктивную технологию, что исключает износ и обеспечивает долговечность.
2. Высокая точность, сопоставимая с оптическими энкодерами
Максимальная погрешность измерения составляет ≤2 угловых секунд, что соответствует характеристикам премиум-класса.
3. Двойная считывающая головка для реального времени коррекции
Система с двойной считывающей головкой корректирует радиальные отклонения подшипника в режиме реального времени, повышая стабильность и точность.
4. Высокая скорость и динамика, высокое разрешение
Имеет высокие динамические характеристики и высокое разрешение, что подходит для быстрых и точных производственных процессов.
5. Отсутствие магнитных компонентов и гистерезиса
Отсутствие магнитных элементов исключает реакцию гистерезиса и риск размагничивания, что повышает стабильность измерений.
6. Высокая устойчивость к внешним воздействиям
Имеет степень защиты IP67, выдерживает воздействие пыли и давление воды, нечувствителен к загрязнениям и грязи.
7. Компактная конструкция
Компактный дизайн решает проблему ограниченного пространства при монтаже в узких технологических зонах.
8. Гибкая совместимость с системами ЧПУ
Выпускает синусоидальные (1VPP) или прямоугольные (TTL) сигналы, совместимые с системами ЧПУ Siemens и FANUC.
Характеристики подшипника поворотного стола YRTM с системой измерения угла:
1. Бесконтактный индуктивный энкодер, несущийся в эксплуатации
Использует бесконтактную технологию, что исключает износ и обеспечивает долговечность.
2. Высокая точность, сопоставимая с оптическими энкодерами
Максимальная погрешность составляет <2 угловых секунд.
3. Система с двойными считывающими головками
Позволяет корректировать радиальные отклонения подшипника в режиме реального времени, повышая стабильность и точность.
4. Высокая скорость и динамика, высокое разрешение
Обеспечивает высокую производительность в динамических режимах.
5. Отсутствие магнитных компонентов
Исключает реакцию гистерезиса и риск размагничивания, что повышает стабильность измерений.
6. Высокая устойчивость к внешним воздействиям
Степень защиты IP67, выдерживает воздействие пыли, воды и масла, нечувствителен к загрязнениям и грязи.
7. Компактная конструкция
Решает проблему ограниченного пространства при монтаже.
8. Простота монтажа и регулировки
Обладает исключительной устойчивостью к ударам и вибрациям, обеспечивает высокую стабильность и надежность работы.
Приложения
Подшипник YRTM используется в высокоточных станках с ЧПУ, шпинделях станков, радарных системах, промышленных роботах, аэрокосмической технике и других отраслях, требующих высокой точности и надежности.

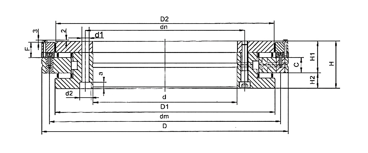
| Тип подшипника | Габаритные размеры | Крепежные отверстия | ||||||||||||||||
| d | D | H | H1 | H2 | C | D1 | D2 | F | L | dn | dm | Внутреннее кольцо | Внешнее кольцо | |||||
| Единица измерения: мм | d1 | d2 | a | КОЛ-ВО | d3 | КОЛ-ВО | ||||||||||||
| мм | мм | |||||||||||||||||
| YRTM150 | 150 | 240 | 43* | 29 * | 14 | 12 | 214 | 213.81 | 16.5 | 121 | 165 | 225 | 7 | 11 | 6.2 | 32 | 7 | 33 |
| YRTM180 | 180 | 280 | 46* | 32 * | 14 | 15 | 244 | 243.76 | 16.5 | 140 | 194 | 260 | 7 | 11 | 6.2 | 44 | 7 | 45 |
| YRTM200 | 200 | 300 | 47* | 32* | 15 | 15 | 274 | 273.05/274.42 | 16.5 | 152 | 215 | 285 | 7 | 11 | 6.2 | 44 | 7 | 45 |
| YRTM260 | 260 | 385 | 55 | 36.5 | 18.5 | 18 | 345 | 344,37/343,1 | 17.5 | 192.5 | 280 | 365 | 9.3 | 15 | 8.2 | 32 | 9.3 | 33 |
| YRTM325 | 325 | 450 | 60 | 40 | 20 | 20 | 415 | 413.76 | 18.5 | 225 | 342 | 430 | 9.3 | 15 | 8.2 | 32 | 9.3 | 33 |
| YRTM395 | 395 | 525 | 65 | 42.5 | 22.5 | 20 | 486 | 483.18 | 18.5 | 262.5 | 415 | 505 | 9.3 | 15 | 8.2 | 42 | 9.3 | 45 |
| YRTM460 | 460 | 600 | 70 | 46 | 24 | 22 | 560 | 557.03 | 18.5 | 300 | 482 | 580 | 10 | 15 | 8.2 | 42 | 10 | 45 |

| Винт соединение КОЛ-ВО |
Осевой радиальный исчерпание |
Монтажные отверстия для крепежных винтов | Подача т |
Затягивание винта (torque) | Базовая номинальная нагрузка | Ограниченная скорость | Фriction момент |
Вес | Фрикционный момент | ||||
| Осевой | Радиальный | ||||||||||||
| Динамическая | Статический | Динамическая | Статический | ||||||||||
| Ма | Сa | Сoa | Сr | Сor | Смазка | ||||||||
| мкм | Г | КОЛ-ВО | КОЛ-ВО Xt | Нм | КН | об/мин | Нм | ≈Кг | |||||
| 4 | 3 | М8 | 3 | 36×10° | 14 | 112 | 630 | 56 | 170 | 320 | 10 | 6.2 | YRTM150 |
| 4 | 4 | М8 | 3 | 48×7,5° | 14 | 118 | 710 | 69.5 | 200 | 280 | 12 | 7.7 | YRTM180 |
| 4 | 4 | М8 | 3 | 48×7,5° | 14 | 120 | 765 | 81.5 | 220 | 260 | 14 | 9.7 | YRTM200 |
| 4 | 6 | М12 | 3 | 36×10° | 34 | 160 | 1060 | 93 | 290 | 200 | 20 | 18.3 | YRTM260 |
| 4 | 6 | М12 | 3 | 36×10° | 34 | 275 | 1930 | 120 | 345 | 170 | 40 | 25 | YRTM325 |
| 6 | 6 | М12 | 3 | 48×7,5° | 34 | 300 | 2280 | 186 | 655 | 140 | 55 | 33 | YRTM395 |
| 6 | 6 | М12 | 3 | 48×7,5° | 34 | 355 | 2800 | 200 | 765 | 120 | 70 | 45 | YRTM460 |
0+
годы
Опыт работы в отрасли
0+
Разнообразие моделей
0+
Количество сотрудников
0
$
Годовая стоимость экспорта
Период проведения: 8–11 июля 2024 г.Место проведения: Екатеринбург, РоссияНомер стенда: IS37Периодичность: ЕжегодноОрганизатор: Министерство промышленности и торговли Российской ФедерацииО выставкеМеж...
Применение подшипников в металлургической промышленностиОбласти применения подшипников в металлургической отрасли охватывают следующие ключевые направления:1.Прокатное оборудованиеПрокатное оборудован...
Двигатель является ядром промышленного оборудования, а подшипник качения — ключевым механическим компонентом, который воспринимает все нагрузки и напряжения, возникающие в процессе его работы. Диагнос...
Из надежных источников корреспонденту стало известно, что государственный план корректировки политики по возмещению экспортных налоговых сборов утвержден и, весьма вероятно, будет опубликован 1 октябр...