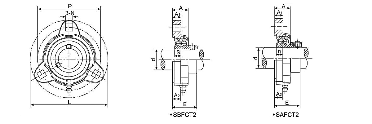
Подшипники с фланцевым креплением на 3 болта представляют собой комбинацию корпусов фланцевых подшипников с 3 болтами и шарикоподшипников с более широким внутренним кольцом.
Распространенными корпусами фланцевых подшипников с тремя болтами являются FB200 (стандартный режим) и FCT200 (легкий режим из ковкого чугуна).
Торцевая крышка из штампованной стали способна защитить от внешних загрязнений и пыли.
Способность шарикоподшипников к самовыравниванию может компенсировать небольшое статическое смещение вала. Вкладыши подшипников фиксируются на валу с помощью установочных винтов, эксцентриковых стопорных колец и т. д.
Смазочные материалы, заполняемые внутри вставок сферических шарикоподшипников, могут представлять собой стандартную смазку, низко/высокотемпературную смазку и пищевую смазку.

| Номер блока | Диаметр вала | Размеры (мм) | Вес | ||||||||||||||||
| d | N1 | L2 | H2 | N2 | N | L3 | A1 | H1 | H | L | A | A2 | L1 | B | S | A3 | (кг) | ||
| (in) | (mm) | ||||||||||||||||||
| UCWT201 | 12 | 15 | 9 | 46 | 31 | 18 | 46 | 12 | 70 | 82 | 88 | 30 | 21 | 58 | 27.4 | 11.5 | - | 0.52 | |
| UCWT202 | 15 | 15 | 9 | 46 | 31 | 18 | 46 | 12 | 70 | 82 | 88 | 30 | 21 | 58 | 27.4 | 11.5 | - | 0.52 | |
| UCWT203 | 17 | 15 | 9 | 46 | 31 | 18 | 46 | 12 | 70 | 82 | 88 | 30 | 21 | 58 | 27.4 | 11.5 | - | 0.52 | |
| UCT201 | 12 | 16 | 10 | 51 | 32 | 19 | 51 | 12 | 76 | 89 | 94 | 32 | 21 | 61 | 31 | 12.7 | - | 0.8 | |
| UCT201-8 | 1/2 | 16 | 10 | 51 | 32 | 19 | 51 | 12 | 76 | 89 | 94 | 32 | 21 | 61 | 31 | 12.7 | - | 0.8 | |
| UCT202 | 15 | 16 | 10 | 51 | 32 | 19 | 51 | 12 | 76 | 89 | 94 | 32 | 21 | 61 | 31 | 12.7 | - | 0.79 | |
| UCT202-9 | 9/16 | 16 | 10 | 51 | 32 | 19 | 51 | 12 | 76 | 89 | 94 | 32 | 21 | 61 | 31 | 12.7 | - | 0.79 | |
| UCT202-10 | 5/8 | 16 | 10 | 51 | 32 | 19 | 51 | 12 | 76 | 89 | 94 | 32 | 21 | 61 | 31 | 12.7 | - | 0.79 | |
| UCT203 | 17 | 16 | 10 | 51 | 32 | 19 | 51 | 12 | 76 | 89 | 94 | 32 | 21 | 61 | 31 | 12.7 | - | 0.78 | |
| UCT203-11 | 11/16 | 16 | 10 | 51 | 32 | 19 | 51 | 12 | 76 | 89 | 94 | 32 | 21 | 61 | 31 | 12.7 | - | 0.78 | |
| UCT204 | 20 | 16 | 10 | 51 | 32 | 19 | 51 | 12 | 76 | 89 | 94 | 32 | 21 | 61 | 31 | 12.7 | 46.4 | 0.72 | |
| UCT204-12 | 3/4 | 16 | 10 | 51 | 32 | 19 | 51 | 12 | 76 | 89 | 94 | 32 | 21 | 61 | 31 | 12.7 | 46.4 | 0.72 | |
| UCT205 | 25 | 16 | 10 | 51 | 32 | 19 | 51 | 12 | 76 | 89 | 97 | 32 | 24 | 62 | 34.1 | 14.3 | 48 | 0.8 | |
| UCT205-14 | 7/8 | 16 | 10 | 51 | 32 | 19 | 51 | 12 | 76 | 89 | 97 | 32 | 24 | 62 | 34.1 | 14.3 | 48 | 0.8 | |
| UCT205-15 | 15/16 | 16 | 10 | 51 | 32 | 19 | 51 | 12 | 76 | 89 | 97 | 32 | 24 | 62 | 34.1 | 14.3 | 48 | 0.8 | |
| UCT205-16 | 1/1 | 16 | 10 | 51 | 32 | 19 | 51 | 12 | 76 | 89 | 97 | 32 | 24 | 62 | 34.1 | 14.3 | 48 | 0.8 | |
| UCT206 | 30 | 16 | 10 | 56 | 37 | 22 | 57 | 12 | 89 | 102 | 113 | 37 | 28 | 70 | 38.1 | 15.9 | 23 | 1.26 | |
| UCT206-17 | 1/16 | 16 | 10 | 56 | 37 | 22 | 57 | 12 | 89 | 102 | 113 | 37 | 28 | 70 | 38.1 | 15.9 | 23 | 1.26 | |
| UCT206-18 | 1/8 | 16 | 10 | 56 | 37 | 22 | 57 | 12 | 89 | 102 | 113 | 37 | 28 | 70 | 38.1 | 15.9 | 23 | 1.26 | |
| UCT206-19 | 3/16 | 16 | 10 | 56 | 37 | 22 | 57 | 12 | 89 | 102 | 113 | 37 | 28 | 70 | 38.1 | 15.9 | 23 | 1.26 | |
| UCT206-20 | 1/4 | 16 | 10 | 56 | 37 | 22 | 57 | 12 | 89 | 102 | 113 | 37 | 28 | 70 | 38.1 | 15.9 | 23 | 1.26 | |
| UCT207 | 35 | 16 | 13 | 64 | 37 | 22 | 64 | 12 | 89 | 102 | 129 | 37 | 30 | 78 | 42.9 | 17.5 | 59 | 1.68 | |
| UCT207-20 | 1/4 | 16 | 13 | 64 | 37 | 22 | 64 | 12 | 89 | 102 | 129 | 37 | 30 | 78 | 42.9 | 17.5 | 59 | 1.68 | |
| UCT207-21 | 5/16 | 16 | 13 | 64 | 37 | 22 | 64 | 12 | 89 | 102 | 129 | 37 | 30 | 78 | 42.9 | 17.5 | 59 | 1.68 | |
| UCT207-22 | 3/8 | 16 | 13 | 64 | 37 | 22 | 64 | 12 | 89 | 102 | 129 | 37 | 30 | 78 | 42.9 | 17.5 | 59 | 1.68 | |
| UCT207-23 | 7/16 | 16 | 13 | 64 | 37 | 22 | 64 | 12 | 89 | 102 | 129 | 37 | 30 | 78 | 42.9 | 17.5 | 59 | 1.68 | |
| UCT208 | 40 | 19 | 16 | 83 | 49 | 29 | 83 | 16 | 102 | 114 | 144 | 49 | 33 | 88 | 49.2 | 19 | 68.2 | 2.28 | |
| UCT208-24 | 1/2 | 19 | 16 | 83 | 49 | 29 | 83 | 16 | 102 | 114 | 144 | 49 | 33 | 88 | 49.2 | 19 | 68.2 | 2.28 | |
| UCT208-25 | 9/16 | 19 | 16 | 83 | 49 | 29 | 83 | 16 | 102 | 114 | 144 | 49 | 33 | 88 | 49.2 | 19 | 68.2 | 2.28 | |
| UCT209 | 45 | 19 | 16 | 83 | 49 | 29 | 83 | 16 | 102 | 117 | 144 | 49 | 35 | 87 | 49.2 | 19 | 70 | 2.52 | |
| UCT209-26 | 5/8 | 19 | 16 | 83 | 49 | 29 | 83 | 16 | 102 | 117 | 144 | 49 | 35 | 87 | 49.2 | 19 | 70 | 2.52 | |
| UCT209-27 | 11/16 | 19 | 16 | 83 | 49 | 29 | 83 | 16 | 102 | 117 | 144 | 49 | 35 | 87 | 49.2 | 19 | 70 | 2.52 | |
| UCT209-28 | 3/4 | 19 | 16 | 83 | 49 | 29 | 83 | 16 | 102 | 117 | 144 | 49 | 35 | 87 | 49.2 | 19 | 70 | 2.52 | |
| UCT210 | 50 | 19 | 16 | 83 | 49 | 29 | 86 | 16 | 102 | 117 | 149 | 49 | 37 | 90 | 51.6 | 19 | 76 | 2.75 | |
| UCT210-30 | 7/8 | 19 | 16 | 83 | 49 | 29 | 86 | 16 | 102 | 117 | 149 | 49 | 37 | 90 | 51.6 | 19 | 76 | 2.75 | |
| UCT210-31 | 1-15/16 | 19 | 16 | 83 | 49 | 29 | 86 | 16 | 102 | 117 | 149 | 49 | 37 | 90 | 51.6 | 19 | 76 | 2.75 | |
| UCT210-32 | 1/2 | 19 | 16 | 83 | 49 | 29 | 86 | 16 | 102 | 117 | 149 | 49 | 37 | 90 | 51.6 | 19 | 76 | 2.75 | |
| UCT211 | 55 | 25 | 19 | 102 | 64 | 35 | 95 | 22 | 130 | 146 | 171 | 64 | 38 | 106 | 55.6 | 22.2 | 76 | 4.1 | |
| UCT211-32 | 1/2 | 25 | 19 | 102 | 64 | 35 | 95 | 22 | 130 | 146 | 171 | 64 | 38 | 106 | 55.6 | 22.2 | 76 | 4.1 | |
| UCT211-34 | 1/8 | 25 | 19 | 102 | 64 | 35 | 95 | 22 | 130 | 146 | 171 | 64 | 38 | 106 | 55.6 | 22.2 | 76 | 4.1 | |
| UCT211-35 | 3/16 | 25 | 19 | 102 | 64 | 35 | 95 | 22 | 130 | 146 | 171 | 64 | 38 | 106 | 55.6 | 22.2 | 76 | 4.1 | |
| UCT212 | 60 | 32 | 19 | 102 | 64 | 35 | 102 | 22 | 130 | 146 | 194 | 64 | 42 | 119 | 65.1 | 25.4 | 89 | 4.9 | |
| UCT212-36 | 1/4 | 32 | 19 | 102 | 64 | 35 | 102 | 22 | 130 | 146 | 194 | 64 | 42 | 119 | 65.1 | 25.4 | 89 | 4.9 | |
| UCT212-38 | 3/8 | 32 | 19 | 102 | 64 | 35 | 102 | 22 | 130 | 146 | 194 | 64 | 42 | 119 | 65.1 | 25.4 | 89 | 4.9 | |
| UCT212-39 | 7/16 | 32 | 19 | 102 | 64 | 35 | 102 | 22 | 130 | 146 | 194 | 64 | 42 | 119 | 65.1 | 25.4 | 89 | 4.9 | |
| UCT213 | 65 | 32 | 21 | 111 | 70 | 41 | 121 | 26 | 151 | 167 | 224 | 70 | 44 | 137 | 65.1 | 25.4 | 89 | 6.7 | |
| UCT213-40 | 1/2 | 32 | 21 | 111 | 70 | 41 | 121 | 26 | 151 | 167 | 224 | 70 | 44 | 137 | 65.1 | 25.4 | 89 | 6.7 | |
| UCT214 | 70 | 32 | 21 | 111 | 70 | 41 | 121 | 26 | 151 | 167 | 224 | 70 | 46 | 137 | 74.6 | 30.2 | 98 | 6.9 | |
| UCT214-44 | 3/4 | 32 | 21 | 111 | 70 | 41 | 121 | 26 | 151 | 167 | 224 | 70 | 46 | 137 | 74.6 | 30.2 | 98 | 6.9 | |
| UCT215 | 75 | 32 | 21 | 111 | 70 | 41 | 121 | 26 | 151 | 167 | 232 | 70 | 48 | 140 | 77.8 | 33.3 | 97 | 7.4 | |
| UCT215-47 | 2-15/16 | 32 | 21 | 111 | 70 | 41 | 121 | 26 | 151 | 167 | 232 | 70 | 48 | 140 | 77.8 | 33.3 | 97 | 7.4 | |
| UCT215-48 | 1/3 | 32 | 21 | 111 | 70 | 41 | 121 | 26 | 151 | 167 | 232 | 70 | 48 | 140 | 77.8 | 33.3 | 97 | 7.4 | |
| UCT216 | 80 | 32 | 21 | 111 | 70 | 41 | 121 | 26 | 165 | 184 | 235 | 70 | 51 | 140 | 82.6 | 33.3 | 110 | 8.1 | |
| UCT217 | 85 | 38 | 29 | 124 | 73 | 48 | 157 | 30 | 173 | 198 | 260 | 73 | 54 | 162 | 85.7 | 34.1 | 114.2 | 11 | |
| UCT217-52 | 1/4 | 38 | 29 | 124 | 73 | 48 | 157 | 30 | 173 | 198 | 260 | 73 | 54 | 162 | 85.7 | 34.1 | 114.2 | 11 | |
| UCT218 | 90 | 40 | 30 | 130 | 80 | 48 | 140 | 30 | 190 | 215 | 275 | 80 | 55 | 170 | 96 | 39.7 | - | 12.2 | |
| UCT218-56 | 1/4 | 40 | 30 | 130 | 80 | 48 | 140 | 30 | 190 | 215 | 275 | 80 | 55 | 170 | 96 | 39.7 | - | 12.2 | |

| Номер блока | Диаметр вала | Размеры (мм) | Вес (кг) | |||||||||||||||
| d | N1 | L2 | H2 | N2 | N | L3 | A1 | H1 | H | L | A | A2 | L1 | B1 | s | |||
| (in) | (mm) | |||||||||||||||||
| NAT201S | 12 | 15 | 9 | 46 | 31 | 18 | 46 | 12 | 70 | 82 | 88 | 30 | 21 | 58 | 37.3 | 13.9 | 0.78 | |
| NAT201-8S | 1/2 | 15 | 9 | 46 | 31 | 18 | 46 | 12 | 70 | 82 | 88 | 30 | 21 | 58 | 37.3 | 13.9 | 0.78 | |
| NAT202S | 15 | 15 | 9 | 46 | 31 | 18 | 46 | 12 | 70 | 82 | 88 | 30 | 21 | 58 | 37.3 | 13.9 | 0.78 | |
| NAT202-10S | 5/8 | 15 | 9 | 46 | 31 | 18 | 46 | 12 | 70 | 82 | 88 | 30 | 21 | 58 | 37.3 | 13.9 | 0.78 | |
| NAT203S | 17 | 15 | 9 | 46 | 31 | 18 | 46 | 12 | 70 | 82 | 88 | 30 | 21 | 58 | 37.3 | 13.9 | 0.78 | |
| NAT203-11S | 11/16 | 15 | 9 | 46 | 31 | 18 | 46 | 12 | 70 | 82 | 88 | 30 | 21 | 58 | 37.3 | 13.9 | 0.78 | |
| NAT201 | 12 | 16 | 10 | 51 | 32 | 19 | 51 | 12 | 76 | 89 | 94 | 32 | 21 | 61 | 43.5 | 17 | 0.87 | |
| NAT201-8 | 1/2 | 16 | 10 | 51 | 32 | 19 | 51 | 12 | 76 | 89 | 94 | 32 | 21 | 61 | 43.5 | 17 | 0.87 | |
| NAT202 | 15 | 16 | 10 | 51 | 32 | 19 | 51 | 12 | 76 | 89 | 94 | 32 | 21 | 61 | 43.5 | 17 | 0.87 | |
| NAT202-10 | 5/8 | 16 | 10 | 51 | 32 | 19 | 51 | 12 | 76 | 89 | 94 | 32 | 21 | 61 | 43.5 | 17 | 0.87 | |
| NAT203 | 17 | 16 | 10 | 51 | 32 | 19 | 51 | 12 | 76 | 89 | 94 | 32 | 21 | 61 | 43.5 | 17 | 0.87 | |
| NAT203-11 | 11/16 | 16 | 10 | 51 | 32 | 19 | 51 | 12 | 76 | 89 | 94 | 32 | 21 | 61 | 43.5 | 17 | 0.87 | |
| NAT204 | 20 | 16 | 10 | 51 | 32 | 19 | 51 | 12 | 76 | 89 | 94 | 32 | 21 | 61 | 43.5 | 17 | 0.87 | |
| NAT204-12 | 3/4 | 16 | 10 | 51 | 32 | 19 | 51 | 12 | 76 | 89 | 94 | 32 | 21 | 61 | 43.5 | 17 | 0.87 | |
| NAT205 | 25 | 16 | 10 | 51 | 32 | 19 | 51 | 12 | 76 | 89 | 97 | 32 | 24 | 62 | 44.3 | 17.4 | 0.92 | |
| NAT205-14 | 7/8 | 16 | 10 | 51 | 32 | 19 | 51 | 12 | 76 | 89 | 97 | 32 | 24 | 62 | 44.3 | 17.4 | 0.92 | |
| NAT205-15 | 15/16 | 16 | 10 | 51 | 32 | 19 | 51 | 12 | 76 | 89 | 97 | 32 | 24 | 62 | 44.3 | 17.4 | 0.92 | |
| NAT205-16 | 1/1 | 16 | 10 | 51 | 32 | 19 | 51 | 12 | 76 | 89 | 97 | 32 | 24 | 62 | 44.3 | 17.4 | 0.92 | |
| NAT206 | 30 | 16 | 10 | 56 | 37 | 22 | 57 | 12 | 89 | 102 | 113 | 37 | 28 | 70 | 48.3 | 18.2 | 1.39 | |
| NAT206-18 | 1/8 | 16 | 10 | 56 | 37 | 22 | 57 | 12 | 89 | 102 | 113 | 37 | 28 | 70 | 48.3 | 18.2 | 1.39 | |
| NAT206-19 | 3/16 | 16 | 10 | 56 | 37 | 22 | 57 | 12 | 89 | 102 | 113 | 37 | 28 | 70 | 48.3 | 18.2 | 1.39 | |
| NAT206-20 | 1/4 | 16 | 10 | 56 | 37 | 22 | 57 | 12 | 89 | 102 | 113 | 37 | 28 | 70 | 48.3 | 18.2 | 1.39 | |
| NAT207 | 35 | 16 | 13 | 64 | 37 | 22 | 64 | 12 | 89 | 102 | 129 | 37 | 30 | 78 | 51.1 | 18.8 | 1.83 | |
| NAT207-20 | 1/4 | 16 | 13 | 64 | 37 | 22 | 64 | 12 | 89 | 102 | 129 | 37 | 30 | 78 | 51.1 | 18.8 | 1.83 | |
| NAT207-21 | 5/16 | 16 | 13 | 64 | 37 | 22 | 64 | 12 | 89 | 102 | 129 | 37 | 30 | 78 | 51.1 | 18.8 | 1.83 | |
| NAT207-22 | 3/8 | 16 | 13 | 64 | 37 | 22 | 64 | 12 | 89 | 102 | 129 | 37 | 30 | 78 | 51.1 | 18.8 | 1.83 | |
| NAT207-23 | 7/16 | 16 | 13 | 64 | 37 | 22 | 64 | 12 | 89 | 102 | 129 | 37 | 30 | 78 | 51.1 | 18.8 | 1.83 | |
| NAT208 | 40 | 19 | 16 | 83 | 49 | 29 | 83 | 16 | 102 | 114 | 144 | 49 | 33 | 88 | 56.3 | 21.4 | 2.64 | |
| NAT208-24 | 1/2 | 19 | 16 | 83 | 49 | 29 | 83 | 16 | 102 | 114 | 144 | 49 | 33 | 88 | 56.3 | 21.4 | 2.64 | |
| NAT208-25 | 9/16 | 19 | 16 | 83 | 49 | 29 | 83 | 16 | 102 | 114 | 144 | 49 | 33 | 88 | 56.3 | 21.4 | 2.64 | |
| NAT209 | 45 | 19 | 16 | 83 | 49 | 29 | 83 | 16 | 102 | 117 | 144 | 49 | 35 | 87 | 56.3 | 21.4 | 2.67 | |
| NAT209-26 | 5/8 | 19 | 16 | 83 | 49 | 29 | 83 | 16 | 102 | 117 | 144 | 49 | 35 | 87 | 56.3 | 21.4 | 2.67 | |
| NAT209-27 | 1/16 | 19 | 16 | 83 | 49 | 29 | 83 | 16 | 102 | 117 | 144 | 49 | 35 | 87 | 56.3 | 21.4 | 2.67 | |
| NAT209-28 | 3/4 | 19 | 16 | 83 | 49 | 29 | 83 | 16 | 102 | 117 | 144 | 49 | 35 | 87 | 56.3 | 21.4 | 2.67 | |
| NAT210 | 50 | 19 | 16 | 83 | 49 | 29 | 86 | 16 | 102 | 117 | 149 | 49 | 37 | 90 | 62.7 | 24.6 | 2.81 | |
| NAT210-30 | 7/8 | 19 | 16 | 83 | 49 | 29 | 86 | 16 | 102 | 117 | 149 | 49 | 37 | 90 | 62.7 | 24.6 | 2.81 | |
| NAT210-31 | 1-15/16 | 19 | 16 | 83 | 49 | 29 | 86 | 16 | 102 | 117 | 149 | 49 | 37 | 90 | 62.7 | 24.6 | 2.81 | |
| NAT211 | 55 | 25 | 19 | 102 | 64 | 35 | 95 | 22 | 130 | 146 | 171 | 64 | 38 | 106 | 71.3 | 27.7 | 4.27 | |
| NAT211-32 | 1/2 | 55 | 25 | 19 | 102 | 64 | 35 | 95 | 22 | 130 | 146 | 171 | 64 | 38 | 106 | 71.3 | 27.7 | 4.27 |
| NAT211-34 | 1/8 | 55 | 25 | 19 | 102 | 64 | 35 | 95 | 22 | 130 | 146 | 171 | 64 | 38 | 106 | 71.3 | 27.7 | 4.27 |
| NAT211-35 | 3/16 | 55 | 25 | 19 | 102 | 64 | 35 | 95 | 22 | 130 | 146 | 171 | 64 | 38 | 106 | 71.3 | 27.7 | 4.27 |
| NAT212 | 60 | 32 | 19 | 102 | 64 | 35 | 102 | 22 | 130 | 146 | 194 | 64 | 42 | 119 | 77.7 | 30.9 | 5.26 | |
| NAT212-36 | 1/4 | 32 | 19 | 102 | 64 | 35 | 102 | 22 | 130 | 146 | 194 | 64 | 42 | 119 | 77.7 | 30.9 | 5.26 | |
| NAT212-38 | 3/8 | 32 | 19 | 102 | 64 | 35 | 102 | 22 | 130 | 146 | 194 | 64 | 42 | 119 | 77.7 | 30.9 | 5.26 | |
| NAT212-39 | 7/16 | 32 | 19 | 102 | 64 | 35 | 102 | 22 | 130 | 146 | 194 | 64 | 42 | 119 | 77.7 | 30.9 | 5.26 | |
| NAT213 | 65 | 32 | 21 | 111 | 70 | 41 | 121 | 26 | 151 | 167 | 224 | 70 | 44 | 137 | 85.7 | 34.1 | 7.55 | |
| NAT213-40 | 1/2 | 32 | 21 | 111 | 70 | 41 | 121 | 26 | 151 | 167 | 224 | 70 | 44 | 137 | 85.7 | 34.1 | 7.55 | |
| NAT214 | 70 | 32 | 21 | 111 | 70 | 41 | 121 | 26 | 151 | 167 | 224 | 70 | 46 | 137 | 85.7 | 34.1 | 7.62 | |
| NAT214-44 | 3/4 | 32 | 21 | 111 | 70 | 41 | 121 | 26 | 151 | 167 | 224 | 70 | 46 | 137 | 85.7 | 34.1 | 7.62 | |
| NAT215 | 75 | 32 | 21 | 111 | 70 | 41 | 121 | 26 | 151 | 167 | 232 | 70 | 48 | 140 | 92.1 | 37.3 | 8.13 | |
| NAT215-47 | 2-15/16 | 32 | 21 | 111 | 70 | 41 | 121 | 26 | 151 | 167 | 232 | 70 | 48 | 140 | 92.1 | 37.3 | 8.13 | |
| NAT215-48 | 1/3 | 32 | 21 | 111 | 70 | 41 | 121 | 26 | 151 | 167 | 232 | 70 | 48 | 140 | 92.1 | 37.3 | 8.13 | |
| NAT216 | 80 | 32 | 21 | 111 | 70 | 41 | 121 | 26 | 165 | 184 | 235 | 70 | 51 | 140 | 95.2 | 37.3 | 8.53 | |
| NAT217 | 85 | 38 | 29 | 124 | 73 | 48 | 157 | 30 | 173 | 198 | 260 | 73 | 54 | 162 | 73.2 | 23.4 | 12.03 | |
| NAT217-52 | 1/4 | 38 | 29 | 124 | 73 | 48 | 157 | 30 | 173 | 198 | 260 | 73 | 54 | 162 | 73.2 | 23.4 | 12.03 | |

| Номер блока | Диаметр вала | Размеры (мм) | Вес | |||||||||||||||
| d | N1 | L2 | H2 | N2 | N | L3 | A1 | H1 | H | L | A | A2 | L1 | B1 | S | (кг) | ||
| (in) | (mm) | |||||||||||||||||
| UET204 | 20 | 16 | 10 | 51 | 32 | 19 | 51 | 12 | 76 | 89 | 94 | 32 | 21 | 61 | 33 | 12.7 | 0.93 | |
| UET204-12 | 3/4 | 16 | 10 | 51 | 32 | 19 | 51 | 12 | 76 | 89 | 94 | 32 | 21 | 61 | 33 | 12.7 | 0.93 | |
| UET205 | 25 | 16 | 10 | 51 | 32 | 19 | 51 | 12 | 76 | 89 | 97 | 32 | 24 | 62 | 35.4 | 14.3 | 0.96 | |
| UET205-14 | 7/8 | 16 | 10 | 51 | 32 | 19 | 51 | 12 | 76 | 89 | 97 | 32 | 24 | 62 | 35.4 | 14.3 | 0.96 | |
| UET205-15 | 15/16 | 16 | 10 | 51 | 32 | 19 | 51 | 12 | 76 | 89 | 97 | 32 | 24 | 62 | 35.4 | 14.3 | 0.96 | |
| UET205-16 | 1/1 | 16 | 10 | 51 | 32 | 19 | 51 | 12 | 76 | 89 | 97 | 32 | 24 | 62 | 35.4 | 14.3 | 0.96 | |
| UET206 | 30 | 16 | 10 | 56 | 37 | 22 | 57 | 12 | 89 | 102 | 113 | 37 | 28 | 70 | 39.8 | 15.9 | 1.4 | |
| UET206-17 | 1/16 | 16 | 10 | 56 | 37 | 22 | 57 | 12 | 89 | 102 | 113 | 37 | 28 | 70 | 39.8 | 15.9 | 1.4 | |
| UET206-18 | 1/8 | 16 | 10 | 56 | 37 | 22 | 57 | 12 | 89 | 102 | 113 | 37 | 28 | 70 | 39.8 | 15.9 | 1.4 | |
| UET206-19 | 3/16 | 16 | 10 | 56 | 37 | 22 | 57 | 12 | 89 | 102 | 113 | 37 | 28 | 70 | 39.8 | 15.9 | 1.4 | |
| UET206-20 | 1/4 | 16 | 10 | 56 | 37 | 22 | 57 | 12 | 89 | 102 | 113 | 37 | 28 | 70 | 39.8 | 15.9 | 1.4 | |
| UET207 | 35 | 16 | 13 | 64 | 37 | 22 | 64 | 12 | 89 | 102 | 129 | 37 | 30 | 78 | 43.9 | 17.5 | 1.79 | |
| UET207-20 | 1/4 | 16 | 13 | 64 | 37 | 22 | 64 | 12 | 89 | 102 | 129 | 37 | 30 | 78 | 43.9 | 17.5 | 1.79 | |
| UET207-21 | 5/16 | 16 | 13 | 64 | 37 | 22 | 64 | 12 | 89 | 102 | 129 | 37 | 30 | 78 | 43.9 | 17.5 | 1.79 | |
| UET207-22 | 3/8 | 16 | 13 | 64 | 37 | 22 | 64 | 12 | 89 | 102 | 129 | 37 | 30 | 78 | 43.9 | 17.5 | 1.79 | |
| UET207-23 | 7/16 | 16 | 13 | 64 | 37 | 22 | 64 | 12 | 89 | 102 | 129 | 37 | 30 | 78 | 43.9 | 17.5 | 1.79 | |
| UET208 | 40 | 19 | 16 | 83 | 49 | 29 | 83 | 16 | 102 | 114 | 144 | 49 | 33 | 88 | 50.2 | 19 | 2.76 | |
| UET208-24 | 1/2 | 19 | 16 | 83 | 49 | 29 | 83 | 16 | 102 | 114 | 144 | 49 | 33 | 88 | 50.2 | 19 | 2.76 | |
| UET208-25 | 9/16 | 19 | 16 | 83 | 49 | 29 | 83 | 16 | 102 | 114 | 144 | 49 | 33 | 88 | 50.2 | 19 | 2.76 | |
| UET209 | 45 | 19 | 16 | 83 | 49 | 29 | 83 | 16 | 102 | 117 | 144 | 49 | 35 | 87 | 50.2 | 19 | 2.88 | |
| UET209-26 | 5/8 | 19 | 16 | 83 | 49 | 29 | 83 | 16 | 102 | 117 | 144 | 49 | 35 | 87 | 50.2 | 19 | 2.88 | |
| UET209-27 | 11/16 | 19 | 16 | 83 | 49 | 29 | 83 | 16 | 102 | 117 | 144 | 49 | 35 | 87 | 50.2 | 19 | 2.88 | |
| UET209-28 | 3/4 | 19 | 16 | 83 | 49 | 29 | 83 | 16 | 102 | 117 | 144 | 49 | 35 | 87 | 50.2 | 19 | 2.88 | |
| UET210 | 50 | 19 | 16 | 83 | 49 | 29 | 86 | 16 | 102 | 117 | 149 | 49 | 37 | 90 | 52.6 | 19 | 2.86 | |
| UET210-30 | 7/8 | 19 | 16 | 83 | 49 | 29 | 86 | 16 | 102 | 117 | 149 | 49 | 37 | 90 | 52.6 | 19 | 2.86 | |
| UET210-31 | 1-15/16 | 19 | 16 | 83 | 49 | 29 | 86 | 16 | 102 | 117 | 149 | 49 | 37 | 90 | 52.6 | 19 | 2.86 | |
| UET210-32 | 1/2 | 19 | 16 | 83 | 49 | 29 | 86 | 16 | 102 | 117 | 149 | 49 | 37 | 90 | 52.6 | 19 | 2.86 | |
| UET211 | 55 | 25 | 19 | 102 | 64 | 35 | 95 | 22 | 130 | 146 | 171 | 64 | 38 | 106 | 56.6 | 22.2 | 4.52 | |
| UET211-32 | 1/2 | 25 | 19 | 102 | 64 | 35 | 95 | 22 | 130 | 146 | 171 | 64 | 38 | 106 | 56.6 | 22.2 | 4.52 | |
| UET211-34 | 1/8 | 25 | 19 | 102 | 64 | 35 | 95 | 22 | 130 | 146 | 171 | 64 | 38 | 106 | 56.6 | 22.2 | 4.52 | |
| UET211-35 | 3/16 | 25 | 19 | 102 | 64 | 35 | 95 | 22 | 130 | 146 | 171 | 64 | 38 | 106 | 56.6 | 22.2 | 4.52 | |
| UET212 | 60 | 32 | 19 | 102 | 64 | 35 | 102 | 22 | 130 | 146 | 194 | 64 | 42 | 119 | 66.6 | 25.4 | 5.41 | |
| UET212-36 | 1/4 | 32 | 19 | 102 | 64 | 35 | 102 | 22 | 130 | 146 | 194 | 64 | 42 | 119 | 66.6 | 25.4 | 5.41 | |
| UET212-38 | 3/8 | 32 | 19 | 102 | 64 | 35 | 102 | 22 | 130 | 146 | 194 | 64 | 42 | 119 | 66.6 | 25.4 | 5.41 | |
| UET212-39 | 7/16 | 32 | 19 | 102 | 64 | 35 | 102 | 22 | 130 | 146 | 194 | 64 | 42 | 119 | 66.6 | 25.4 | 5.41 | |

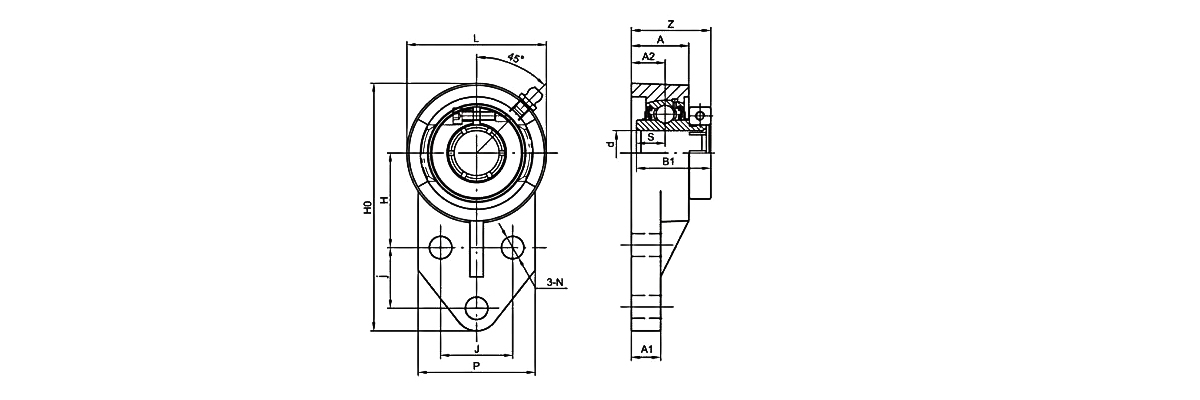
| Номер блока | Диаметр вала | Размеры (мм) | Вес (кг) |
|||||||||||||||
| d | N1 | L2 | H2 | N2 | N | L3 | A1 | H1 | H | L | A | A2 | L1 | B3 | S1 | |||
| (in) | (mm) | |||||||||||||||||
| UKT205+H2305 | 20 | 16 | 10 | 51 | 32 | 19 | 51 | 12 | 76 | 89 | 97 | 32 | 24 | 62 | 35 | 18.5 | 0.8 | |
| UKT205+HE2305 | 3/4 | 16 | 10 | 51 | 32 | 19 | 51 | 12 | 76 | 89 | 97 | 32 | 24 | 62 | 35 | 18.5 | 0.8 | |
| UKT206+H2306 | 25 | 16 | 10 | 56 | 37 | 22 | 57 | 12 | 89 | 102 | 113 | 37 | 28 | 70 | 38 | 20.5 | 1.26 | |
| UKT206+HS2306 | 7/8 | 16 | 10 | 56 | 37 | 22 | 57 | 12 | 89 | 102 | 113 | 37 | 28 | 70 | 38 | 20.5 | 1.26 | |
| UKT206+HE2306 | 1/1 | 16 | 10 | 56 | 37 | 22 | 57 | 12 | 89 | 102 | 113 | 37 | 28 | 70 | 38 | 20.5 | 1.26 | |
| UKT207+H2307 | 30 | 16 | 13 | 64 | 37 | 22 | 64 | 12 | 89 | 102 | 129 | 37 | 30 | 78 | 43 | 22.5 | 1.68 | |
| UKT207+HS2307 | 1/8 | 16 | 13 | 64 | 37 | 22 | 64 | 12 | 89 | 102 | 129 | 37 | 30 | 78 | 43 | 22.5 | 1.68 | |
| UKT208+H2308 | 35 | 19 | 16 | 83 | 49 | 29 | 83 | 16 | 102 | 114 | 144 | 49 | 33 | 88 | 46 | 24.5 | 2.28 | |
| UKT208+HE2308 | 1/4 | 19 | 16 | 83 | 49 | 29 | 83 | 16 | 102 | 114 | 144 | 49 | 33 | 88 | 46 | 24.5 | 2.28 | |
| UKT208+HS2308 | 3/8 | 19 | 16 | 83 | 49 | 29 | 83 | 16 | 102 | 114 | 144 | 49 | 33 | 88 | 46 | 24.5 | 2.28 | |
| UKT209+H2309 | 40 | 19 | 16 | 83 | 49 | 29 | 83 | 16 | 102 | 117 | 144 | 49 | 35 | 87 | 50 | 26 | 2.52 | |
| UKT209+HA2309 | 7/16 | 19 | 16 | 83 | 49 | 29 | 83 | 16 | 102 | 117 | 144 | 49 | 35 | 87 | 50 | 26 | 2.52 | |
| UKT209+HE2309 | 1/2 | 19 | 16 | 83 | 49 | 29 | 83 | 16 | 102 | 117 | 144 | 49 | 35 | 87 | 50 | 26 | 2.52 | |
| UKT209+HS2309 | 5/8 | 19 | 16 | 83 | 49 | 29 | 83 | 16 | 102 | 117 | 144 | 49 | 35 | 87 | 50 | 26 | 2.52 | |
| UKT210+H2310 | 45 | 19 | 16 | 83 | 49 | 29 | 86 | 16 | 102 | 117 | 149 | 49 | 37 | 90 | 55 | 27.5 | 2.75 | |
| UKT210+HS2310 | 5/8 | 19 | 16 | 83 | 49 | 29 | 86 | 16 | 102 | 117 | 149 | 49 | 37 | 90 | 55 | 27.5 | 2.75 | |
| UKT210+HA2310 | 11/16 | 19 | 16 | 83 | 49 | 29 | 86 | 16 | 102 | 117 | 149 | 49 | 37 | 90 | 55 | 27.5 | 2.75 | |
| UKT210+HE2310 | 3/4 | 19 | 16 | 83 | 49 | 29 | 86 | 16 | 102 | 117 | 149 | 49 | 37 | 90 | 55 | 27.5 | 2.75 | |
| UKT211+H2311 | 50 | 25 | 19 | 102 | 64 | 35 | 95 | 22 | 130 | 146 | 171 | 64 | 38 | 106 | 59 | 28.5 | 4.1 | |
| UKT211+HS2311 | 7/8 | 25 | 19 | 102 | 64 | 35 | 95 | 22 | 130 | 146 | 171 | 64 | 38 | 106 | 59 | 28.5 | 4.1 | |
| UKT211+HA2311 | 1-15/16 | 25 | 19 | 102 | 64 | 35 | 95 | 22 | 130 | 146 | 171 | 64 | 38 | 106 | 59 | 28.5 | 4.1 | |
| UKT211+HE2311 | 1/2 | 25 | 19 | 102 | 64 | 35 | 95 | 22 | 130 | 146 | 171 | 64 | 38 | 106 | 59 | 28.5 | 4.1 | |
| UKT212+H2312 | 55 | 32 | 19 | 102 | 64 | 35 | 102 | 22 | 130 | 146 | 194 | 64 | 42 | 119 | 62 | 31 | 4.9 | |
| UKT212+HS2312 | 1/8 | 32 | 19 | 102 | 64 | 35 | 102 | 22 | 130 | 146 | 194 | 64 | 42 | 119 | 62 | 31 | 4.9 | |
| UKT213+H2313 | 60 | 32 | 21 | 111 | 70 | 41 | 121 | 26 | 151 | 167 | 224 | 70 | 44 | 137 | 65 | 32 | 6.7 | |
| UKT213+HA2313 | 3/16 | 32 | 21 | 111 | 70 | 41 | 121 | 26 | 151 | 167 | 224 | 70 | 44 | 137 | 65 | 32 | 6.7 | |
| UKT213+HE2313 | 1/4 | 32 | 21 | 111 | 70 | 41 | 121 | 26 | 151 | 167 | 224 | 70 | 44 | 137 | 65 | 32 | 6.7 | |
| UKT213+HS2313 | 3/8 | 32 | 21 | 111 | 70 | 41 | 121 | 26 | 151 | 167 | 224 | 70 | 44 | 137 | 65 | 32 | 6.7 | |
| UKT215+H2315 | 65 | 32 | 21 | 111 | 70 | 41 | 121 | 26 | 151 | 167 | 232 | 70 | 48 | 140 | 73 | 35.5 | 7.4 | |
| UKT215+HA2315 | 7/16 | 32 | 21 | 111 | 70 | 41 | 121 | 26 | 151 | 167 | 232 | 70 | 48 | 140 | 73 | 35.5 | 7.4 | |
| UKT215+HE2315 | 1/2 | 32 | 21 | 111 | 70 | 41 | 121 | 26 | 151 | 167 | 232 | 70 | 48 | 140 | 73 | 35.5 | 7.4 | |
| UKT216+H2316 | 70 | 32 | 21 | 111 | 70 | 41 | 121 | 26 | 165 | 184 | 235 | 70 | 51 | 140 | 78 | 39 | 8.1 | |
| UKT216+HA2316 | 11/16 | 32 | 21 | 111 | 70 | 41 | 121 | 26 | 165 | 184 | 235 | 70 | 51 | 140 | 78 | 39 | 8.1 | |
| UKT216+HE2316 | 3/4 | 32 | 21 | 111 | 70 | 41 | 121 | 26 | 165 | 184 | 235 | 70 | 51 | 140 | 78 | 39 | 8.1 | |
| UKT217+H2317 | 75 | 38 | 29 | 124 | 73 | 48 | 157 | 30 | 173 | 198 | 260 | 73 | 54 | 162 | 82 | 40 | 11 | |
| UKT217+HA2317 | 2-15/16 | 38 | 29 | 124 | 73 | 48 | 157 | 30 | 173 | 198 | 260 | 73 | 54 | 162 | 82 | 40 | 11 | |
| UKT217+HE2317 | 1/3 | 38 | 29 | 124 | 73 | 48 | 157 | 30 | 173 | 198 | 260 | 73 | 54 | 162 | 82 | 40 | 11 | |

| Номер блока | Диаметр вала | Размеры (мм) | Вес (кг) | |||||||||||||||
| d | N1 | L2 | H2 | N2 | N | L3 | A1 | H1 | H | L | A | A2 | L1 | B | s | |||
| (in) | (mm) | |||||||||||||||||
| UCTX05 | 25 | 16 | 12 | 56 | 37 | 22 | 57 | 12 | 89 | 102 | 113 | 37 | 28 | 70 | 38.1 | 15.9 | 1.4 | |
| UCTX05-13 | 13/16 | 16 | 12 | 56 | 37 | 22 | 57 | 12 | 89 | 102 | 113 | 37 | 28 | 70 | 38.1 | 15.9 | 1.4 | |
| UCTX05-14 | 7/8 | 16 | 12 | 56 | 37 | 22 | 57 | 12 | 89 | 102 | 113 | 37 | 28 | 70 | 38.1 | 15.9 | 1.4 | |
| UCTX05-15 | 15/16 | 16 | 12 | 56 | 37 | 22 | 57 | 12 | 89 | 102 | 113 | 37 | 28 | 70 | 38.1 | 15.9 | 1.4 | |
| UCTX05-16 | 1/1 | 16 | 12 | 56 | 37 | 22 | 57 | 12 | 89 | 102 | 113 | 37 | 28 | 70 | 38.1 | 15.9 | 1.4 | |
| UCTX06 | 30 | 16 | 15 | 64 | 37 | 22 | 64 | 12 | 89 | 102 | 129 | 37 | 30 | 78 | 42.9 | 17.5 | 1.8 | |
| UCTX06-17 | 1/16 | 16 | 15 | 64 | 37 | 22 | 64 | 12 | 89 | 102 | 129 | 37 | 30 | 78 | 42.9 | 17.5 | 1.8 | |
| UCTX06-18 | 1/8 | 16 | 15 | 64 | 37 | 22 | 64 | 12 | 89 | 102 | 129 | 37 | 30 | 78 | 42.9 | 17.5 | 1.8 | |
| UCTX06-19 | 3/16 | 16 | 15 | 64 | 37 | 22 | 64 | 12 | 89 | 102 | 129 | 37 | 30 | 78 | 42.9 | 17.5 | 1.8 | |
| UCTX06-20 | 1/4 | 16 | 15 | 64 | 37 | 22 | 64 | 12 | 89 | 102 | 129 | 37 | 30 | 78 | 42.9 | 17.5 | 1.8 | |
| UCTX07 | 35 | 19 | 17 | 83 | 49 | 29 | 83 | 16 | 102 | 114 | 144 | 49 | 36 | 88 | 49.2 | 19 | 2.6 | |
| UCTX07-21 | 5/16 | 19 | 17 | 83 | 49 | 29 | 83 | 16 | 102 | 114 | 144 | 49 | 36 | 88 | 49.2 | 19 | 2.6 | |
| UCTX07-22 | 3/8 | 19 | 17 | 83 | 49 | 29 | 83 | 16 | 102 | 114 | 144 | 49 | 36 | 88 | 49.2 | 19 | 2.6 | |
| UCTX07-23 | 7/16 | 19 | 17 | 83 | 49 | 29 | 83 | 16 | 102 | 114 | 144 | 49 | 36 | 88 | 49.2 | 19 | 2.6 | |
| UCTX08 | 40 | 19 | 17 | 83 | 49 | 29 | 83 | 16 | 102 | 117 | 144 | 49 | 36 | 87 | 49.2 | 19 | 2.6 | |
| UCTX08-24 | 1/2 | 19 | 17 | 83 | 49 | 29 | 83 | 16 | 102 | 117 | 144 | 49 | 36 | 87 | 49.2 | 19 | 2.6 | |
| UCTX08-25 | 9/16 | 19 | 17 | 83 | 49 | 29 | 83 | 16 | 102 | 117 | 144 | 49 | 36 | 87 | 49.2 | 19 | 2.6 | |
| UCTX09 | 45 | 19 | 18 | 83 | 49 | 29 | 86 | 16 | 102 | 117 | 151 | 49 | 38 | 92 | 51.6 | 19 | 2.8 | |
| UCTX09-26 | 5/8 | 19 | 18 | 83 | 49 | 29 | 86 | 16 | 102 | 117 | 151 | 49 | 38 | 92 | 51.6 | 19 | 2.8 | |
| UCTX09-27 | 11/16 | 19 | 18 | 83 | 49 | 29 | 86 | 16 | 102 | 117 | 151 | 49 | 38 | 92 | 51.6 | 19 | 2.8 | |
| UCTX09-28 | 3/4 | 19 | 18 | 83 | 49 | 29 | 86 | 16 | 102 | 117 | 151 | 49 | 38 | 92 | 51.6 | 19 | 2.8 | |
| UCTX09-29 | 1-13/16 | 19 | 18 | 83 | 49 | 29 | 86 | 16 | 102 | 117 | 151 | 49 | 38 | 92 | 51.6 | 19 | 2.8 | |
| UCTX10 | 50 | 25 | 21 | 102 | 64 | 35 | 95 | 22 | 130 | 146 | 171 | 64 | 42 | 106 | 55.6 | 22.2 | 4.3 | |
| UCTX10-30 | 7/8 | 25 | 21 | 102 | 64 | 35 | 95 | 22 | 130 | 146 | 171 | 64 | 42 | 106 | 55.6 | 22.2 | 4.3 | |
| UCTX10-31 | 1-15/16 | 25 | 21 | 102 | 64 | 35 | 95 | 22 | 130 | 146 | 171 | 64 | 42 | 106 | 55.6 | 22.2 | 4.3 | |
| UCTX10-32 | 1/2 | 25 | 21 | 102 | 64 | 35 | 95 | 22 | 130 | 146 | 171 | 64 | 42 | 106 | 55.6 | 22.2 | 4.3 | |
| UCTX11 | 55 | 32 | 21 | 102 | 64 | 35 | 102 | 22 | 130 | 146 | 194 | 64 | 44 | 119 | 65.1 | 25.4 | 5.2 | |
| UCTX11-33 | 1/16 | 32 | 21 | 102 | 64 | 35 | 102 | 22 | 130 | 146 | 194 | 64 | 44 | 119 | 65.1 | 25.4 | 5.2 | |
| UCTX11-34 | 1/8 | 32 | 21 | 102 | 64 | 35 | 102 | 22 | 130 | 146 | 194 | 64 | 44 | 119 | 65.1 | 25.4 | 5.2 | |
| UCTX11-35 | 3/16 | 32 | 21 | 102 | 64 | 35 | 102 | 22 | 130 | 146 | 194 | 64 | 44 | 119 | 65.1 | 25.4 | 5.2 | |
| UCTX11-36 | 1/4 | 32 | 21 | 102 | 64 | 35 | 102 | 22 | 130 | 146 | 194 | 64 | 44 | 119 | 65.1 | 25.4 | 5.2 | |
| UCTX11-37 | 5/16 | 32 | 21 | 102 | 64 | 35 | 102 | 22 | 130 | 146 | 194 | 64 | 44 | 119 | 65.1 | 25.4 | 5.2 | |
| UCTX12 | 60 | 32 | 23 | 111 | 70 | 41 | 121 | 26 | 151 | 167 | 224 | 70 | 48 | 137 | 65 | 25.4 | 7.6 | |
| UCTX12-38 | 3/8 | 32 | 23 | 111 | 70 | 41 | 121 | 26 | 151 | 167 | 224 | 70 | 48 | 137 | 65 | 25.4 | 7.6 | |
| UCTX12-39 | 7/16 | 32 | 23 | 111 | 70 | 41 | 121 | 26 | 151 | 167 | 224 | 70 | 48 | 137 | 65 | 25.4 | 7.6 | |
| UCTX13 | 65 | 32 | 23 | 111 | 70 | 41 | 121 | 26 | 151 | 167 | 224 | 70 | 48 | 137 | 74.6 | 30.2 | 7.6 | |
| UCTX13-40 | 1/2 | 32 | 23 | 111 | 70 | 41 | 121 | 26 | 151 | 167 | 224 | 70 | 48 | 137 | 74.6 | 30.2 | 7.6 | |
| UCTX13-41 | 9/16 | 32 | 23 | 111 | 70 | 41 | 121 | 26 | 151 | 167 | 224 | 70 | 48 | 137 | 74.6 | 30.2 | 7.6 | |
| UCTX14 | 70 | 32 | 23 | 111 | 70 | 41 | 121 | 26 | 151 | 167 | 232 | 70 | 48 | 140 | 77.8 | 33.3 | 7.7 | |
| UCTX14-42 | 5/8 | 32 | 23 | 111 | 70 | 41 | 121 | 26 | 151 | 167 | 232 | 70 | 48 | 140 | 77.8 | 33.3 | 7.7 | |
| UCTX14-43 | 11/16 | 32 | 23 | 111 | 70 | 41 | 121 | 26 | 151 | 167 | 232 | 70 | 48 | 140 | 77.8 | 33.3 | 7.7 | |
| UCTX14-44 | 3/4 | 32 | 23 | 111 | 70 | 41 | 121 | 26 | 151 | 167 | 232 | 70 | 48 | 140 | 77.8 | 33.3 | 7.7 | |
| UCTX15 | 75 | 32 | 23 | 111 | 70 | 41 | 121 | 28 | 165 | 184 | 235 | 70 | 48 | 140 | 82.6 | 33.3 | 7.55 | |
| UCTX15-45 | 2-13/16 | 32 | 23 | 111 | 70 | 41 | 121 | 28 | 165 | 184 | 235 | 70 | 48 | 140 | 82.6 | 33.3 | 7.55 | |
| UCTX15-46 | 7/8 | 32 | 23 | 111 | 70 | 41 | 121 | 28 | 165 | 184 | 235 | 70 | 48 | 140 | 82.6 | 33.3 | 7.55 | |
| UCTX15-47 | 2-15/16 | 32 | 23 | 111 | 70 | 41 | 121 | 28 | 165 | 184 | 235 | 70 | 48 | 140 | 82.6 | 33.3 | 7.55 | |
| UCTX15-48 | 1/3 | 32 | 23 | 111 | 70 | 41 | 121 | 28 | 165 | 184 | 235 | 70 | 48 | 140 | 82.6 | 33.3 | 7.55 | |
| UCTX16 | 80 | 38 | 30 | 124 | 73 | 48 | 157 | 28 | 173 | 198 | 260 | 73 | 54 | 162 | 85.7 | 34.1 | 11 | |
| UCTX16-49 | 1/16 | 38 | 30 | 124 | 73 | 48 | 157 | 28 | 173 | 198 | 260 | 73 | 54 | 162 | 85.7 | 34.1 | 11 | |
| UCTX16-50 | 1/8 | 38 | 30 | 124 | 73 | 48 | 157 | 28 | 173 | 198 | 260 | 73 | 54 | 162 | 85.7 | 34.1 | 11 | |
| UCTX16-51 | 3/16 | 38 | 30 | 124 | 73 | 48 | 157 | 28 | 173 | 198 | 260 | 73 | 54 | 162 | 85.7 | 34.1 | 11 | |
| UCTX16-52 | 1/4 | 38 | 30 | 124 | 73 | 48 | 157 | 28 | 173 | 198 | 260 | 73 | 54 | 162 | 85.7 | 34.1 | 11 | |
| UCTX17 | 85 | 38 | 30 | 124 | 73 | 48 | 157 | 28 | 173 | 198 | 260 | 73 | 54 | 162 | 96 | 39.7 | 12 | |
| UCTX17-53 | 5/16 | 38 | 30 | 124 | 73 | 48 | 157 | 28 | 173 | 198 | 260 | 73 | 54 | 162 | 96 | 39.7 | 12 | |
| UCTX17-55 | 7/16 | 38 | 30 | 124 | 73 | 48 | 157 | 28 | 173 | 198 | 260 | 73 | 54 | 162 | 96 | 39.7 | 12 | |

| Номер блока | Диаметр вала | Размеры (мм) | Вес (кг) | ||||||||||||||
| d | |||||||||||||||||
| (in) | N1 | L2 | H2 | N2 | N | L3 | A1 | H1 | H | L | A | A2 | L1 | B | S | ||
| UCT305 | 1/25 | 16 | 12 | 62 | 36 | 26 | 65 | 12 | 80 | 90 | 122 | 36 | 26 | 76 | 38 | 15 | 1.41 |
| UCT306 | 1/30 | 18 | 14 | 70 | 41 | 28 | 74 | 16 | 90 | 100 | 137 | 41 | 28 | 85 | 43 | 17 | 1.85 |
| UCT307 | 2/4 | 20 | 15 | 75 | 45 | 30 | 80 | 16 | 100 | 111 | 150 | 45 | 32 | 94 | 48 | 19 | 2.45 |
| UCT308 | 2/9 | 22 | 17 | 83 | 50 | 32 | 89 | 18 | 112 | 124 | 162 | 50 | 34 | 100 | 52 | 19 | 3.09 |
| UCT309 | 2/14 | 24 | 18 | 90 | 55 | 34 | 97 | 18 | 125 | 138 | 178 | 55 | 38 | 110 | 57 | 22 | 4.08 |
| UCT310 | 2/19 | 27 | 20 | 98 | 61 | 37 | 106 | 20 | 140 | 151 | 191 | 61 | 40 | 117 | 61 | 22 | 5.25 |
| UCT311 | 2/24 | 29 | 21 | 105 | 66 | 39 | 115 | 22 | 150 | 163 | 207 | 66 | 44 | 127 | 66 | 25 | 6.41 |
| UCT312 | 2/29 | 31 | 23 | 115 | 71 | 41 | 123 | 22 | 160 | 179 | 220 | 72 | 46 | 135 | 71 | 26 | 7.61 |
| UCT313 | 3/5 | 32 | 25 | 116 | 70 | 43 | 134 | 26 | 170 | 190 | 238 | 80 | 50 | 146 | 75 | 30 | 9.22 |
| UCT314 | 3/10 | 36 | 25 | 130 | 85 | 46 | 140 | 26 | 180 | 202 | 252 | 90 | 52 | 155 | 78 | 33 | 11.4 |
| UCT315 | 3/15 | 36 | 25 | 134 | 85 | 46 | 150 | 26 | 192 | 216 | 262 | 90 | 55 | 160 | 82 | 32 | 12.9 |
| UCT316 | 3/20 | 42 | 28 | 150 | 98 | 53 | 160 | 30 | 204 | 230 | 282 | 102 | 60 | 174 | 86 | 34 | 15.65 |
| UCT317 | 3/25 | 42 | 30 | 152 | 98 | 53 | 170 | 32 | 214 | 240 | 298 | 102 | 64 | 183 | 96 | 40 | 19.34 |
| UCT318 | 3/30 | 46 | 30 | 160 | 106 | 57 | 175 | 32 | 228 | 255 | 312 | 110 | 66 | 192 | 96 | 40 | 21.25 |
| UCT319 | 4/4 | 46 | 31 | 165 | 106 | 57 | 180 | 35 | 240 | 270 | 322 | 110 | 72 | 197 | 103 | 41 | 24.4 |
| UCT320 | 4/9 | 48 | 32 | 175 | 115 | 59 | 200 | 35 | 260 | 290 | 345 | 120 | 75 | 210 | 108 | 42 | 30.6 |
| UCT321 | 4/14 | 48 | 32 | 175 | 115 | 59 | 200 | 35 | 260 | 290 | 345 | 120 | 75 | 210 | 112 | 44 | 30.2 |
| UCT322 | 4/19 | 52 | 38 | 185 | 125 | 65 | 215 | 38 | 285 | 320 | 385 | 130 | 80 | 235 | 117 | 46 | 38.8 |
| UCT324 | 4/29 | 60 | 42 | 210 | 140 | 70 | 230 | 45 | 320 | 355 | 432 | 140 | 90 | 267 | 126 | 51 | 54.6 |
| UCT326 | 5/9 | 65 | 45 | 220 | 150 | 75 | 240 | 50 | 350 | 385 | 465 | 150 | 100 | 285 | 135 | 54 | 68.4 |
| UCT328 | 5/19 | 70 | 50 | 230 | 160 | 80 | 255 | 50 | 380 | 415 | 515 | 155 | 100 | 315 | 145 | 59 | 83.2 |

| Номер блока | Диаметр вала | Размеры (мм) | Вес (кг) |
|||||||||||||||
| d | N1 | L2 | H2 | N2 | N | L3 | A1 | H1 | H | L | A | A2 | L1 | B | S | |||
| (in) | (mm) | |||||||||||||||||
| UCST201 | 12 | 16 | 10 | 51 | 32 | 19 | 51 | 13.5 | 76 | 89 | 94 | 32 | 21 | 61 | 31 | 12.7 | 0.8 | |
| UCST201-8 | 1/2 | 16 | 10 | 51 | 32 | 19 | 51 | 13.5 | 76 | 89 | 94 | 32 | 21 | 61 | 31 | 12.7 | 0.8 | |
| UCST202 | 15 | 16 | 10 | 51 | 32 | 19 | 51 | 13.5 | 76 | 89 | 94 | 32 | 21 | 61 | 31 | 12.7 | 0.8 | |
| UCST202-10 | 5/8 | 16 | 10 | 51 | 32 | 19 | 51 | 13.5 | 76 | 89 | 94 | 32 | 21 | 61 | 31 | 12.7 | 0.8 | |
| UCST203 | 17 | 16 | 10 | 51 | 32 | 19 | 51 | 13.5 | 76 | 89 | 94 | 32 | 21 | 61 | 31 | 12.7 | 0.8 | |
| UCST203-11 | 11/16 | 16 | 10 | 51 | 32 | 19 | 51 | 13.5 | 76 | 89 | 94 | 32 | 21 | 61 | 31 | 12.7 | 0.8 | |
| UCST204 | 20 | 16 | 10 | 51 | 32 | 19 | 51 | 13.5 | 76 | 89 | 94 | 32 | 21 | 61 | 31 | 12.7 | 0.8 | |
| UCST204-12 | 3/4 | 16 | 10 | 51 | 32 | 19 | 51 | 13.5 | 76 | 89 | 94 | 32 | 21 | 61 | 31 | 12.7 | 0.8 | |
| UCST205 | 25 | 16 | 10 | 51 | 32 | 19 | 51 | 13.5 | 76 | 89 | 97 | 32 | 24 | 62 | 34 | 14.3 | 0.8 | |
| UCST205-14 | 7/8 | 16 | 10 | 51 | 32 | 19 | 51 | 13.5 | 76 | 89 | 97 | 32 | 24 | 62 | 34 | 14.3 | 0.8 | |
| UCST205-15 | 15/16 | 16 | 10 | 51 | 32 | 19 | 51 | 13.5 | 76 | 89 | 97 | 32 | 24 | 62 | 34 | 14.3 | 0.8 | |
| UCST205-16 | 1/1 | 16 | 10 | 51 | 32 | 19 | 51 | 13.5 | 76 | 89 | 97 | 32 | 24 | 62 | 34 | 14.3 | 0.8 | |
| UCST206 | 30 | 16 | 10 | 56 | 37 | 22 | 57 | 13.5 | 89 | 102 | 113 | 37 | 28 | 70 | 38.1 | 15.9 | 1.26 | |
| UCST206-17 | 1/16 | 16 | 10 | 56 | 37 | 22 | 57 | 13.5 | 89 | 102 | 113 | 37 | 28 | 70 | 38.1 | 15.9 | 1.26 | |
| UCST206-18 | 1/8 | 16 | 10 | 56 | 37 | 22 | 57 | 13.5 | 89 | 102 | 113 | 37 | 28 | 70 | 38.1 | 15.9 | 1.26 | |
| UCST206-19 | 3/16 | 16 | 10 | 56 | 37 | 22 | 57 | 13.5 | 89 | 102 | 113 | 37 | 28 | 70 | 38.1 | 15.9 | 1.26 | |
| UCST206-20 | 1/4 | 16 | 10 | 56 | 37 | 22 | 57 | 13.5 | 89 | 102 | 113 | 37 | 28 | 70 | 38.1 | 15.9 | 1.26 | |
| UCST207 | 35 | 16 | 13 | 64 | 37 | 22 | 64 | 13.5 | 89 | 102 | 129 | 37 | 30 | 78 | 42.9 | 17.5 | 1.68 | |
| UCST207-20 | 1/4 | 16 | 13 | 64 | 37 | 22 | 64 | 13.5 | 89 | 102 | 129 | 37 | 30 | 78 | 42.9 | 17.5 | 1.68 | |
| UCST207-21 | 5/16 | 16 | 13 | 64 | 37 | 22 | 64 | 13.5 | 89 | 102 | 129 | 37 | 30 | 78 | 42.9 | 17.5 | 1.68 | |
| UCST207-22 | 3/8 | 16 | 13 | 64 | 37 | 22 | 64 | 13.5 | 89 | 102 | 129 | 37 | 30 | 78 | 42.9 | 17.5 | 1.68 | |
| UCST207-23 | 7/16 | 16 | 13 | 64 | 37 | 22 | 64 | 13.5 | 89 | 102 | 129 | 37 | 30 | 78 | 42.9 | 17.5 | 1.68 | |
| UCST208 | 40 | 19 | 16 | 83 | 49 | 29 | 83 | 17.5 | 102 | 114 | 144 | 49 | 33 | 88 | 49.2 | 19 | 2.28 | |
| UCST208-24 | 1/2 | 19 | 16 | 83 | 49 | 29 | 83 | 17.5 | 102 | 114 | 144 | 49 | 33 | 88 | 49.2 | 19 | 2.28 | |
| UCST208-25 | 9/16 | 19 | 16 | 83 | 49 | 29 | 83 | 17.5 | 102 | 114 | 144 | 49 | 33 | 88 | 49.2 | 19 | 2.28 | |
| UCST209 | 45 | 19 | 16 | 83 | 49 | 29 | 83 | 17.5 | 102 | 117 | 144 | 49 | 35 | 87 | 49.2 | 19 | 2.52 | |
| UCST209-26 | 5/8 | 19 | 16 | 83 | 49 | 29 | 83 | 17.5 | 102 | 117 | 144 | 49 | 35 | 87 | 49.2 | 19 | 2.52 | |
| UCST209-27 | 11/16 | 19 | 16 | 83 | 49 | 29 | 83 | 17.5 | 102 | 117 | 144 | 49 | 35 | 87 | 49.2 | 19 | 2.52 | |
| UCST209-28 | 3/4 | 19 | 16 | 83 | 49 | 29 | 83 | 17.5 | 102 | 117 | 144 | 49 | 35 | 87 | 49.2 | 19 | 2.52 | |
| UCST210 | 50 | 19 | 16 | 83 | 49 | 29 | 86 | 17.5 | 102 | 117 | 149 | 49 | 37 | 90 | 51.6 | 19 | 2.75 | |
| UCST210-30 | 7/8 | 19 | 16 | 83 | 49 | 29 | 86 | 17.5 | 102 | 117 | 149 | 49 | 37 | 90 | 51.6 | 19 | 2.75 | |
| UCST210-31 | 1-15/16 | 19 | 16 | 83 | 49 | 29 | 86 | 17.5 | 102 | 117 | 149 | 49 | 37 | 90 | 51.6 | 19 | 2.75 | |
| UCST210-32 | 1/2 | 19 | 16 | 83 | 49 | 29 | 86 | 17.5 | 102 | 117 | 149 | 49 | 37 | 90 | 51.6 | 19 | 2.75 | |
| UCST211 | 55 | 25 | 19 | 102 | 64 | 35 | 95 | 27 | 130 | 146 | 171 | 64 | 38 | 106 | 55.6 | 22.2 | 4.1 | |
| UCST211-32 | 1/2 | 25 | 19 | 102 | 64 | 35 | 95 | 27 | 130 | 146 | 171 | 64 | 38 | 106 | 55.6 | 22.2 | 4.1 | |
| UCST211-34 | 1/8 | 25 | 19 | 102 | 64 | 35 | 95 | 27 | 130 | 146 | 171 | 64 | 38 | 106 | 55.6 | 22.2 | 4.1 | |
| UCST211-35 | 3/16 | 25 | 19 | 102 | 64 | 35 | 95 | 27 | 130 | 146 | 171 | 64 | 38 | 106 | 55.6 | 22.2 | 4.1 | |
| UCST212 | 60 | 32 | 19 | 102 | 64 | 35 | 102 | 27 | 130 | 146 | 194 | 64 | 42 | 119 | 65.1 | 25.4 | 4.9 | |
| UCST212-36 | 1/4 | 32 | 19 | 102 | 64 | 35 | 102 | 27 | 130 | 146 | 194 | 64 | 42 | 119 | 65.1 | 25.4 | 4.9 | |
| UCST212-38 | 3/8 | 32 | 19 | 102 | 64 | 35 | 102 | 27 | 130 | 146 | 194 | 64 | 42 | 119 | 65.1 | 25.4 | 4.9 | |
| UCST212-39 | 7/16 | 32 | 19 | 102 | 64 | 35 | 102 | 27 | 130 | 146 | 194 | 64 | 42 | 119 | 65.1 | 25.4 | 4.9 | |
0+
годы
Опыт работы в отрасли
0+
Разнообразие моделей
0+
Количество сотрудников
0
$
Годовая стоимость экспорта
Период проведения: 8–11 июля 2024 г.Место проведения: Екатеринбург, РоссияНомер стенда: IS37Периодичность: ЕжегодноОрганизатор: Министерство промышленности и торговли Российской ФедерацииО выставкеМеж...
Применение подшипников в металлургической промышленностиОбласти применения подшипников в металлургической отрасли охватывают следующие ключевые направления:1.Прокатное оборудованиеПрокатное оборудован...
Двигатель является ядром промышленного оборудования, а подшипник качения — ключевым механическим компонентом, который воспринимает все нагрузки и напряжения, возникающие в процессе его работы. Диагнос...
Из надежных источников корреспонденту стало известно, что государственный план корректировки политики по возмещению экспортных налоговых сборов утвержден и, весьма вероятно, будет опубликован 1 октябр...