Перекрестные роликовые подшипники XSU (интегрированные внутреннее и внешнее кольца)
Перекрестные роликовые подшипники серии XSU оснащены монтажными отверстиями, выполненными как на внутреннем, так и на внешнем кольцах — это исключает необходимость применения дополнительных монтажных фланцев и опорных седел. Интегрированная конструкция колец гарантирует отсутствие влияния монтажных операций на эксплуатационные характеристики подшипника, обеспечивая стабильную точность вращения и постоянство выходного крутящего момента. Подшипник предназначен для эксплуатации при вращении как внешнего, так и внутреннего кольца.
Конструктивные особенности
·Использует конфигурацию перекрестных цилиндрических роликов, расположенных перпендикулярно друг другу в V-образных дорожках качения под углом 90° и разделенных изолирующими блоками. Это позволяет одновременно воспринимать радиальные, осевые и опрокидывающие моменты.
·Компактные размеры внутреннего и внешнего колец, ультратонкая конструкция, приближающаяся к физическим пределам миниатюризации, сочетает высокую жесткость с классами точности P5, P4 и P2.
Области применения
Подходит для суставов и вращающихся узлов промышленных роботов, поворотных столов обрабатывающих центров, прецизионных поворотных платформ, а также для высококачественного оборудования в медицинских приборах, военной технике и на заводах по производству микросхем.

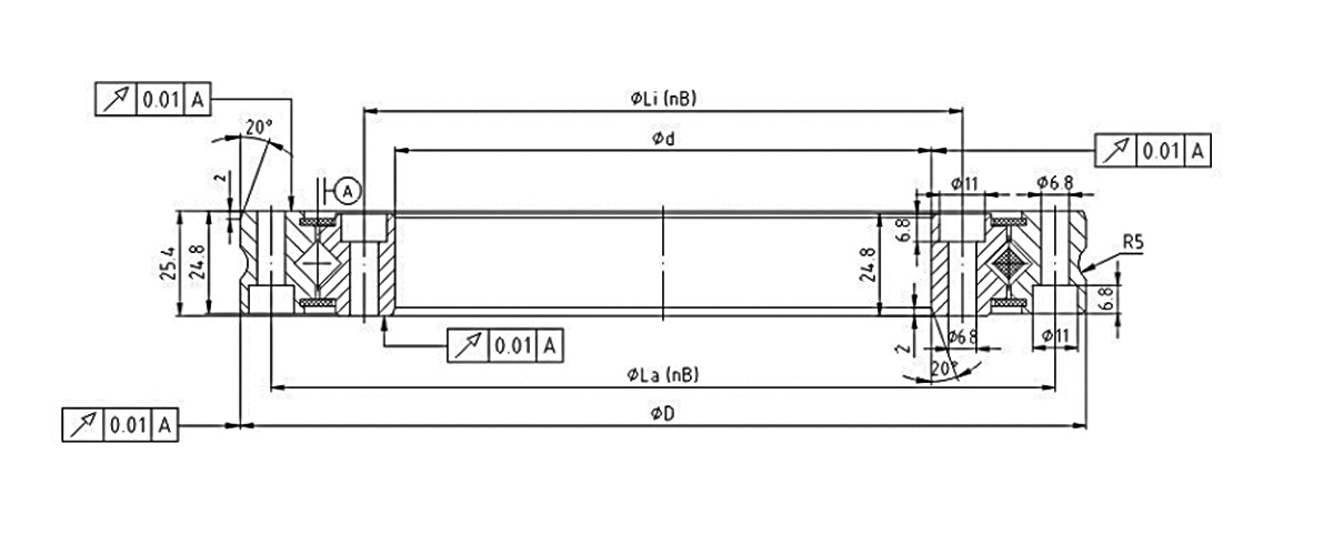
| № подшипника. | Базовый размер (мм) |
Размер монтажного отверстия (мм) |
Базовая грузоподъемность (Кн) | Вес | ||||||||
| Осевая нагрузка | Радиальная нагрузка | |||||||||||
| D | d | Di | da | La | Li | nB | Сa динамическая нагрузка | Статическая нагрузка Coa | Cr динамическая нагрузка | Статическая нагрузка Cor | кг | |
| XSU080168 | 205 | 130 | 174 | 159 | 190 | 145 | 12 | 66 | 240 | 42 | 119 | 3.3 |
| XSU080188 | 225 | 150 | 194 | 179 | 210 | 165 | 16 | 71 | 275 | 46 | 133 | 3.7 |
| XSU080218 | 255 | 180 | 224 | 208 | 240 | 195 | 20 | 77 | 315 | 49 | 154 | 4.3 |
| XSU080258 | 295 | 220 | 264 | 249 | 280 | 235 | 24 | 84 | 375 | 54 | 182 | 5.1 |
| XSU080318 | 355 | 280 | 324 | 309 | 340 | 295 | 28 | 93 | 465 | 59 | 223 | 6.3 |
| XSU080398 | 435 | 360 | 404 | 389 | 420 | 375 | 36 | 106 | 590 | 68 | 285 | 7.8 |

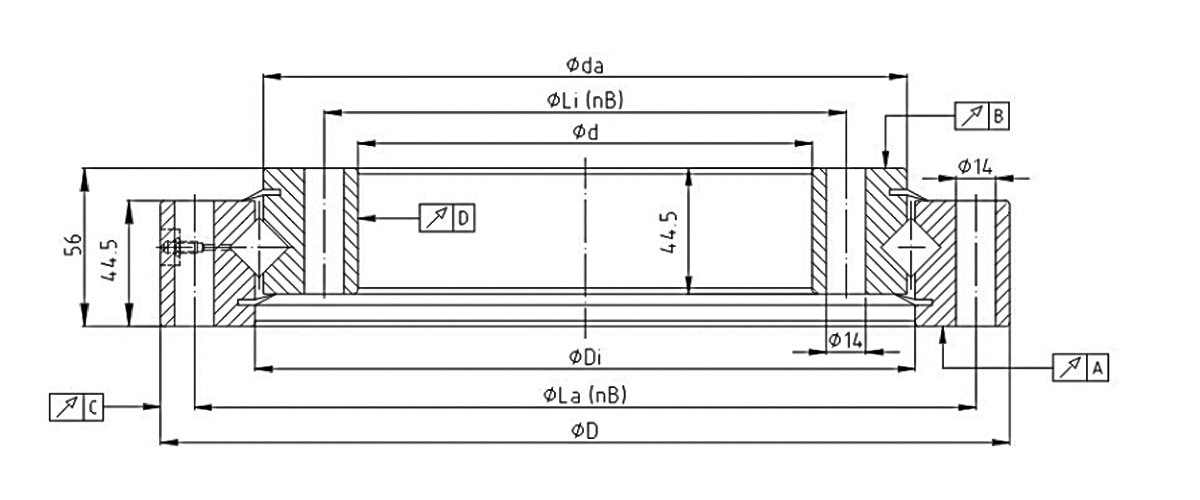
| № подшипника. | Размер монтажного отверстия (мм) |
Точность вращения | Внутренний зазор | Вес | |||||||||
| Da | d | La | nB | Li | Di | da | A | B | C | D | Предварительная загрузка | кг | |
| XSU140414 | 484 | 344 | 460 | 24 | 368 | 415 | 413 | 0.04 | 0.04 | 0.06 | 0.06 | 0,01-0,03 | 28 |
| XSU140544 | 614 | 474 | 590 | 32 | 498 | 545 | 543 | 0.04 | 0.04 | 0.07 | 0.07 | 0,01-0,03 | 38 |
| XSU140644 | 714 | 574 | 690 | 36 | 598 | 645 | 643 | 0.05 | 0.05 | 0.08 | 0.08 | 0,01-0,04 | 44 |
| XSU140744 | 814 | 674 | 790 | 40 | 698 | 745 | 743 | 0.05 | 0.05 | 0.09 | 0.09 | 0,01-0,04 | 52 |
| XSU140844 | 914 | 774 | 890 | 40 | 798 | 845 | 843 | 0.06 | 0.06 | 0.09 | 0.09 | 0,01-0,04 | 60 |
| XSU140944 | 1014 | 874 | 990 | 44 | 898 | 945 | 943 | 0.06 | 0.06 | 0.11 | 0.11 | 0,01-0,05 | 67 |
| XSU141094 | 1164 | 1024 | 1140 | 48 | 1048 | 1095 | 1093 | 0.07 | 0.07 | 0.11 | 0.11 | 0,01-0,05 | 77 |
0+
годы
Опыт работы в отрасли
0+
Разнообразие моделей
0+
Количество сотрудников
0
$
Годовая стоимость экспорта
Период проведения: 8–11 июля 2024 г.Место проведения: Екатеринбург, РоссияНомер стенда: IS37Периодичность: ЕжегодноОрганизатор: Министерство промышленности и торговли Российской ФедерацииО выставкеМеж...
Применение подшипников в металлургической промышленностиОбласти применения подшипников в металлургической отрасли охватывают следующие ключевые направления:1.Прокатное оборудованиеПрокатное оборудован...
Двигатель является ядром промышленного оборудования, а подшипник качения — ключевым механическим компонентом, который воспринимает все нагрузки и напряжения, возникающие в процессе его работы. Диагнос...
Из надежных источников корреспонденту стало известно, что государственный план корректировки политики по возмещению экспортных налоговых сборов утвержден и, весьма вероятно, будет опубликован 1 октябр...