Как внутреннее, так и внешнее кольца представляют собой цельные конструкции, и установка практически не влияет на производительность, обеспечивая стабильную точность вращения и крутящий момент. Они очень просты в использовании и подходят для различных серий преобразователей гармоник СВЧ.
Особенности продукта
Настраиваемые высокоточные, жесткие опорные подшипники с высокой грузоподъемностью.
Преимущества СВФ(Г):
Характеризуется высоким крутящим моментом, высокой жесткостью, высокой точностью позиционирования, высокой точностью вращения, высокой эффективностью, высокой стабильностью, сверхмалыми размерами и сверхлегким весом.
Широкие применения
Промышленная автоматизация и роботизированные суставы рук, роботы-гуманоиды, оборудование для производства полупроводниковых ЖК-дисплеев, фотоэлектрическое оборудование, оптические инструменты, прецизионные станки и различные другие области.

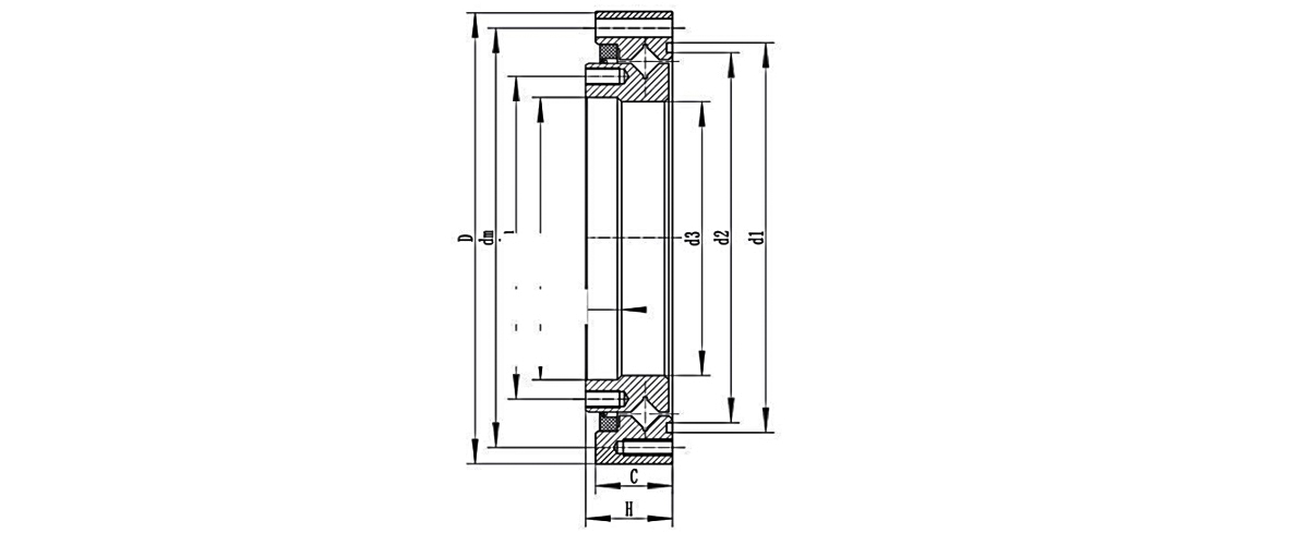
| Тип подшипника | Габаритный размер (мм) | Размер установочного отверстия (PСД&SPEC) | Базовая нагрузка | Вес | |||||||||
| Cr | Cor | ||||||||||||
| D | d | d3 | B | C | H | dm | dn | KN | KN | кг | |||
| SHF-14 | 70 | 38 | 35.6 | 13.7 | 14.1 | 15.1 | 64 | 8-φ3,5 | 44 | 12-М3 | 5.9 | 6.8 | 0.25 |
| SHF-17 | 80 | 47 | 44.2 | 16.4 | 16 | 17 | 74 | 12-φ3,4 | 54 | 20-М3 | 9.8 | 13.5 | 0.37 |
| SHF-20 | 90 | 54 | 51.3 | 17.5 | 17.5 | 18.5 | 84 | 12-φ3,5 | 62 | 16-М3 | 18.5 | 25.6 | 0.48 |
| SHF-25 | 110 | 67 | 64.2 | 19.7 | 18.7 | 20.7 | 102 | 12-φ4,5 | 77 | 16-М4 | 20.6 | 28.9 | 0.76 |
| SHF-32 | 142 | 88 | 84 | 23.4 | 23.4 | 24.4 | 132 | 12-φ5,5 | 100 | 16-М5 | 29.8 | 46.3 | 1.65 |
| SHF-40 | 170 | 108 | 106 | 28.5 | 29 | 30 | 158 | 12-φ6,5 | 122 | 16-М6 | 45.6 | 70.5 | 2.68 |
| SHF-50 | 214 | 135 | 129 | 34.5 | 34 | 36 | 200 | 12-φ9 | 154 | 16-М8 | 75.2 | 147.8 | 5.11 |
0+
годы
Опыт работы в отрасли
0+
Разнообразие моделей
0+
Количество сотрудников
0
$
Годовая стоимость экспорта
Период проведения: 8–11 июля 2024 г.Место проведения: Екатеринбург, РоссияНомер стенда: IS37Периодичность: ЕжегодноОрганизатор: Министерство промышленности и торговли Российской ФедерацииО выставкеМеж...
Применение подшипников в металлургической промышленностиОбласти применения подшипников в металлургической отрасли охватывают следующие ключевые направления:1.Прокатное оборудованиеПрокатное оборудован...
Двигатель является ядром промышленного оборудования, а подшипник качения — ключевым механическим компонентом, который воспринимает все нагрузки и напряжения, возникающие в процессе его работы. Диагнос...
Из надежных источников корреспонденту стало известно, что государственный план корректировки политики по возмещению экспортных налоговых сборов утвержден и, весьма вероятно, будет опубликован 1 октябр...