Высокомоментные перекрестные роликовые подшипники XSU (с интегрированными внутренним и внешним кольцами) оснащены заводской обработкой монтажных отверстий, что исключает необходимость применения дополнительных фланцев и опорных седел.
Благодаря интегрированной конструкции колец с надежным креплением, монтаж практически не влияет на эксплуатационные характеристики, обеспечивая стабильную точность вращения и постоянство крутящего момента.
Подшипник подходит для эксплуатации как с вращающимся внешним, так и с вращающимся внутренним кольцом.
Особенности продукта
1. Точность до классов P4 и P2;
2. Высокая жесткость: все подшипники этой серии имеют предварительный натяг;
3. Высокая грузоподъемность: выдерживает осевые, радиальные и опрокидывающие нагрузки;
4. Компактный размер: этот подшипник компактен, что экономит место в станке.
5. Крупногабаритные высоконагруженные высокоточные подшипники с монтажными отверстиями.
Применение продукта
Станки с ЧПУ, промышленные роботы, поворотные столы с ЧПУ, вертикальные токарные станки с ЧПУ, прецизионные поворотные столы, испытательные инструменты, прецизионное оборудование, соединения и вращающиеся части промышленных роботов, прецизионные поворотные рабочие столы, медицинские машины, калькуляторы, оборудование для производства микросхем и т. д.

| № подшипника. | Рисование Номер |
Вес кг |
Размеры (мм) | |||||||||
| Da | Dazt | di | dizr | Di | da | H | h | T | t | |||
| XU050077 | 1 | 1 | 112 | - | 40 | - | 77.5 | 74 | 22 | 21 | - | - |
| XU060094 | 1 | 2 | 140 | - | 57 | - | 94.6 | 93.4 | 26 | 25 | - | - |
| XU060111 | 2 | 1 | 145.79 | - | 76.2 | - | 11.8 | - | 15. | 87 - | - | - |
| XU080120 | 3 | 4 | 170 | - | 69 | - | 120.6 | 119.4 | 30 | - | - | - |
| XU080149 | 4 | 4 | 196.85 | - | 101.6 | - | 149.6 | - | 22. | 2222.22 | - | - |
| XU120179 | 5 | 7 | 234 | 232 | 124.5 | 126.5 | 180±0,2 | 178±0,2 | 35 | 30 | 5 | 5 |
| XU120222 | 6 | 12 | 300 | - | 140 | - | 224 | 220 | 36 | 30 | - | - |
| XU160260 | 5 | 16 | 329 | 327 | 191 | 193 | 261 | 259 | 46 | 41 | 7 | 7 |
| XU080264 | 7 | 7 | 311 | - | 216 | - | 265 | 263 | 25 | 25 | - | - |
| XU160405 | 5 | 25 | 474 | 472 | 336 | 338 | 406 | 404 | 26 | 41 | 7 | 7 |
| XU080430 | 8 | 12 | 480 | - | 380 | - | 431 | 429 | 26 | 26 | - | - |
| XU300515 | 5 | 115 | 646 | 644 | 384 | 386 | 516 | 514 | 86 | 79 | 12 | 12 |

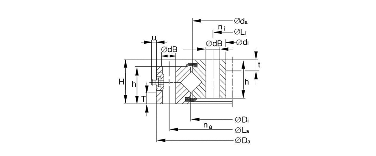
| № подшипника. | Вес | Установочные размеры | |||||||||
| кг | Da | di | La | dB | na | Li | H | h | da | Di | |
| XU160220 | 16 | 302 | 138 | 270 | 18 | 10 | 170 | 46 | 41 | 219 | 221 |
| XU180380 | 45 | 485 | 275 | 453 | 18 | 16 | 307 | 55 | 50 | 379 | 381 |
| XU180412 | 40 | 501 | 324 | 469 | 18 | 18 | 356 | 55 | 50 | 411 | 413 |
| XU180433 | 42 | 522 | 344 | 490 | 18 | 20 | 376 | 55 | 50 | 432 | 434 |
| XU220460 | 64 | 568 | 356 | 524 | 22 | 18 | 396 | 64 | 59 | 459 | 461 |
| XU180475 | 46 | 562 | 388 | 530 | 18 | 20 | 420 | 55 | 50 | 474 | 476 |
| XU240545 | 94 | 655 | 435 | 615 | 22 | 24 | 475 | 79 | 72 | 544 | 546 |
| XU220574 | 82 | 680 | 468 | 640 | 22 | 20 | 508 | 68 | 61 | 573 | 575 |
| XU300586 | 115 | 704 | 468 | 664 | 22 | 36 | 508 | 86 | 79 | 585 | 587 |
| XU280680 | 120 | 795 | 565 | 755 | 22 | 30 | 605 | 79 | 72 | 679 | 681 |
| XU300785 | 155 | 900 | 670 | 860 | 22 | 36 | 710 | 86 | 79 | 784 | 786 |
| XU260823 | 140 | 933 | 713 | 893 | 22 | 36 | 753 | 79 | 72 | 822 | 824 |
| XU160897 | 67 | 976 | 818 | 944 | 18 | 36 | 850 | 50 | 43 | 896 | 898 |
0+
годы
Опыт работы в отрасли
0+
Разнообразие моделей
0+
Количество сотрудников
0
$
Годовая стоимость экспорта
Период проведения: 8–11 июля 2024 г.Место проведения: Екатеринбург, РоссияНомер стенда: IS37Периодичность: ЕжегодноОрганизатор: Министерство промышленности и торговли Российской ФедерацииО выставкеМеж...
Применение подшипников в металлургической промышленностиОбласти применения подшипников в металлургической отрасли охватывают следующие ключевые направления:1.Прокатное оборудованиеПрокатное оборудован...
Двигатель является ядром промышленного оборудования, а подшипник качения — ключевым механическим компонентом, который воспринимает все нагрузки и напряжения, возникающие в процессе его работы. Диагнос...
Из надежных источников корреспонденту стало известно, что государственный план корректировки политики по возмещению экспортных налоговых сборов утвержден и, весьма вероятно, будет опубликован 1 октябр...