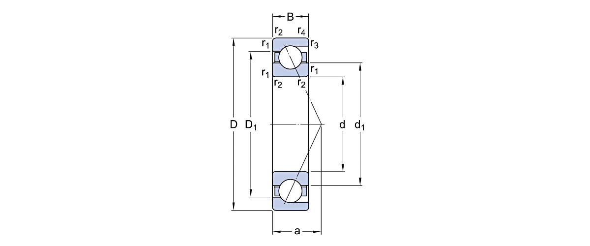
Ключевые характеристики и преимущества
·Высокая грузоподъемность и жесткость: Благодаря конструкции, позволяющей разместить больше тел качения (шариков), чем в радиальных шарикоподшипниках, они обладают большей несущей способностью и более высокой жесткостью при одинаковых габаритах.
·Комбинированная нагрузочная способность: Способны одновременно воспринимать радиальные и однонаправленные осевые нагрузки. Регулировка угла контакта позволяет изменять соотношение радиальной и осевой грузоподъемности.
·Подходят для высоких скоростей и точности: Идеально подходят для приложений с высокими скоростями вращения и высокоточным позиционированием, например, для шпинделей станков.
·Гибкость монтажа: Можно устанавливать как поодиночке, так и парами (в схемах «спина к спине», «лицом к лицу» или «тандем») для восприятия двунаправленных осевых нагрузок и повышения жесткости. Процесс установки и настройки прост.
·Отличные эксплуатационные характеристики: Обладают высокими показателями ускорения и замедления, обеспечивая быстрый старт и остановку механизма.

| Основные размеры |
Базовая грузоподъемность |
Рейтинги скорости |
Масса |
Модель |
| динамичный |
статический |
Эталонная скорость |
Ограничение скорости |
Номер подшипника. |
| d [мм] |
D [мм] |
B [мм] |
C [kN] |
C0 [kN] |
[r/мин] |
[r/мин] |
[кг] |
| 10 |
30 |
9 |
6.318 |
3.015 |
27000 |
27000 |
0.036 |
7200 BECBP Подшипник |
| 10 |
30 |
9 |
6.318 |
3.015 |
27000 |
27000 |
0.03 |
7200 BEP Подшипник |
| 12 |
32 |
10 |
6.849 |
3.42 |
25200 |
23400 |
0.036 |
7201 BECBP Подшипник |
| 12 |
32 |
10 |
6.849 |
3.42 |
25200 |
23400 |
0.036 |
7201 BEGAP Подшипник |
| 12 |
32 |
10 |
6.849 |
3.42 |
25200 |
23400 |
0.036 |
7201 BEP Подшипник |
| 12 |
37 |
12 |
9.54 |
4.5 |
23400 |
18000 |
0.06 |
7301 BE-2RZP Подшипник |
| 12 |
37 |
12 |
9.54 |
4.5 |
23400 |
21600 |
0.06 |
7301 BEP Подшипник |
| 15 |
35 |
11 |
7.488 |
3.96 |
21600 |
18000 |
0.045 |
7202 BE-2RZP Подшипник |
| 15 |
35 |
11 |
7.488 |
3.96 |
21600 |
21600 |
0.045 |
7202 BEP Подшипник |
| 15 |
35 |
11 |
7.92 |
4.185 |
21600 |
23400 |
0.045 |
7202 BECBP Подшипник |
| 15 |
35 |
11 |
7.92 |
4.185 |
21600 |
23400 |
0.045 |
7202 BEGAP Подшипник |
| 15 |
35 |
11 |
7.92 |
4.185 |
21600 |
23400 |
0.045 |
7202 BEGBP Подшипник |
| 15 |
35 |
11 |
9.18 |
4.68 |
23400 |
36000 |
0.045 |
7202 ACCBM Подшипник |
| 15 |
42 |
13 |
11.7 |
6.03 |
19800 |
15300 |
0.082 |
7302 BE-2RZP Подшипник |
| 15 |
42 |
13 |
11.7 |
6.03 |
19800 |
18000 |
0.08 |
7302 BECBP Подшипник |
| 15 |
42 |
13 |
11.7 |
6.03 |
19800 |
18000 |
0.08 |
7302 BEP Подшипник |
| 17 |
40 |
12 |
9.36 |
4.95 |
18000 |
18000 |
0.065 |
7203 BEY Подшипник |
| 17 |
40 |
12 |
9.36 |
4.95 |
19800 |
15300 |
0.063 |
7203 BE-2RZP Подшипник |
| 17 |
40 |
12 |
9.36 |
4.95 |
19800 |
18000 |
0.065 |
7203 BEP Подшипник |
| 17 |
40 |
12 |
9.9 |
5.265 |
19800 |
19800 |
0.065 |
7203 BECBP Подшипник |
| 17 |
40 |
12 |
9.9 |
5.265 |
19800 |
19800 |
0.065 |
7203 BEGAP Подшипник |
| 17 |
40 |
12 |
9.9 |
5.265 |
19800 |
25200 |
0.065 |
7203 BECBM Подшипник |
| 17 |
40 |
12 |
11.25 |
6.03 |
21600 |
30600 |
0.065 |
7203 ACCBM Подшипник |
| 17 |
47 |
14 |
14.31 |
7.47 |
18000 |
13500 |
0.1 |
7303 BE-2RZP Подшипник |
| 17 |
47 |
14 |
14.31 |
7.47 |
18000 |
17100 |
0.11 |
7303 BECBP Подшипник |
| 17 |
47 |
14 |
14.31 |
7.47 |
18000 |
17100 |
0.11 |
7303 BEGAP Подшипник |
| 17 |
47 |
14 |
14.31 |
7.47 |
18000 |
17100 |
0.11 |
7303 BEP Подшипник |
| 20 |
47 |
14 |
11.97 |
6.885 |
17100 |
12600 |
0.15 |
7204 BE-2RZP Подшипник |
| 20 |
47 |
14 |
11.97 |
6.885 |
17100 |
16200 |
0.11 |
7204 BEP Подшипник |
| Основные размеры |
Базовая грузоподъемность |
Рейтинги скорости |
Масса |
Модель |
| динамичный |
статический |
Эталонная скорость |
Ограничение скорости |
Номер подшипника. |
| d [мм] |
D [мм] |
B [мм] |
C [kN] |
C0 [kN] |
[r/мин] |
[r/мин] |
[кг] |
| 20 |
47 |
14 |
12.87 |
7.335 |
17100 |
17100 |
0.11 |
7204 BECBJ Подшипник |
| 20 |
47 |
14 |
12.87 |
7.335 |
17100 |
17100 |
0.11 |
7204 BECBP Подшипник |
| 20 |
47 |
14 |
12.87 |
7.335 |
17100 |
17100 |
0.11 |
7204 BECBPH Подшипник |
| 20 |
47 |
14 |
12.87 |
7.335 |
17100 |
17100 |
0.11 |
7204 BECBY Подшипник |
| 20 |
47 |
14 |
12.87 |
7.335 |
17100 |
17100 |
0.11 |
7204 BEGAP Подшипник |
| 20 |
47 |
14 |
12.87 |
7.335 |
17100 |
17100 |
0.11 |
7204 BEGBP Подшипник |
| 20 |
47 |
14 |
12.87 |
7.335 |
17100 |
21600 |
0.11 |
7204 BECBM Подшипник |
| 20 |
47 |
14 |
14.4 |
8.37 |
18000 |
27000 |
0.11 |
7204 ACCBM Подшипник |
| 20 |
52 |
15 |
15.66 |
8.55 |
15300 |
11700 |
0.14 |
7304 BE-2RZP Подшипник |
| 20 |
52 |
15 |
15.66 |
8.55 |
15300 |
14400 |
0.14 |
7304 BEP Подшипник |
| 20 |
52 |
15 |
17.1 |
9 |
15300 |
16200 |
0.14 |
7304 BECBP Подшипник |
| 20 |
52 |
15 |
17.1 |
9 |
15300 |
16200 |
0.14 |
7304 BECBPH Подшипник |
| 20 |
52 |
15 |
17.1 |
9 |
15300 |
16200 |
0.14 |
7304 BEGAP Подшипник |
| 20 |
52 |
15 |
17.1 |
9 |
15300 |
16200 |
0.14 |
7304 BEGBP Подшипник |
| 20 |
52 |
15 |
17.1 |
9 |
15300 |
19800 |
0.14 |
7304 BECBM Подшипник |
| 20 |
52 |
15 |
17.1 |
9 |
16200 |
16200 |
0.14 |
7304 BECBY Подшипник |
| 20 |
52 |
15 |
18.72 |
10.08 |
17100 |
23400 |
0.14 |
7304 ACCBM Подшипник |
| 25 |
52 |
15 |
13.32 |
8.37 |
14400 |
10800 |
0.13 |
7205 BE-2RZP Подшипник |
| 25 |
52 |
15 |
13.32 |
8.37 |
14400 |
13500 |
0.13 |
7205 BEP Подшипник |
| 25 |
52 |
15 |
13.32 |
8.37 |
14400 |
13500 |
0.13 |
7205 BEY Подшипник |
| 25 |
52 |
15 |
14.04 |
9 |
14400 |
15300 |
0.13 |
7205 BECBP Подшипник |
| 25 |
52 |
15 |
14.04 |
9 |
14400 |
15300 |
0.13 |
7205 BECBPH Подшипник |
| 25 |
52 |
15 |
14.04 |
9 |
14400 |
15300 |
0.13 |
7205 BECBY Подшипник |
| 25 |
52 |
15 |
14.04 |
9 |
14400 |
15300 |
0.13 |
7205 BEGAP Подшипник |
| 25 |
52 |
15 |
14.04 |
9 |
14400 |
15300 |
0.13 |
7205 BEGAY Подшипник |
| 25 |
52 |
15 |
14.04 |
9 |
14400 |
15300 |
0.13 |
7205 BEGBY Подшипник |
| 25 |
52 |
15 |
14.04 |
9 |
14400 |
18000 |
0.13 |
7205 BECBM Подшипник |
| 25 |
52 |
15 |
16.2 |
10.26 |
15300 |
23400 |
0.13 |
7205 ACCBM Подшипник |
| 25 |
62 |
17 |
21.78 |
12.6 |
12600 |
9900 |
0.23 |
7305 BE-2RZP Подшипник |
| 25 |
62 |
17 |
21.78 |
12.6 |
12600 |
12600 |
0.23 |
7305 BEP Подшипник |
| Основные размеры |
Базовая грузоподъемность |
Рейтинги скорости |
Масса |
Модель |
| динамичный |
статический |
Эталонная скорость |
Ограничение скорости |
Номер подшипника. |
| d [мм] |
D [мм] |
B [мм] |
C [kN] |
C0 [kN] |
[r/мин] |
[r/мин] |
[кг] |
| 25 |
62 |
17 |
23.85 |
13.77 |
12600 |
13500 |
0.23 |
7305 BECBP Подшипник |
| 25 |
62 |
17 |
26.5 |
15.3 |
14000 |
15000 |
0.23 |
7305 BECBPH Подшипник |
| 25 |
62 |
17 |
26.5 |
15.3 |
14000 |
15000 |
0.23 |
7305 BECBY Подшипник |
| 25 |
62 |
17 |
26.5 |
15.3 |
14000 |
15000 |
0.23 |
7305 BEGAP Подшипник |
| 25 |
62 |
17 |
26.5 |
15.3 |
14000 |
15000 |
0.23 |
7305 BEGBP Подшипник |
| 25 |
62 |
17 |
26.5 |
15.3 |
14000 |
15000 |
0.23 |
7305 BEGBY Подшипник |
| 25 |
62 |
17 |
26.5 |
15.3 |
14000 |
19000 |
0.23 |
7305 BECBM Подшипник |
| 25 |
62 |
17 |
29 |
17 |
15000 |
22000 |
0.23 |
7305 ACCBM Подшипник |
| 25 |
80 |
21 |
39.7 |
23.6 |
11000 |
15000 |
0.61 |
7405 BCBM Подшипник |
| 25 |
80 |
21 |
39.7 |
23.6 |
11000 |
15000 |
0.61 |
7405 BM Подшипник |
| 30 |
62 |
16 |
22.5 |
14.3 |
13000 |
10000 |
0.2 |
7206 BE-2RZP Подшипник |
| 30 |
62 |
16 |
22.5 |
14.3 |
13000 |
13000 |
0.2 |
7206 BEP Подшипник |
| 30 |
62 |
16 |
24 |
15.6 |
13000 |
14000 |
0.2 |
7206 BECBP Подшипник |
| 30 |
62 |
16 |
24 |
15.6 |
13000 |
14000 |
0.2 |
7206 BECBPH Подшипник |
| 30 |
62 |
16 |
24 |
15.6 |
13000 |
14000 |
0.2 |
7206 BEGAP Подшипник |
| 30 |
62 |
16 |
24 |
15.6 |
13000 |
14000 |
0.2 |
7206 BEGBP Подшипник |
| 30 |
62 |
16 |
24 |
15.6 |
13000 |
18000 |
0.2 |
7206 BECBM Подшипник |
| 30 |
62 |
16 |
24 |
15.6 |
14000 |
14000 |
0.2 |
7206 BECBY Подшипник |
| 30 |
62 |
16 |
24 |
15.6 |
14000 |
14000 |
0.2 |
7206 BEGAJ Подшипник |
| 30 |
62 |
16 |
24 |
15.6 |
14000 |
14000 |
0.2 |
7206 BEGAY Подшипник |
| 30 |
62 |
16 |
27.5 |
17.3 |
15000 |
20000 |
0.2 |
7206 ACCBM Подшипник |
| 30 |
72 |
19 |
32.5 |
19.3 |
12000 |
9500 |
0.35 |
7306 BE-2RZP Подшипник |
| 30 |
72 |
19 |
32.5 |
19.3 |
12000 |
12000 |
0.35 |
7306 BEP Подшипник |
| 30 |
72 |
19 |
32.5 |
19.3 |
12000 |
16000 |
0.35 |
7306 BEGBM Подшипник |
| 30 |
72 |
19 |
35.5 |
21.2 |
12000 |
13000 |
0.35 |
7306 BECBP Подшипник |
| 30 |
72 |
19 |
35.5 |
21.2 |
12000 |
13000 |
0.35 |
7306 BEGAP Подшипник |
| 30 |
72 |
19 |
35.5 |
21.2 |
12000 |
13000 |
0.35 |
7306 BEGAPH Подшипник |
| 30 |
72 |
19 |
35.5 |
21.2 |
12000 |
13000 |
0.35 |
7306 BEGBP Подшипник |
| 30 |
72 |
19 |
35.5 |
21.2 |
12000 |
16000 |
0.35 |
7306 BECBM Подшипник |
| 30 |
72 |
19 |
35.5 |
21.2 |
12000 |
16000 |
0.35 |
7306 BEGAM Подшипник |
| Основные размеры |
Базовая грузоподъемность |
Рейтинги скорости |
Масса |
Модель |
| динамичный |
статический |
Эталонная скорость |
Ограничение скорости |
Номер подшипника. |
| d [мм] |
D [мм] |
B [мм] |
C [kN] |
C0 [kN] |
[r/мин] |
[r/мин] |
[кг] |
| 30 |
72 |
19 |
35.5 |
21.2 |
13000 |
13000 |
0.35 |
7306 BECBY Подшипник |
| 30 |
72 |
19 |
31.95 |
19.08 |
11700 |
11700 |
0.34 |
7306 BEGBY Подшипник |
| 30 |
72 |
19 |
35.1 |
21.24 |
11700 |
17100 |
0.34 |
7306 ACCBM Подшипник |
| 30 |
90 |
23 |
42.75 |
26.1 |
9000 |
11700 |
0.83 |
7406 BCBM Подшипник |
| 30 |
90 |
23 |
42.75 |
26.1 |
9000 |
11700 |
0.83 |
7406 BM Подшипник |
| 35 |
72 |
17 |
26.19 |
17.1 |
9900 |
8100 |
0.35 |
7207 BE-2RZP Подшипник |
| 35 |
72 |
17 |
26.19 |
17.1 |
9900 |
9900 |
0.35 |
7207 BEP Подшипник |
| 35 |
72 |
17 |
27.9 |
18.72 |
9900 |
10800 |
0.35 |
7207 BECBP Подшипник |
| 35 |
72 |
17 |
27.9 |
18.72 |
9900 |
10800 |
0.35 |
7207 BECBPH Подшипник |
| 35 |
72 |
17 |
27.9 |
18.72 |
9900 |
10800 |
0.35 |
7207 BEGAP Подшипник |
| 35 |
72 |
17 |
27.9 |
18.72 |
9900 |
10800 |
0.35 |
7207 BEGBP Подшипник |
| 35 |
72 |
17 |
27.9 |
18.72 |
9900 |
13500 |
0.35 |
7207 BECBM Подшипник |
| 35 |
72 |
17 |
27.9 |
18.72 |
9900 |
13500 |
0.35 |
7207 BEGAM Подшипник |
| 35 |
72 |
17 |
27.9 |
18.72 |
10800 |
10800 |
0.35 |
7207 BECBY Подшипник |
| 35 |
72 |
17 |
27.9 |
18.72 |
10800 |
10800 |
0.35 |
7207 BEGAY Подшипник |
| 35 |
72 |
17 |
27.9 |
18.72 |
10800 |
10800 |
0.35 |
7207 BEGBY Подшипник |
| 35 |
72 |
17 |
31.95 |
20.88 |
10800 |
16200 |
0.35 |
7207 ACCBM Подшипник |
| 35 |
80 |
21 |
35.1 |
22.05 |
9900 |
7650 |
0.45 |
7307 BE-2RZP Подшипник |
| 35 |
80 |
21 |
35.1 |
22.05 |
9900 |
9000 |
0.45 |
7307 BEP Подшипник |
| 35 |
80 |
21 |
37.35 |
23.85 |
9900 |
9900 |
0.45 |
7307 BECBP Подшипник |
| 35 |
80 |
21 |
37.35 |
23.85 |
9900 |
9900 |
0.45 |
7307 BECBY Подшипник |
| 35 |
80 |
21 |
37.35 |
23.85 |
9900 |
9900 |
0.45 |
7307 BEGAP Подшипник |
| 35 |
80 |
21 |
37.35 |
23.85 |
9900 |
9900 |
0.45 |
7307 BEGAPH Подшипник |
| 35 |
80 |
21 |
37.35 |
23.85 |
9900 |
9900 |
0.45 |
7307 BEGBP Подшипник |
| 35 |
80 |
21 |
37.35 |
23.85 |
9900 |
12600 |
0.45 |
7307 BECBM Подшипник |
| 35 |
80 |
21 |
37.35 |
23.85 |
9900 |
12600 |
0.45 |
7307 BEGAM Подшипник |
| 35 |
80 |
21 |
41.85 |
27 |
9900 |
15300 |
0.45 |
7307 ACCBM Подшипник |
| 35 |
100 |
25 |
54.45 |
34.2 |
8100 |
10800 |
1.1 |
7407 BCBM Подшипник |
| 35 |
100 |
25 |
54.45 |
34.2 |
8100 |
10800 |
1.1 |
7407 BM Подшипник |
| 40 |
80 |
18 |
31.05 |
21.6 |
9000 |
7200 |
0.42 |
7208 BE-2RZP Подшипник |
| Основные размеры |
Базовая грузоподъемность |
Рейтинги скорости |
Масса |
Модель |
| динамичный |
статический |
Эталонная скорость |
Ограничение скорости |
Номер подшипника. |
| d [мм] |
D [мм] |
B [мм] |
C [kN] |
C0 [kN] |
[r/мин] |
[r/мин] |
[кг] |
| 40 |
80 |
18 |
31.05 |
21.6 |
9000 |
9000 |
0.42 |
7208 BEP Подшипник |
| 40 |
80 |
18 |
32.85 |
23.4 |
9000 |
9900 |
0.37 |
7208 BECBJ Подшипник |
| 40 |
80 |
18 |
32.85 |
23.4 |
9000 |
9900 |
0.37 |
7208 BECBP Подшипник |
| 40 |
80 |
18 |
32.85 |
23.4 |
9000 |
9900 |
0.37 |
7208 BECBPH Подшипник |
| 40 |
80 |
18 |
32.85 |
23.4 |
9000 |
9900 |
0.37 |
7208 BEGAP Подшипник |
| 40 |
80 |
18 |
32.85 |
23.4 |
9000 |
11700 |
0.37 |
7208 BECBM Подшипник |
| 40 |
80 |
18 |
32.85 |
23.4 |
9900 |
9900 |
0.37 |
7208 BECBY Подшипник |
| 40 |
80 |
18 |
32.85 |
23.4 |
9900 |
9900 |
0.37 |
7208 BEGAY Подшипник |
| 40 |
80 |
18 |
32.85 |
23.4 |
9900 |
9900 |
0.37 |
7208 BEGBY Подшипник |
| 40 |
80 |
18 |
37.35 |
26.1 |
9900 |
14400 |
0.37 |
7208 ACCBM Подшипник |
| 40 |
90 |
23 |
41.58 |
27.45 |
8550 |
6750 |
0.62 |
7308 BE-2RZP Подшипник |
| 40 |
90 |
23 |
41.58 |
27.45 |
8550 |
8100 |
0.62 |
7308 BEP Подшипник |
| 40 |
90 |
23 |
45 |
29.25 |
8550 |
9000 |
0.62 |
7308 BECAP Подшипник |
| 40 |
90 |
23 |
45 |
29.25 |
8550 |
9000 |
0.62 |
7308 BECBJ Подшипник |
| 40 |
90 |
23 |
45 |
29.25 |
8550 |
9000 |
0.62 |
7308 BECBP Подшипник |
| 40 |
90 |
23 |
45 |
29.25 |
8550 |
9000 |
0.62 |
7308 BEGAP Подшипник |
| 40 |
90 |
23 |
45 |
29.25 |
8550 |
9000 |
0.62 |
7308 BEGAPH Подшипник |
| 40 |
90 |
23 |
45 |
29.25 |
8550 |
9000 |
0.62 |
7308 BEGBP Подшипник |
| 40 |
90 |
23 |
45 |
29.25 |
8550 |
10800 |
0.62 |
7308 BECBM Подшипник |
| 40 |
90 |
23 |
45 |
29.25 |
8550 |
10800 |
0.62 |
7308 BEGAM Подшипник |
| 40 |
90 |
23 |
45 |
29.25 |
8550 |
10800 |
0.62 |
7308 BEGBM Подшипник |
| 40 |
90 |
23 |
45 |
29.25 |
9000 |
9000 |
0.62 |
7308 BECBY Подшипник |
| 40 |
90 |
23 |
45 |
29.25 |
9000 |
9000 |
0.62 |
7308 BEGBY Подшипник |
| 40 |
90 |
23 |
50.4 |
32.4 |
9000 |
13500 |
0.62 |
7308 ACCBM Подшипник |
| 40 |
110 |
27 |
63.18 |
40.5 |
7200 |
9900 |
1.4 |
7408 BCBM Подшипник |
| 40 |
110 |
27 |
63.18 |
40.5 |
7200 |
9900 |
1.4 |
7408 BGBM Подшипник |
| 40 |
110 |
27 |
63.18 |
40.5 |
7200 |
9900 |
1.4 |
7408 BM Подшипник |
| 45 |
85 |
19 |
32.22 |
23.4 |
8550 |
6750 |
0.52 |
7209 BE-2RZP Подшипник |
| 45 |
85 |
19 |
32.22 |
23.4 |
8550 |
8100 |
0.52 |
7209 BEP Подшипник |
| 45 |
85 |
19 |
34.2 |
25.65 |
8550 |
9000 |
0.52 |
7209 BECBJ Подшипник |
| Основные размеры |
Базовая грузоподъемность |
Рейтинги скорости |
Масса |
Модель |
| динамичный |
статический |
Эталонная скорость |
Ограничение скорости |
Номер подшипника. |
| d [мм] |
D [мм] |
B [мм] |
C [kN] |
C0 [kN] |
[r/мин] |
[r/мин] |
[кг] |
| 45 |
85 |
19 |
34.2 |
25.65 |
8550 |
9000 |
0.52 |
7209 BECBP Подшипник |
| 45 |
85 |
19 |
34.2 |
25.65 |
8550 |
9000 |
0.42 |
7209 BEGAP Подшипник |
| 45 |
85 |
19 |
34.2 |
25.65 |
8550 |
9000 |
0.42 |
7209 BEGAPH Подшипник |
| 45 |
85 |
19 |
34.2 |
25.65 |
8550 |
10800 |
0.42 |
7209 BECBM Подшипник |
| 45 |
85 |
19 |
34.2 |
25.65 |
9000 |
9000 |
0.42 |
7209 BECBY Подшипник |
| 45 |
85 |
19 |
34.2 |
25.65 |
9000 |
9000 |
0.42 |
7209 BEGAY Подшипник |
| 45 |
85 |
19 |
34.2 |
25.65 |
9000 |
9000 |
0.42 |
7209 BEGBY Подшипник |
| 45 |
85 |
19 |
39.6 |
28.8 |
9000 |
13500 |
0.42 |
7209 ACCBM Подшипник |
| 45 |
100 |
25 |
50.31 |
33.75 |
7650 |
6030 |
0.85 |
7309 BE-2RZP Подшипник |
| 45 |
100 |
25 |
50.31 |
33.75 |
7650 |
7200 |
0.85 |
7309 BEP Подшипник |
| 45 |
100 |
25 |
54.9 |
36.45 |
7650 |
8100 |
0.85 |
7309 BECAP Подшипник |
| 45 |
100 |
25 |
54.9 |
36.45 |
7650 |
8100 |
0.85 |
7309 BECBJ Подшипник |
| 45 |
100 |
25 |
54.9 |
36.45 |
7650 |
8100 |
0.85 |
7309 BECBP Подшипник |
| 45 |
100 |
25 |
54.9 |
36.45 |
7650 |
8100 |
0.85 |
7309 BEGAM Подшипник |
| 45 |
100 |
25 |
54.9 |
36.45 |
7650 |
8100 |
0.85 |
7309 BEGAP Подшипник |
| 45 |
100 |
25 |
54.9 |
36.45 |
7650 |
8100 |
0.85 |
7309 BEGAPH Подшипник |
| 45 |
100 |
25 |
54.9 |
36.45 |
7650 |
8100 |
0.85 |
7309 BEGBP Подшипник |
| 45 |
100 |
25 |
54.9 |
36.45 |
7650 |
9900 |
0.85 |
7309 BECBM Подшипник |
| 45 |
100 |
25 |
54.9 |
36.45 |
8100 |
8100 |
0.85 |
7309 BECBY Подшипник |
| 45 |
100 |
25 |
54.9 |
36.45 |
8100 |
8100 |
0.85 |
7309 BEGBY Подшипник |
| 45 |
100 |
25 |
61.2 |
40.95 |
8100 |
11700 |
0.85 |
7309 ACCBM Подшипник |
| 45 |
120 |
29 |
76.68 |
49.5 |
6750 |
6750 |
1.55 |
7409 BCBM Подшипник |
| 45 |
120 |
29 |
76.68 |
49.5 |
6750 |
6750 |
1.55 |
7409 BGBM Подшипник |
| 45 |
120 |
29 |
76.68 |
49.5 |
6750 |
6750 |
1.55 |
7409 BGM Подшипник |
| 50 |
90 |
20 |
33.93 |
25.65 |
8100 |
6300 |
0.55 |
7210 BE-2RZP Подшипник |
| 50 |
90 |
20 |
33.93 |
25.65 |
8100 |
7650 |
0.55 |
7210 BEP Подшипник |
| 50 |
90 |
20 |
36 |
27.9 |
8100 |
8100 |
0.55 |
7210 BECBJ Подшипник |
| 50 |
90 |
20 |
36 |
27.9 |
8100 |
8100 |
0.55 |
7210 BECBP Подшипник |
| 50 |
90 |
20 |
36 |
27.9 |
8100 |
8100 |
0.55 |
7210 BECBPH Подшипник |
| 50 |
90 |
20 |
36 |
27.9 |
8100 |
8100 |
0.55 |
7210 BECBY Подшипник |
| Основные размеры |
Базовая грузоподъемность |
Рейтинги скорости |
Масса |
Модель |
| динамичный |
статический |
Эталонная скорость |
Ограничение скорости |
Номер подшипника. |
| d [мм] |
D [мм] |
B [мм] |
C [kN] |
C0 [kN] |
[r/мин] |
[r/мин] |
[кг] |
| 45 |
85 |
19 |
34.2 |
25.65 |
8550 |
9000 |
0.52 |
7209 BECBP Подшипник |
| 45 |
85 |
19 |
34.2 |
25.65 |
8550 |
9000 |
0.42 |
7209 BEGAP Подшипник |
| 45 |
85 |
19 |
34.2 |
25.65 |
8550 |
9000 |
0.42 |
7209 BEGAPH Подшипник |
| 45 |
85 |
19 |
34.2 |
25.65 |
8550 |
10800 |
0.42 |
7209 BECBM Подшипник |
| 45 |
85 |
19 |
34.2 |
25.65 |
9000 |
9000 |
0.42 |
7209 BECBY Подшипник |
| 45 |
85 |
19 |
34.2 |
25.65 |
9000 |
9000 |
0.42 |
7209 BEGAY Подшипник |
| 45 |
85 |
19 |
34.2 |
25.65 |
9000 |
9000 |
0.42 |
7209 BEGBY Подшипник |
| 45 |
85 |
19 |
39.6 |
28.8 |
9000 |
13500 |
0.42 |
7209 ACCBM Подшипник |
| 45 |
100 |
25 |
50.31 |
33.75 |
7650 |
6030 |
0.85 |
7309 BE-2RZP Подшипник |
| 45 |
100 |
25 |
50.31 |
33.75 |
7650 |
7200 |
0.85 |
7309 BEP Подшипник |
| 45 |
100 |
25 |
54.9 |
36.45 |
7650 |
8100 |
0.85 |
7309 BECAP Подшипник |
| 45 |
100 |
25 |
54.9 |
36.45 |
7650 |
8100 |
0.85 |
7309 BECBJ Подшипник |
| 45 |
100 |
25 |
54.9 |
36.45 |
7650 |
8100 |
0.85 |
7309 BECBP Подшипник |
| 45 |
100 |
25 |
54.9 |
36.45 |
7650 |
8100 |
0.85 |
7309 BEGAM Подшипник |
| 45 |
100 |
25 |
54.9 |
36.45 |
7650 |
8100 |
0.85 |
7309 BEGAP Подшипник |
| 45 |
100 |
25 |
54.9 |
36.45 |
7650 |
8100 |
0.85 |
7309 BEGAPH Подшипник |
| 45 |
100 |
25 |
54.9 |
36.45 |
7650 |
8100 |
0.85 |
7309 BEGBP Подшипник |
| 45 |
100 |
25 |
54.9 |
36.45 |
7650 |
9900 |
0.85 |
7309 BECBM Подшипник |
| 45 |
100 |
25 |
54.9 |
36.45 |
8100 |
8100 |
0.85 |
7309 BECBY Подшипник |
| 45 |
100 |
25 |
54.9 |
36.45 |
8100 |
8100 |
0.85 |
7309 BEGBY Подшипник |
| 45 |
100 |
25 |
61.2 |
40.95 |
8100 |
11700 |
0.85 |
7309 ACCBM Подшипник |
| 45 |
120 |
29 |
76.68 |
49.5 |
6750 |
6750 |
1.55 |
7409 BCBM Подшипник |
| 45 |
120 |
29 |
76.68 |
49.5 |
6750 |
6750 |
1.55 |
7409 BGBM Подшипник |
| 45 |
120 |
29 |
76.68 |
49.5 |
6750 |
6750 |
1.55 |
7409 BGM Подшипник |
| 50 |
90 |
20 |
33.93 |
25.65 |
8100 |
6300 |
0.55 |
7210 BE-2RZP Подшипник |
| 50 |
90 |
20 |
33.93 |
25.65 |
8100 |
7650 |
0.55 |
7210 BEP Подшипник |
| 50 |
90 |
20 |
36 |
27.9 |
8100 |
8100 |
0.55 |
7210 BECBJ Подшипник |
| 50 |
90 |
20 |
36 |
27.9 |
8100 |
8100 |
0.55 |
7210 BECBP Подшипник |
| 50 |
90 |
20 |
36 |
27.9 |
8100 |
8100 |
0.55 |
7210 BECBPH Подшипник |
| 50 |
90 |
20 |
36 |
27.9 |
8100 |
8100 |
0.55 |
7210 BECBY Подшипник |
| Основные размеры |
Базовая грузоподъемность |
Рейтинги скорости |
Масса |
Модель |
| динамичный |
статический |
Эталонная скорость |
Ограничение скорости |
Номер подшипника. |
| d [мм] |
D [мм] |
B [мм] |
C [kN] |
C0 [kN] |
[r/мин] |
[r/мин] |
[кг] |
| 55 |
100 |
21 |
44.1 |
36 |
7200 |
9000 |
0.62 |
7211 BECBM Подшипник |
| 55 |
100 |
21 |
51.3 |
40.5 |
7650 |
10800 |
0.62 |
7211 ACCBM Подшипник |
| 55 |
120 |
29 |
71.37 |
49.5 |
6300 |
6030 |
1.4 |
7311 BEP Подшипник |
| 55 |
120 |
29 |
76.5 |
54 |
6300 |
6300 |
1.4 |
7311 BECBJ Подшипник |
| 55 |
120 |
29 |
76.5 |
54 |
6300 |
6300 |
1.4 |
7311 BECBP Подшипник |
| 55 |
120 |
29 |
76.5 |
54 |
6300 |
6300 |
1.4 |
7311 BECBPH Подшипник |
| 55 |
120 |
29 |
76.5 |
54 |
6300 |
6300 |
1.4 |
7311 BEGAP Подшипник |
| 55 |
120 |
29 |
76.5 |
54 |
6300 |
6300 |
1.4 |
7311 BEGAY Подшипник |
| 55 |
120 |
29 |
76.5 |
54 |
6300 |
6300 |
1.4 |
7311 BEGBP Подшипник |
| 55 |
120 |
29 |
76.5 |
54 |
6300 |
6300 |
1.4 |
7311 BEGBY Подшипник |
| 55 |
120 |
29 |
76.5 |
54 |
6300 |
8100 |
1.4 |
7311 BECBM Подшипник |
| 55 |
120 |
29 |
76.5 |
54 |
6300 |
8100 |
1.4 |
7311 BECCM Подшипник |
| 55 |
120 |
29 |
76.5 |
54 |
6300 |
8100 |
1.4 |
7311 BEGAM Подшипник |
| 55 |
120 |
29 |
76.5 |
54 |
6300 |
8100 |
1.4 |
7311 BEGBM Подшипник |
| 55 |
120 |
29 |
81 |
58.95 |
6300 |
6300 |
1.4 |
7311 BECBY Подшипник |
| 55 |
120 |
29 |
86.85 |
60.3 |
6750 |
9900 |
1.4 |
7311 ACCBM Подшипник |
| 55 |
140 |
33 |
99.9 |
68.85 |
5670 |
7200 |
2.75 |
7411 BCBM Подшипник |
| 55 |
140 |
33 |
99.9 |
68.85 |
5670 |
7200 |
2.75 |
7411 BGAM Подшипник |
| 55 |
140 |
33 |
99.9 |
68.85 |
5670 |
7200 |
2.75 |
7411 BGBM Подшипник |
| 55 |
140 |
33 |
99.9 |
68.85 |
5670 |
7200 |
2.75 |
7411 BGM Подшипник |
| 55 |
140 |
33 |
99.9 |
68.85 |
5670 |
7200 |
2.75 |
7411 BM Подшипник |
| 60 |
110 |
22 |
51.48 |
40.95 |
6300 |
6300 |
0.8 |
7212 BEP Подшипник |
| 60 |
110 |
22 |
54.9 |
45 |
6300 |
6750 |
0.8 |
7212 BECBJ Подшипник |
| 60 |
110 |
22 |
54.9 |
45 |
6300 |
6750 |
0.8 |
7212 BECBP Подшипник |
| 60 |
110 |
22 |
54.9 |
45 |
6300 |
6750 |
0.8 |
7212 BECBPH Подшипник |
| 60 |
110 |
22 |
54.9 |
45 |
6300 |
6750 |
0.8 |
7212 BECBY Подшипник |
| 60 |
110 |
22 |
54.9 |
45 |
6300 |
6750 |
0.8 |
7212 BEGAP Подшипник |
| 60 |
110 |
22 |
54.9 |
45 |
6300 |
6750 |
0.8 |
7212 BEGBP Подшипник |
| 60 |
110 |
22 |
54.9 |
45 |
6300 |
8550 |
0.8 |
7212 BECBM Подшипник |
| 60 |
110 |
22 |
54.9 |
45 |
6300 |
8550 |
0.8 |
7212 BEGAM Подшипник |
| Основные размеры |
Базовая грузоподъемность |
Рейтинги скорости |
Масса |
Модель |
| динамичный |
статический |
Эталонная скорость |
Ограничение скорости |
Номер подшипника. |
| d [мм] |
D [мм] |
B [мм] |
C [kN] |
C0 [kN] |
[r/мин] |
[r/мин] |
[кг] |
| 60 |
110 |
22 |
62.55 |
50.4 |
7200 |
9900 |
0.8 |
7212 ACCBM Подшипник |
| 60 |
130 |
31 |
86.04 |
62.55 |
5670 |
5400 |
1.75 |
7312 BEP Подшипник |
| 60 |
130 |
31 |
93.6 |
68.85 |
5670 |
6030 |
1.75 |
7312 BECAP Подшипник |
| 60 |
130 |
31 |
93.6 |
68.85 |
5670 |
6030 |
1.75 |
7312 BECBJ Подшипник |
| 60 |
130 |
31 |
93.6 |
68.85 |
5670 |
6030 |
1.75 |
7312 BECBP Подшипник |
| 60 |
130 |
31 |
93.6 |
68.85 |
5670 |
6030 |
1.75 |
7312 BECBPH Подшипник |
| 60 |
130 |
31 |
93.6 |
68.85 |
5670 |
6030 |
1.75 |
7312 BECBY Подшипник |
| 60 |
130 |
31 |
93.6 |
68.85 |
5670 |
6030 |
1.75 |
7312 BEGAP Подшипник |
| 60 |
130 |
31 |
93.6 |
68.85 |
5670 |
6030 |
1.75 |
7312 BEGAY Подшипник |
| 60 |
130 |
31 |
93.6 |
68.85 |
5670 |
6030 |
1.75 |
7312 BEGBP Подшипник |
| 60 |
130 |
31 |
93.6 |
68.85 |
5670 |
6030 |
1.75 |
7312 BEGBY Подшипник |
| 60 |
130 |
31 |
93.6 |
68.85 |
5670 |
7650 |
1.75 |
7312 BECBM Подшипник |
| 60 |
130 |
31 |
93.6 |
68.85 |
5670 |
7650 |
1.75 |
7312 BECCM Подшипник |
| 60 |
130 |
31 |
93.6 |
68.85 |
5670 |
7650 |
1.75 |
7312 BEGAM Подшипник |
| 60 |
130 |
31 |
93.6 |
68.85 |
5670 |
7650 |
1.75 |
7312 BEGBM Подшипник |
| 60 |
130 |
31 |
104.4 |
76.5 |
6300 |
9000 |
1.75 |
7312 ACCBM Подшипник |
| 60 |
150 |
35 |
107.1 |
77.85 |
5040 |
6750 |
3.3 |
7412 BCBM Подшипник |
| 60 |
150 |
35 |
107.1 |
77.85 |
5040 |
6750 |
3.3 |
7412 BGAM Подшипник |
| 60 |
150 |
35 |
107.1 |
77.85 |
5040 |
6750 |
3.3 |
7412 BGBM Подшипник |
| 60 |
150 |
35 |
107.1 |
77.85 |
5040 |
6750 |
3.3 |
7412 BM Подшипник |
| 65 |
120 |
23 |
59.67 |
48.6 |
6030 |
5670 |
1 |
7213 BEGAF Подшипник |
| 65 |
120 |
23 |
59.67 |
48.6 |
6030 |
5670 |
1 |
7213 BEP Подшипник |
| 65 |
120 |
23 |
62.55 |
51.3 |
6030 |
6030 |
1 |
7213 BECBJ Подшипник |
| 65 |
120 |
23 |
62.55 |
51.3 |
6030 |
6030 |
1 |
7213 BECBP Подшипник |
| 65 |
120 |
23 |
62.55 |
51.3 |
6030 |
6030 |
1 |
7213 BECBY Подшипник |
| 65 |
120 |
23 |
62.55 |
51.3 |
6030 |
6030 |
1 |
7213 BEGAP Подшипник |
| 65 |
120 |
23 |
62.55 |
51.3 |
6030 |
6030 |
1 |
7213 BEGAPH Подшипник |
| 65 |
120 |
23 |
62.55 |
51.3 |
6030 |
7650 |
1 |
7213 BECBM Подшипник |
| 65 |
120 |
23 |
73.35 |
58.95 |
6300 |
9000 |
1 |
7213 ACCBM Подшипник |
| 65 |
140 |
33 |
97.2 |
72 |
5400 |
5040 |
2.15 |
7313 BECBF Подшипник |
| Основные размеры |
Базовая грузоподъемность |
Рейтинги скорости |
Масса |
Модель |
| динамичный |
статический |
Эталонная скорость |
Ограничение скорости |
Номер подшипника. |
| d [мм] |
D [мм] |
B [мм] |
C [kN] |
C0 [kN] |
[r/мин] |
[r/мин] |
[кг] |
| 65 |
140 |
33 |
97.2 |
72 |
5400 |
5040 |
2.15 |
7313 BEGAF Подшипник |
| 65 |
140 |
33 |
97.2 |
72 |
5400 |
5040 |
2.15 |
7313 BEP Подшипник |
| 65 |
140 |
33 |
104.4 |
77.85 |
5400 |
5670 |
2.15 |
7313 BECBJ Подшипник |
| 65 |
140 |
33 |
104.4 |
77.85 |
5400 |
5670 |
2.15 |
7313 BECBP Подшипник |
| 65 |
140 |
33 |
104.4 |
77.85 |
5400 |
5670 |
2.15 |
7313 BECBPH Подшипник |
| 65 |
140 |
33 |
104.4 |
77.85 |
5400 |
5670 |
2.15 |
7313 BECBY Подшипник |
| 65 |
140 |
33 |
104.4 |
77.85 |
5400 |
5670 |
2.15 |
7313 BEGAP Подшипник |
| 65 |
140 |
33 |
104.4 |
77.85 |
5400 |
5670 |
2.15 |
7313 BEGBP Подшипник |
| 65 |
140 |
33 |
104.4 |
77.85 |
5400 |
5670 |
2.15 |
7313 BEGBY Подшипник |
| 65 |
140 |
33 |
104.4 |
77.85 |
5400 |
7200 |
2.15 |
7313 BECBM Подшипник |
| 65 |
140 |
33 |
104.4 |
77.85 |
5400 |
7200 |
2.15 |
7313 BECCM Подшипник |
| 65 |
140 |
33 |
104.4 |
77.85 |
5400 |
7200 |
2.15 |
7313 BEGAM Подшипник |
| 65 |
140 |
33 |
104.4 |
77.85 |
5400 |
7200 |
2.15 |
7313 BEGBM Подшипник |
| 65 |
140 |
33 |
118.8 |
86.85 |
5670 |
8550 |
2.15 |
7313 ACCBM Подшипник |
| 65 |
160 |
37 |
117 |
86.85 |
4770 |
4770 |
4 |
7413 BGBM Подшипник |
| 65 |
160 |
37 |
117 |
86.85 |
4770 |
6300 |
4 |
7413 BCBM Подшипник |
| 69.85 |
158.75 |
34.925 |
124.2 |
93.6 |
5400 |
5400 |
3.6 |
AMS 22 ABP Подшипник |
| 70 |
125 |
24 |
60.84 |
50.4 |
5670 |
5400 |
1.1 |
7214 BEGAF Подшипник |
| 70 |
125 |
24 |
60.84 |
50.4 |
5670 |
5400 |
1.1 |
7214 BEP Подшипник |
| 70 |
125 |
24 |
64.8 |
54 |
5670 |
5670 |
1.1 |
7214 BECBJ Подшипник |
| 70 |
125 |
24 |
64.8 |
54 |
5670 |
5670 |
1.1 |
7214 BECBP Подшипник |
| 70 |
125 |
24 |
64.8 |
54 |
5670 |
5670 |
1.1 |
7214 BECBPH Подшипник |
| 70 |
125 |
24 |
64.8 |
54 |
5670 |
5670 |
1.1 |
7214 BECBY Подшипник |
| 70 |
125 |
24 |
64.8 |
54 |
5670 |
5670 |
1.1 |
7214 BEGAP Подшипник |
| 70 |
125 |
24 |
64.8 |
54 |
5670 |
7200 |
1.1 |
7214 BECBM Подшипник |
| 70 |
125 |
24 |
64.8 |
54 |
5670 |
7200 |
1.1 |
7214 BEGAM Подшипник |
| 70 |
125 |
24 |
74.7 |
61.2 |
6030 |
9000 |
1.1 |
7214 ACCBM Подшипник |
| 70 |
150 |
35 |
107.1 |
81 |
5040 |
4770 |
2.65 |
7314 BEGAF Подшипник |
| 70 |
150 |
35 |
107.1 |
81 |
5040 |
4770 |
2.65 |
7314 BEP Подшипник |
| 70 |
150 |
35 |
114.3 |
88.2 |
5040 |
5040 |
2.65 |
7314 BECAP Подшипник |
| Основные размеры |
Базовая грузоподъемность |
Рейтинги скорости |
Масса |
Модель |
| динамичный |
статический |
Эталонная скорость |
Ограничение скорости |
Номер подшипника. |
| d [мм] |
D [мм] |
B [мм] |
C [kN] |
C0 [kN] |
[r/мин] |
[r/мин] |
[кг] |
| 70 |
150 |
35 |
114.3 |
88.2 |
5040 |
5040 |
2.65 |
7314 BECBJ Подшипник |
| 70 |
150 |
35 |
114.3 |
88.2 |
5040 |
5040 |
2.65 |
7314 BECBP Подшипник |
| 70 |
150 |
35 |
114.3 |
88.2 |
5040 |
5040 |
2.65 |
7314 BECBPH Подшипник |
| 70 |
150 |
35 |
114.3 |
88.2 |
5040 |
5040 |
2.65 |
7314 BECBY Подшипник |
| 70 |
150 |
35 |
114.3 |
88.2 |
5040 |
5040 |
2.65 |
7314 BEGAJ Подшипник |
| 70 |
150 |
35 |
114.3 |
88.2 |
5040 |
5040 |
2.65 |
7314 BEGAP Подшипник |
| 70 |
150 |
35 |
114.3 |
88.2 |
5040 |
5040 |
2.65 |
7314 BEGAPH Подшипник |
| 70 |
150 |
35 |
114.3 |
88.2 |
5040 |
5040 |
2.65 |
7314 BEGAY Подшипник |
| 70 |
150 |
35 |
114.3 |
88.2 |
5040 |
5040 |
2.65 |
7314 BEGBY Подшипник |
| 70 |
150 |
35 |
114.3 |
88.2 |
5040 |
6300 |
2.65 |
7314 BECBM Подшипник |
| 70 |
150 |
35 |
114.3 |
88.2 |
5040 |
6300 |
2.65 |
7314 BEGAM Подшипник |
| 70 |
150 |
35 |
128.7 |
99 |
5400 |
7650 |
2.65 |
7314 ACCBM Подшипник |
| 70 |
180 |
42 |
143.1 |
114.3 |
4320 |
5670 |
5.8 |
7414 BCBM Подшипник |
| 70 |
180 |
42 |
143.1 |
114.3 |
4320 |
5670 |
5.8 |
7414 BGAM Подшипник |
| 75 |
130 |
25 |
63.18 |
54 |
5400 |
5040 |
1.2 |
7215 BEP Подшипник |
| 75 |
130 |
25 |
66.15 |
58.95 |
5400 |
5670 |
1.2 |
7215 BECBJ Подшипник |
| 75 |
130 |
25 |
66.15 |
58.95 |
5400 |
5670 |
1.2 |
7215 BECBP Подшипник |
| 75 |
130 |
25 |
66.15 |
58.95 |
5400 |
5670 |
1.2 |
7215 BECBPH Подшипник |
| 75 |
130 |
25 |
66.15 |
58.95 |
5400 |
5670 |
1.2 |
7215 BEGAP Подшипник |
| 75 |
130 |
25 |
66.15 |
58.95 |
5400 |
7200 |
1.2 |
7215 BECBM Подшипник |
| 75 |
130 |
25 |
66.15 |
58.95 |
5670 |
5670 |
1.2 |
7215 BECBY Подшипник |
| 75 |
130 |
25 |
66.15 |
58.95 |
5670 |
5670 |
1.2 |
7215 BEGAM Подшипник |
| 75 |
130 |
25 |
66.15 |
58.95 |
5670 |
5670 |
1.2 |
7215 BEGAY Подшипник |
| 75 |
160 |
37 |
112.5 |
88.2 |
4770 |
4500 |
3.2 |
7315 BEP Подшипник |
| 75 |
160 |
37 |
118.8 |
93.6 |
4770 |
4770 |
3.2 |
7315 BECBJ Подшипник |
| 75 |
160 |
37 |
118.8 |
93.6 |
4770 |
4770 |
3.2 |
7315 BECBP Подшипник |
| 75 |
160 |
37 |
118.8 |
93.6 |
4770 |
4770 |
3.2 |
7315 BECBY Подшипник |
| 75 |
160 |
37 |
118.8 |
93.6 |
4770 |
4770 |
3.2 |
7315 BEGAP Подшипник |
| 75 |
160 |
37 |
118.8 |
93.6 |
4770 |
4770 |
3.2 |
7315 BEGAPH Подшипник |
| 75 |
160 |
37 |
118.8 |
93.6 |
4770 |
6030 |
3.2 |
7315 BECBM Подшипник |
| Основные размеры |
Базовая грузоподъемность |
Рейтинги скорости |
Масса |
Модель |
| динамичный |
статический |
Эталонная скорость |
Ограничение скорости |
Номер подшипника. |
| d [мм] |
D [мм] |
B [мм] |
C [kN] |
C0 [kN] |
[r/мин] |
[r/мин] |
[кг] |
| 75 |
160 |
37 |
118.8 |
93.6 |
4770 |
6030 |
3.2 |
7315 BEGAM Подшипник |
| 75 |
190 |
45 |
151.2 |
126 |
4050 |
5400 |
6.85 |
7415 BCBM Подшипник |
| 75 |
190 |
45 |
151.2 |
126 |
4050 |
5400 |
6.85 |
7415 BGAM Подшипник |
| 75 |
190 |
45 |
151.2 |
126 |
4050 |
5400 |
6.85 |
7415 BGBM Подшипник |
| 76.2 |
177.8 |
39.688 |
146.7 |
123.3 |
4770 |
4500 |
5.21 |
AMS 24 ABP Подшипник |
| 80 |
140 |
26 |
72.54 |
62.55 |
5040 |
4770 |
1.45 |
7216 BEGAF Подшипник |
| 80 |
140 |
26 |
72.54 |
62.55 |
5040 |
4770 |
1.45 |
7216 BEGAP Подшипник |
| 80 |
140 |
26 |
72.54 |
62.55 |
5040 |
4770 |
1.45 |
7216 BEP Подшипник |
| 80 |
140 |
26 |
76.5 |
67.5 |
5040 |
5040 |
1.45 |
7216 BECBJ Подшипник |
| 80 |
140 |
26 |
76.5 |
67.5 |
5040 |
5040 |
1.45 |
7216 BECBP Подшипник |
| 80 |
140 |
26 |
76.5 |
67.5 |
5040 |
5040 |
1.45 |
7216 BECBPH Подшипник |
| 80 |
140 |
26 |
76.5 |
67.5 |
5040 |
5040 |
1.45 |
7216 BECBY Подшипник |
| 80 |
140 |
26 |
76.5 |
67.5 |
5040 |
5040 |
1.45 |
7216 BEGAPH Подшипник |
| 80 |
140 |
26 |
76.5 |
67.5 |
5040 |
6300 |
1.45 |
7216 BECBM Подшипник |
| 80 |
140 |
26 |
76.5 |
67.5 |
5040 |
6300 |
1.45 |
7216 BEGAM Подшипник |
| 80 |
170 |
39 |
121.5 |
99 |
4500 |
4050 |
3.8 |
7316 BEP Подшипник |
| 80 |
170 |
39 |
128.7 |
106.2 |
4500 |
4500 |
3.8 |
7316 BECBJ Подшипник |
| 80 |
170 |
39 |
128.7 |
106.2 |
4500 |
4500 |
3.8 |
7316 BECBP Подшипник |
| 80 |
170 |
39 |
128.7 |
106.2 |
4500 |
4500 |
3.8 |
7316 BECBPH Подшипник |
| 80 |
170 |
39 |
128.7 |
106.2 |
4500 |
4500 |
3.8 |
7316 BECBY Подшипник |
| 80 |
170 |
39 |
128.7 |
106.2 |
4500 |
4500 |
3.8 |
7316 BEGAP Подшипник |
| 80 |
170 |
39 |
128.7 |
106.2 |
4500 |
4500 |
3.8 |
7316 BEGAY Подшипник |
| 80 |
170 |
39 |
128.7 |
106.2 |
4500 |
4500 |
3.8 |
7316 BEGBY Подшипник |
| 80 |
170 |
39 |
128.7 |
106.2 |
4500 |
5670 |
3.8 |
7316 BECBM Подшипник |
| 80 |
170 |
39 |
128.7 |
106.2 |
4500 |
5670 |
3.8 |
7316 BECCM Подшипник |
| 80 |
170 |
39 |
128.7 |
106.2 |
4500 |
5670 |
3.8 |
7316 BEGAM Подшипник |
| 80 |
200 |
48 |
160.2 |
137.7 |
3600 |
3870 |
8.1 |
7416 GAM Подшипник |
| 80 |
200 |
48 |
160.2 |
137.7 |
3600 |
3870 |
8.1 |
7416 M Подшипник |
| 80 |
200 |
48 |
160.2 |
137.7 |
3870 |
3870 |
8.1 |
7416 CBM Подшипник |
| 85 |
150 |
28 |
86.04 |
74.7 |
4770 |
4500 |
1.85 |
7217 BEGAF Подшипник |
| Основные размеры |
Базовая грузоподъемность |
Рейтинги скорости |
Масса |
Модель |
| динамичный |
статический |
Эталонная скорость |
Ограничение скорости |
Номер подшипника. |
| d [мм] |
D [мм] |
B [мм] |
C [kN] |
C0 [kN] |
[r/мин] |
[r/мин] |
[кг] |
| 85 |
150 |
28 |
86.04 |
74.7 |
4770 |
4500 |
1.85 |
7217 BEGAP Подшипник |
| 85 |
150 |
28 |
86.04 |
74.7 |
4770 |
4500 |
1.85 |
7217 BEP Подшипник |
| 85 |
150 |
28 |
91.8 |
81 |
4770 |
4770 |
1.85 |
7217 BECBJ Подшипник |
| 85 |
150 |
28 |
91.8 |
81 |
4770 |
4770 |
1.85 |
7217 BECBP Подшипник |
| 85 |
150 |
28 |
91.8 |
81 |
4770 |
4770 |
1.85 |
7217 BECBY Подшипник |
| 85 |
150 |
28 |
91.8 |
81 |
4770 |
6030 |
1.85 |
7217 BECBM Подшипник |
| 85 |
180 |
41 |
131.4 |
109.8 |
4050 |
3870 |
4.61 |
7317 BECBF Подшипник |
| 85 |
180 |
41 |
131.4 |
109.8 |
4050 |
3870 |
4.61 |
7317 BEGAF Подшипник |
| 85 |
180 |
41 |
131.4 |
109.8 |
4050 |
3870 |
4.61 |
7317 BEP Подшипник |
| 85 |
180 |
41 |
140.4 |
118.8 |
4050 |
4320 |
4.61 |
7317 BECBJ Подшипник |
| 85 |
180 |
41 |
140.4 |
118.8 |
4050 |
4320 |
4.61 |
7317 BECBP Подшипник |
| 85 |
180 |
41 |
140.4 |
118.8 |
4050 |
4320 |
4.61 |
7317 BECBY Подшипник |
| 85 |
180 |
41 |
140.4 |
118.8 |
4050 |
4320 |
4.61 |
7317 BEGAP Подшипник |
| 85 |
180 |
41 |
140.4 |
118.8 |
4050 |
4320 |
4.61 |
7317 BEGAPH Подшипник |
| 85 |
180 |
41 |
140.4 |
118.8 |
4050 |
5400 |
4.61 |
7317 BECBM Подшипник |
| 85 |
180 |
41 |
140.4 |
118.8 |
4050 |
5400 |
4.61 |
7317 BECCM Подшипник |
| 85 |
180 |
41 |
140.4 |
118.8 |
4050 |
5400 |
4.61 |
7317 BEGAM Подшипник |
| 85 |
210 |
52 |
171 |
149.4 |
3600 |
3600 |
9.6 |
7417 BACBMC Подшипник |
| 85 |
210 |
52 |
171 |
149.4 |
3600 |
3600 |
9.6 |
7417 BAGAMC Подшипник |
| 88.9 |
165.1 |
28.575 |
114.3 |
100.8 |
4770 |
4500 |
2.89 |
ALS 28 ABP Подшипник |
| 90 |
160 |
30 |
97.2 |
86.85 |
4500 |
4050 |
2.3 |
7218 BEGAF Подшипник |
| 90 |
160 |
30 |
97.2 |
86.85 |
4500 |
4050 |
2.3 |
7218 BEP Подшипник |
| 90 |
160 |
30 |
97.2 |
86.85 |
4500 |
5670 |
2.3 |
7218 BEGAM Подшипник |
| 90 |
160 |
30 |
104.4 |
93.6 |
4500 |
4500 |
2.3 |
7218 BECBJ Подшипник |
| 90 |
160 |
30 |
104.4 |
93.6 |
4500 |
4500 |
2.3 |
7218 BECBP Подшипник |
| 90 |
160 |
30 |
104.4 |
93.6 |
4500 |
4500 |
2.3 |
7218 BECBY Подшипник |
| 90 |
160 |
30 |
104.4 |
93.6 |
4500 |
4500 |
2.3 |
7218 BECCM Подшипник |
| 90 |
160 |
30 |
104.4 |
93.6 |
4500 |
4500 |
2.3 |
7218 BEGAP Подшипник |
| 90 |
160 |
30 |
104.4 |
93.6 |
4500 |
4500 |
2.3 |
7218 BEGAY Подшипник |
| 90 |
160 |
30 |
104.4 |
93.6 |
4500 |
5670 |
2.3 |
7218 BECBM Подшипник |
| Основные размеры |
Базовая грузоподъемность |
Рейтинги скорости |
Масса |
Модель |
| динамичный |
статический |
Эталонная скорость |
Ограничение скорости |
Номер подшипника. |
| d [мм] |
D [мм] |
B [мм] |
C [kN] |
C0 [kN] |
[r/мин] |
[r/мин] |
[кг] |
| 90 |
190 |
43 |
140.4 |
120.6 |
3870 |
3600 |
5.2 |
7318 BEP Подшипник |
| 90 |
190 |
43 |
149.4 |
131.4 |
3870 |
4050 |
5.2 |
7318 BECBJ Подшипник |
| 90 |
190 |
43 |
149.4 |
131.4 |
3870 |
4050 |
5.2 |
7318 BECBP Подшипник |
| 90 |
190 |
43 |
149.4 |
131.4 |
3870 |
4050 |
5.2 |
7318 BECBY Подшипник |
| 90 |
190 |
43 |
149.4 |
131.4 |
3870 |
4050 |
5.2 |
7318 BEGAP Подшипник |
| 90 |
190 |
43 |
149.4 |
131.4 |
3870 |
4050 |
5.2 |
7318 BEGAPH Подшипник |
| 90 |
190 |
43 |
149.4 |
131.4 |
3870 |
4050 |
5.2 |
7318 BEGAY Подшипник |
| 90 |
190 |
43 |
149.4 |
131.4 |
3870 |
5040 |
5.2 |
7318 BECBM Подшипник |
| 90 |
190 |
43 |
149.4 |
131.4 |
3870 |
5040 |
5.2 |
7318 BEGAM Подшипник |
| 90 |
225 |
54 |
190.8 |
173.7 |
3240 |
3420 |
11.5 |
7418 GAM Подшипник |
| 90 |
225 |
54 |
190.8 |
173.7 |
3420 |
3420 |
11.5 |
7418 CBM Подшипник |
| 95 |
170 |
32 |
111.6 |
97.2 |
4050 |
3870 |
2.7 |
7219 BEP Подшипник |
| 95 |
170 |
32 |
116.1 |
106.2 |
4050 |
4320 |
2.7 |
7219 BECBP Подшипник |
| 95 |
170 |
32 |
116.1 |
106.2 |
4050 |
4320 |
2.7 |
7219 BECBY Подшипник |
| 95 |
170 |
32 |
116.1 |
106.2 |
4050 |
4320 |
2.7 |
7219 BEGAPH Подшипник |
| 95 |
170 |
32 |
116.1 |
106.2 |
4050 |
5400 |
2.7 |
7219 BECBM Подшипник |
| 95 |
170 |
32 |
116.1 |
106.2 |
4050 |
5400 |
2.7 |
7219 BEGAM Подшипник |
| 95 |
200 |
45 |
151.2 |
135 |
3600 |
3420 |
6.05 |
7319 BEGAF Подшипник |
| 95 |
200 |
45 |
151.2 |
135 |
3600 |
3420 |
6.05 |
7319 BEP Подшипник |
| 95 |
200 |
45 |
151.2 |
135 |
3600 |
3600 |
6.05 |
7319 BEM Подшипник |
| 95 |
200 |
45 |
162 |
146.7 |
3600 |
3870 |
6.05 |
7319 BECBP Подшипник |
| 95 |
200 |
45 |
162 |
146.7 |
3600 |
3870 |
6.05 |
7319 BECBY Подшипник |
| 95 |
200 |
45 |
162 |
146.7 |
3600 |
3870 |
6.05 |
7319 BEGAP Подшипник |
| 95 |
200 |
45 |
162 |
146.7 |
3600 |
3870 |
6.05 |
7319 BEGAY Подшипник |
| 95 |
200 |
45 |
162 |
146.7 |
3600 |
3870 |
6.05 |
7319 BEGBY Подшипник |
| 95 |
200 |
45 |
162 |
146.7 |
3600 |
4770 |
6.05 |
7319 BECBM Подшипник |
| 95 |
200 |
45 |
162 |
146.7 |
3600 |
4770 |
6.05 |
7319 BEGAM Подшипник |
| 95 |
250 |
55 |
217.8 |
212.4 |
3060 |
3060 |
13.5 |
7419 CBM Подшипник |
| 95 |
250 |
55 |
217.8 |
212.4 |
3060 |
3060 |
13.5 |
7419 GAM Подшипник |
| 95 |
250 |
55 |
217.8 |
212.4 |
3060 |
3060 |
13.5 |
7419 M Подшипник |
| Основные размеры |
Базовая грузоподъемность |
Рейтинги скорости |
Масса |
Модель |
| динамичный |
статический |
Эталонная скорость |
Ограничение скорости |
Номер подшипника. |
| d [мм] |
D [мм] |
B [мм] |
C [kN] |
C0 [kN] |
[r/мин] |
[r/мин] |
[кг] |
| 100 |
180 |
34 |
121.5 |
109.8 |
4050 |
3600 |
3.3 |
7220 BEP Подшипник |
| 100 |
180 |
34 |
128.7 |
120.6 |
3870 |
5040 |
3.5 |
7220 BECBM Подшипник |
| 100 |
180 |
34 |
128.7 |
120.6 |
3870 |
5040 |
3.5 |
7220 BECCM Подшипник |
| 100 |
180 |
34 |
128.7 |
120.6 |
3870 |
5040 |
3.5 |
7220 BEGAM Подшипник |
| 100 |
180 |
34 |
128.7 |
120.6 |
4050 |
4050 |
3.5 |
7220 BECBP Подшипник |
| 100 |
180 |
34 |
128.7 |
120.6 |
4050 |
4050 |
3.5 |
7220 BECBY Подшипник |
| 100 |
180 |
34 |
128.7 |
120.6 |
4050 |
4050 |
3.5 |
7220 BEGAY Подшипник |
| 100 |
215 |
47 |
182.7 |
171 |
3420 |
3240 |
7.5 |
7320 BEGAF Подшипник |
| 100 |
215 |
47 |
182.7 |
171 |
3420 |
3240 |
7.5 |
7320 BEM Подшипник |
| 100 |
215 |
47 |
182.7 |
171 |
3420 |
3240 |
7.5 |
7320 BEP Подшипник |
| 100 |
215 |
47 |
194.4 |
187.2 |
3420 |
3600 |
7.5 |
7320 BECBP Подшипник |
| 100 |
215 |
47 |
194.4 |
187.2 |
3420 |
3600 |
7.5 |
7320 BECBY Подшипник |
| 100 |
215 |
47 |
194.4 |
187.2 |
3420 |
3600 |
7.5 |
7320 BEGAP Подшипник |
| 100 |
215 |
47 |
194.4 |
187.2 |
3420 |
3600 |
7.5 |
7320 BEGBY Подшипник |
| 100 |
215 |
47 |
194.4 |
187.2 |
3420 |
4500 |
7.5 |
7320 BECBM Подшипник |
| 100 |
215 |
47 |
194.4 |
187.2 |
3420 |
4500 |
7.5 |
7320 BECCM Подшипник |
| 100 |
215 |
47 |
194.4 |
187.2 |
3420 |
4500 |
7.5 |
7320 BEGAM Подшипник |
| 100 |
265 |
60 |
238.5 |
243 |
2880 |
2880 |
15.5 |
7420 CBM Подшипник |
| 101.6 |
184.15 |
31.75 |
143.1 |
128.7 |
4050 |
4050 |
3.15 |
ALS 32 ABP Подшипник |
| 105 |
190 |
36 |
133.2 |
123.3 |
3600 |
3420 |
3.95 |
7221 BEP Подшипник |
| 105 |
190 |
36 |
140.4 |
135 |
3600 |
3870 |
3.95 |
7221 BECBP Подшипник |
| 105 |
190 |
36 |
140.4 |
135 |
3600 |
4770 |
3.95 |
7221 BECBM Подшипник |
| 105 |
225 |
49 |
182.7 |
173.7 |
3240 |
3060 |
8.55 |
7321 BEP Подшипник |
| 105 |
225 |
49 |
194.4 |
187.2 |
3240 |
3420 |
8.55 |
7321 BECBP Подшипник |
| 105 |
225 |
49 |
194.4 |
187.2 |
3240 |
4320 |
8.55 |
7321 BECBM Подшипник |
| 105 |
225 |
49 |
194.4 |
187.2 |
3240 |
4320 |
8.55 |
7321 BEGAM Подшипник |
| 110 |
200 |
38 |
137.7 |
128.7 |
3600 |
3240 |
4.6 |
7222 BEGAF Подшипник |
| 110 |
200 |
38 |
137.7 |
128.7 |
3600 |
3240 |
4.6 |
7222 BEP Подшипник |
| 110 |
200 |
38 |
146.7 |
140.4 |
3600 |
3600 |
4.6 |
7222 BECBP Подшипник |
| 110 |
200 |
38 |
146.7 |
140.4 |
3600 |
3600 |
4.6 |
7222 BECBY Подшипник |
| Основные размеры |
Базовая грузоподъемность |
Рейтинги скорости |
Масса |
Модель |
| динамичный |
статический |
Эталонная скорость |
Ограничение скорости |
Номер подшипника. |
| d [мм] |
D [мм] |
B [мм] |
C [kN] |
C0 [kN] |
[r/мин] |
[r/мин] |
[кг] |
| 110 |
200 |
38 |
146.7 |
140.4 |
3600 |
4500 |
4.6 |
7222 BECBM Подшипник |
| 110 |
200 |
38 |
146.7 |
140.4 |
3600 |
4500 |
4.6 |
7222 BECCM Подшипник |
| 110 |
240 |
50 |
202.5 |
201.6 |
3060 |
2880 |
10 |
7322 BEP Подшипник |
| 110 |
240 |
50 |
202.5 |
201.6 |
3060 |
3060 |
10 |
7322 BEM Подшипник |
| 110 |
240 |
50 |
216 |
220.5 |
3060 |
3240 |
10 |
7322 BECBP Подшипник |
| 110 |
240 |
50 |
216 |
220.5 |
3060 |
3240 |
10 |
7322 BECBY Подшипник |
| 110 |
240 |
50 |
216 |
220.5 |
3060 |
4050 |
10 |
7322 BECBM Подшипник |
| 110 |
240 |
50 |
216 |
220.5 |
3060 |
4050 |
10 |
7322 BECCM Подшипник |
| 110 |
240 |
50 |
216 |
220.5 |
3060 |
4050 |
10 |
7322 BEGAM Подшипник |
| 110 |
240 |
50 |
216 |
220.5 |
3060 |
4050 |
10 |
7322 BEGBM Подшипник |
| 120 |
180 |
28 |
78.39 |
83.7 |
3600 |
3600 |
2.4 |
7024 BGM Подшипник |
| 120 |
215 |
40 |
148.5 |
146.7 |
3240 |
3600 |
5.89 |
7224 BCBM Подшипник |
| 120 |
215 |
40 |
148.5 |
146.7 |
3240 |
3600 |
5.89 |
7224 BGAM Подшипник |
| 120 |
215 |
40 |
148.5 |
146.7 |
3240 |
3600 |
5.89 |
7224 BM Подшипник |
| 120 |
260 |
55 |
214.2 |
225 |
2700 |
3240 |
14.5 |
7324 BCBM Подшипник |
| 120 |
260 |
55 |
214.2 |
225 |
2700 |
3240 |
14.5 |
7324 BGAM Подшипник |
| 120 |
260 |
55 |
214.2 |
225 |
2700 |
3240 |
14.5 |
7324 BGBM Подшипник |
| 127 |
228.6 |
34.925 |
167.4 |
171 |
3240 |
3240 |
6.1 |
ALS 40 ABM Подшипник |
| 130 |
230 |
40 |
167.4 |
173.7 |
3060 |
3060 |
6.95 |
7226 BGAF Подшипник |
| 130 |
230 |
40 |
167.4 |
173.7 |
3060 |
3420 |
6.95 |
7226 BCBM Подшипник |
| 130 |
230 |
40 |
167.4 |
173.7 |
3060 |
3420 |
6.95 |
7226 BGAM Подшипник |
| 130 |
230 |
40 |
167.4 |
173.7 |
3060 |
3420 |
6.95 |
7226 BM Подшипник |
| 130 |
280 |
58 |
248.4 |
274.5 |
2520 |
3060 |
17.1 |
7326 BCBM Подшипник |
| 130 |
280 |
58 |
248.4 |
274.5 |
2520 |
3060 |
17.1 |
7326 BGAM Подшипник |
| 130 |
280 |
58 |
248.4 |
274.5 |
2520 |
3060 |
17.1 |
7326 BM Подшипник |
| 140 |
210 |
33 |
102.6 |
116.1 |
3060 |
3060 |
3.85 |
7028 BGM Подшипник |
| 140 |
250 |
42 |
179.1 |
190.8 |
2700 |
3240 |
8.85 |
7228 BCBM Подшипник |
| 140 |
250 |
42 |
179.1 |
190.8 |
2700 |
3240 |
8.85 |
7228 BGAM Подшипник |
| 140 |
250 |
42 |
179.1 |
190.8 |
2700 |
3240 |
8.85 |
7228 BM Подшипник |
| 140 |
300 |
62 |
271.8 |
310.5 |
2340 |
2700 |
21.5 |
7328 BCBM Подшипник |
| Основные размеры |
Базовая грузоподъемность |
Рейтинги скорости |
Масса |
Модель |
| динамичный |
статический |
Эталонная скорость |
Ограничение скорости |
Номер подшипника. |
| d [мм] |
D [мм] |
B [мм] |
C [kN] |
C0 [kN] |
[r/мин] |
[r/мин] |
[кг] |
| 140 |
300 |
62 |
271.8 |
310.5 |
2340 |
2700 |
21.5 |
7328 BGAM Подшипник |
| 150 |
225 |
35 |
119.7 |
131.4 |
2880 |
2880 |
4.7 |
7030 BGM Подшипник |
| 150 |
270 |
45 |
194.4 |
216 |
2520 |
2880 |
11.5 |
7230 BCBM Подшипник |
| 150 |
270 |
45 |
194.4 |
216 |
2520 |
2880 |
11.5 |
7230 BGAM Подшипник |
| 150 |
320 |
65 |
298.8 |
351 |
2160 |
2520 |
26 |
7330 BCBM Подшипник |
| 150 |
320 |
65 |
298.8 |
351 |
2160 |
2520 |
26 |
7330 BGAM Подшипник |
| 160 |
290 |
48 |
229.5 |
270 |
2520 |
2700 |
14 |
7232 BCBM Подшипник |
| 160 |
290 |
48 |
229.5 |
270 |
2520 |
2700 |
14 |
7232 BGAM Подшипник |
| 160 |
340 |
68 |
322.2 |
396 |
2160 |
2340 |
30.3 |
7332 BCBM Подшипник |
| 170 |
260 |
42 |
154.8 |
183.6 |
1800 |
2520 |
7.65 |
7034 BGM Подшипник |
| 170 |
310 |
52 |
252.9 |
310.5 |
2160 |
2520 |
17.5 |
7234 BCBM Подшипник |
| 170 |
360 |
72 |
351 |
441 |
1980 |
2340 |
36 |
7334 BCBM Подшипник |
| 180 |
280 |
46 |
175.5 |
216 |
2340 |
2340 |
10 |
7036 BGM Подшипник |
| 180 |
320 |
52 |
261.9 |
337.5 |
2160 |
2340 |
18 |
7236 BCAM Подшипник |
| 180 |
320 |
52 |
261.9 |
337.5 |
2160 |
2340 |
18 |
7236 BCBM Подшипник |
| 180 |
380 |
75 |
369 |
486 |
1800 |
2160 |
42 |
7336 BCBM Подшипник |
| 190 |
290 |
46 |
179.1 |
229.5 |
2160 |
2160 |
10.5 |
7038 BGM Подшипник |
| 190 |
340 |
55 |
276.3 |
364.5 |
1980 |
2340 |
22 |
7238 BCBM Подшипник |
| 190 |
400 |
78 |
397.8 |
540 |
1800 |
1980 |
48.5 |
7338 BCBM Подшипник |
| 200 |
310 |
51 |
202.5 |
261 |
1980 |
1980 |
18 |
7040 BGM Подшипник |
| 200 |
360 |
58 |
292.5 |
387 |
1800 |
2160 |
25 |
7240 BCBM Подшипник |
| 200 |
420 |
80 |
415.8 |
589.5 |
1710 |
1980 |
53 |
7340 BCBM Подшипник |
| 220 |
340 |
56 |
229.5 |
319.5 |
1800 |
1800 |
18 |
7044 BGM Подшипник |
| 220 |
400 |
65 |
351 |
504 |
1620 |
1980 |
37 |
7244 BCBM Подшипник |
| 220 |
460 |
88 |
444.6 |
648 |
1440 |
1530 |
70 |
7344 BCBM Подшипник |
| 240 |
360 |
56 |
234 |
337.5 |
1710 |
1710 |
19 |
7048 BGM Подшипник |
| 240 |
440 |
72 |
327.6 |
486 |
1440 |
1530 |
49 |
7248 BCBM Подшипник |
| 240 |
500 |
95 |
503.1 |
720 |
1260 |
1350 |
89.4 |
7348 BCBM Подшипник |
| 260 |
400 |
65 |
298.8 |
459 |
1530 |
1530 |
30 |
7052 BGM Подшипник |
| 260 |
480 |
80 |
456.3 |
702 |
1260 |
1350 |
66 |
7252 BM Подшипник |
| Основные размеры |
Базовая грузоподъемность |
Рейтинги скорости |
Масса |
Модель |
| динамичный |
статический |
Эталонная скорость |
Ограничение скорости |
Номер подшипника. |
| d [мм] |
D [мм] |
B [мм] |
C [kN] |
C0 [kN] |
[r/мин] |
[r/мин] |
[кг] |
| 280 |
420 |
65 |
304.2 |
486 |
1440 |
1440 |
30 |
7056 BGM Подшипник |
| 280 |
500 |
80 |
456.3 |
747 |
1260 |
1260 |
67.5 |
7256 BM Подшипник |
| 300 |
460 |
74 |
339.3 |
567 |
1260 |
1350 |
42.5 |
7060 BGM Подшипник |
| 300 |
460 |
74 |
380.7 |
625.5 |
1350 |
1440 |
42.5 |
7060 AGM Подшипник |
| 300 |
540 |
85 |
497.7 |
837 |
1170 |
1170 |
85 |
7260 BCBM Подшипник |
| 320 |
440 |
56 |
315.9 |
526.5 |
1350 |
1440 |
25.5 |
71964 AC Подшипник |
| 320 |
480 |
74 |
351 |
603 |
1170 |
1260 |
44.5 |
7064 BGM Подшипник |
| 320 |
580 |
92 |
514.8 |
918 |
1080 |
1080 |
110 |
7264 BCBM Подшипник |
| 340 |
460 |
56 |
304.2 |
526.5 |
1350 |
1350 |
24 |
71968 ACMB Подшипник |
| 340 |
520 |
82 |
404.1 |
733.5 |
1080 |
1170 |
59.5 |
7068 BGM Подшипник |
| 360 |
440 |
38 |
210.6 |
382.5 |
1350 |
1350 |
12 |
71872 ACMB Подшипник |
| 360 |
480 |
56 |
271.8 |
495 |
1260 |
1350 |
28.5 |
71972 BM Подшипник |
| 360 |
480 |
56 |
304.2 |
549 |
1260 |
1350 |
28.5 |
71972 AMB Подшипник |
| 360 |
480 |
56 |
315.9 |
567 |
1260 |
1350 |
28.5 |
71972 ACMB Подшипник |
| 360 |
540 |
82 |
415.8 |
765 |
1080 |
1080 |
61.8 |
7072 BGM Подшипник |
| 360 |
540 |
82 |
468 |
855 |
1170 |
0 |
61.8 |
7072 AGM Подшипник |
| 360 |
540 |
82 |
468 |
855 |
1170 |
1170 |
61.8 |
7072 AM Подшипник |
| 380 |
480 |
31 |
171 |
319.5 |
1170 |
1260 |
14.4 |
70876 AMB Подшипник |
| 380 |
480 |
46 |
261.9 |
450 |
1170 |
1260 |
18 |
71876 ACGAMB Подшипник |
| 380 |
520 |
65 |
310.5 |
549 |
1080 |
1080 |
43.5 |
466953 Подшипник |
| 380 |
520 |
65 |
369 |
661.5 |
1170 |
1170 |
40.5 |
71976 ACGAMB Подшипник |
| 380 |
560 |
82 |
421.2 |
765 |
990 |
1080 |
65.5 |
7076 BGM Подшипник |
| 380 |
560 |
82 |
421.2 |
765 |
990 |
1080 |
39 |
7076 BM Подшипник |
| 380 |
560 |
82 |
456.3 |
855 |
1080 |
1170 |
65.5 |
7076 AM Подшипник |
| 400 |
540 |
65 |
362.7 |
661.5 |
1080 |
1080 |
39 |
71980 AM Подшипник |
| 400 |
600 |
90 |
474.3 |
918 |
900 |
990 |
90.5 |
7080 BM Подшипник |
| 400 |
600 |
90 |
544.5 |
1062 |
855 |
1080 |
89.5 |
307238 Подшипник |
| 400 |
600 |
90 |
544.5 |
1062 |
855 |
1080 |
90.5 |
7080 AM Подшипник |
| 400 |
720 |
103 |
655.2 |
1350 |
810 |
855 |
190 |
7280 BM Подшипник |
| 410 |
560 |
70 |
380.7 |
747 |
990 |
990 |
49.5 |
468431 Подшипник |
| Основные размеры |
Базовая грузоподъемность |
Рейтинги скорости |
Масса |
Модель |
| динамичный |
статический |
Эталонная скорость |
Ограничение скорости |
Номер подшипника. |
| d [мм] |
D [мм] |
B [мм] |
C [kN] |
C0 [kN] |
[r/мин] |
[r/мин] |
[кг] |
| 420 |
560 |
65 |
327.6 |
603 |
1080 |
1080 |
44.5 |
71984 BM Подшипник |
| 420 |
560 |
65 |
369 |
688.5 |
1080 |
1080 |
42 |
71984 AGAM Подшипник |
| 420 |
560 |
65 |
369 |
688.5 |
1080 |
|
42 |
71984 AM Подшипник |
| 420 |
620 |
90 |
486 |
954 |
900 |
900 |
88 |
7084 BGM Подшипник |
| 420 |
620 |
90 |
544.5 |
1062 |
990 |
990 |
88 |
7084 AM Подшипник |
| 440 |
600 |
74 |
456.3 |
936 |
990 |
|
61 |
71988 ACMB Подшипник |
| 440 |
650 |
94 |
514.8 |
1062 |
855 |
855 |
100 |
7088 BM Подшипник |
| 440 |
650 |
94 |
585 |
1188 |
900 |
|
100 |
7088 AM Подшипник |
| 460 |
580 |
37 |
238.5 |
504 |
990 |
990 |
24.5 |
70892 AM Подшипник |
| 460 |
580 |
56 |
333.9 |
688.5 |
990 |
990 |
35 |
71892 AGMB Подшипник |
| 460 |
620 |
74 |
456.3 |
936 |
90 |
990 |
58 |
71992 ACM Подшипник |
| 460 |
680 |
100 |
556.2 |
1161 |
810 |
810 |
120 |
7092 BM Подшипник |
| 460 |
680 |
100 |
620.1 |
1314 |
855 |
|
120 |
7092 AM Подшипник |
| 480 |
700 |
100 |
561.6 |
1206 |
765 |
810 |
125 |
7096 BM Подшипник |
| 480 |
700 |
100 |
631.8 |
1377 |
855 |
900 |
125 |
7096 AM Подшипник |
| 500 |
620 |
37 |
248.4 |
558 |
900 |
900 |
26 |
708/500 AMB Подшипник |
| 500 |
620 |
56 |
351 |
765 |
900 |
900 |
38 |
718/500 AGMB Подшипник |
| 500 |
620 |
56 |
351 |
765 |
900 |
900 |
38 |
718/500 AMB Подшипник |
| 500 |
670 |
78 |
497.7 |
1098 |
855 |
900 |
78 |
719/500 AGMB Подшипник |
| 500 |
720 |
100 |
573.3 |
1260 |
720 |
765 |
124 |
70/500 BM Подшипник |
| 500 |
720 |
100 |
643.5 |
1440 |
810 |
855 |
124 |
70/500 AM Подшипник |
| 530 |
650 |
56 |
351 |
810 |
855 |
900 |
39.5 |
718/530 AMB Подшипник |
| 530 |
710 |
82 |
556.2 |
1206 |
765 |
810 |
92 |
719/530 ACM Подшипник |
| 530 |
780 |
112 |
666.9 |
1530 |
675 |
720 |
180 |
70/530 BM Подшипник |
| 530 |
780 |
112 |
748.8 |
1710 |
720 |
765 |
180 |
70/530 AM Подшипник |
| 540 |
630 |
45 |
234 |
540 |
765 |
810 |
21.5 |
BA1B 311585 A Подшипник |
| 560 |
680 |
56 |
357.3 |
837 |
765 |
810 |
41.5 |
718/560 AMB Подшипник |
| 560 |
750 |
85 |
532.8 |
1161 |
720 |
765 |
105 |
719/560 AMB Подшипник |
| 560 |
820 |
115 |
713.7 |
1710 |
630 |
|
203 |
70/560 AMB Подшипник |
| 600 |
730 |
42 |
304.2 |
661.5 |
720 |
765 |
38.5 |
708/600 AGMB Подшипник |
| Основные размеры |
Базовая грузоподъемность |
Рейтинги скорости |
Масса |
Модель |
| динамичный |
статический |
Эталонная скорость |
Ограничение скорости |
Номер подшипника. |
| d [мм] |
D [мм] |
B [мм] |
C [kN] |
C0 [kN] |
[r/мин] |
[r/мин] |
[кг] |
| 600 |
730 |
42 |
304.2 |
661.5 |
720 |
765 |
38.5 |
708/600 AMB Подшипник |
| 600 |
730 |
60 |
404.1 |
990 |
720 |
765 |
52 |
718/600 AMB Подшипник |
| 600 |
800 |
90 |
643.5 |
1557 |
675 |
720 |
125 |
719/600 ACM Подшипник |
| 600 |
870 |
118 |
795.6 |
1944 |
630 |
675 |
236 |
70/600 AGMB Подшипник |
| 630 |
920 |
128 |
860.4 |
2205 |
504 |
630 |
270 |
70/630 AMB Подшипник |
| 670 |
820 |
69 |
474.3 |
1125 |
630 |
675 |
77 |
718/670 AMB Подшипник |
| 670 |
820 |
69 |
497.7 |
1161 |
630 |
675 |
77 |
718/670 ACMB Подшипник |
| 670 |
980 |
136 |
1053 |
2790 |
504 |
|
353 |
70/670 AMB Подшипник |
| 710 |
870 |
74 |
514.8 |
1404 |
567 |
603 |
93.5 |
718/710 AMB Подшипник |
| 710 |
870 |
74 |
544.5 |
1467 |
567 |
|
93.5 |
718/710 ACMB Подшипник |
| 710 |
950 |
106 |
766.8 |
1980 |
540 |
567 |
195 |
719/710 ACMB Подшипник |
| 710 |
1030 |
140 |
1071 |
2925 |
504 |
|
394 |
70/710 AMB Подшипник |
| 750 |
920 |
78 |
556.2 |
1557 |
540 |
567 |
110 |
718/750 AGMB Подшипник |
| 750 |
920 |
78 |
585 |
1620 |
540 |
567 |
110 |
718/750 ACMB Подшипник |
| 750 |
1090 |
150 |
1170 |
3285 |
477 |
504 |
445 |
70/750 AMB Подшипник |
| 762 |
889 |
63.5 |
404.1 |
1143 |
504 |
540 |
58 |
BA1B 311576 Подшипник |
| 800 |
1150 |
155 |
1125 |
3285 |
405 |
|
524 |
70/800 AMB Подшипник |
| 850 |
1030 |
82 |
620.1 |
1674 |
450 |
477 |
140 |
718/850 AMB Подшипник |
| 850 |
1220 |
165 |
1242 |
3735 |
360 |
|
626 |
70/850 AMB Подшипник |
| 900 |
1030 |
63 |
374.4 |
1143 |
405 |
432 |
64 |
BA1B 307788 Подшипник |
| 900 |
1280 |
170 |
1404 |
4410 |
360 |
387 |
665 |
70/900 AMB Подшипник |
| 950 |
1360 |
180 |
1467 |
4680 |
342 |
360 |
]805 |
70/950 AMB Подшипник |
| 1000 |
1220 |
100 |
830.7 |
2475 |
360 |
387 |
243 |
718/1000 AMB Подшипник |
| 1000 |
1420 |
185 |
1467 |
4860 |
324 |
342 |
890 |
70/1000 AMB Подшипник |
| 1060 |
1500 |
195 |
1512 |
5130 |
288 |
306 |
1050 |
70/1060 AMB Подшипник |
| 1120 |
1360 |
106 |
954 |
3375 |
306 |
|
318 |
718/1120 AMB Подшипник |
| 1120 |
1580 |
200 |
1548 |
5265 |
270 |
288 |
1150 |
70/1120 AMB Подшипник |
| 1180 |
1660 |
212 |
1566 |
5580 |
252 |
252 |
1350 |
70/1180 AMB Подшипник |
| 1250 |
1500 |
80 |
725.4 |
2430 |
252 |
270 |
295 |
708/1250 AMB Подшипник |
| 1250 |
1500 |
112 |
1026 |
3510 |
252 |
270 |
390 |
718/1250 AMB Подшипник |
| 1250 |
1750 |
218 |
1791 |
6885 |
216 |
|
1600 |
70/1250 AMB Подшипник |