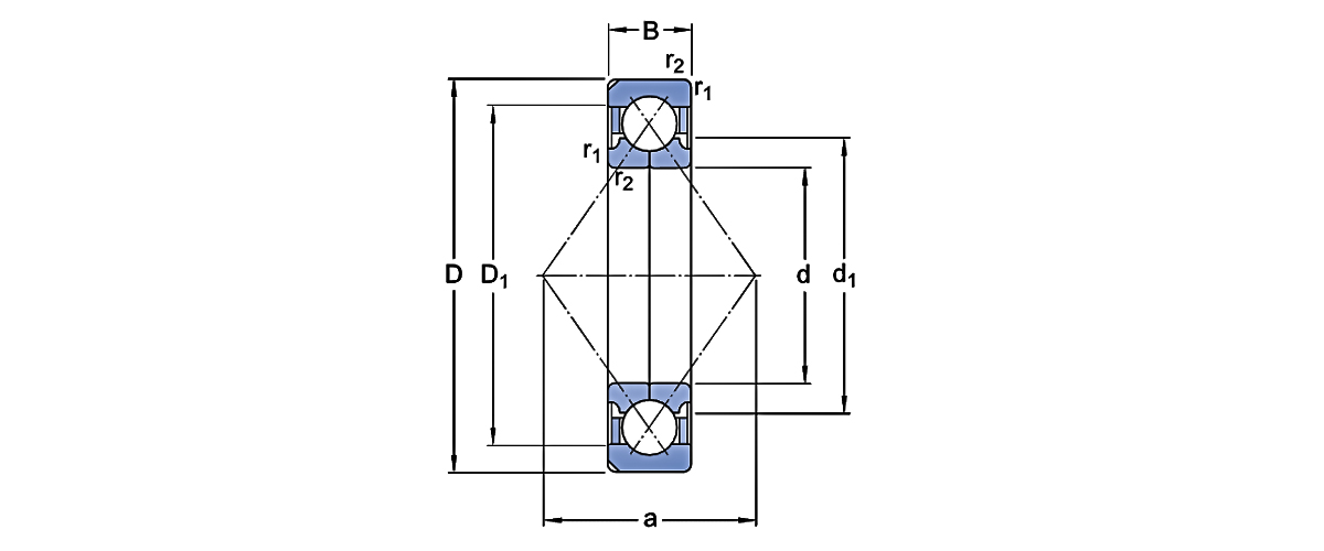
Шарикоподшипники с четырехточечным контактом представляют собой однорядные радиально-упорные подшипники, состоящие из цельного внешнего кольца, разъемного внутреннего кольца и сборки из шариков и сепаратора.
Разъемная конструкция внутреннего кольца позволяет разместить большее количество шариков, что обеспечивает высокую несущую способность. Эти подшипники способны воспринимать двунаправленные осевые нагрузки и ограниченные радиальные силы.
Они требуют меньше осевого пространства, чем двухрядные аналоги. Монтаж может выполняться отдельно: половины внутреннего кольца, а также внешнее кольцо с узлом шариков и сепаратора устанавливаются независимо друг от друга.
Преимущества производительности:
·Поддерживает радиальные и осевые нагрузки в обоих направлениях.
·Может использоваться в коробках передач вместе с коническими шестернями.
·Более компактен, чем аналогичные конструкции, такие как двухрядные радиально-упорные шарикоподшипники.
·Внутренние и наружные кольца могут быть установлены отдельно.
·Доступны индивидуальные конструкции

| Обозначение | Диаметр отверстия | Внешний диаметр | Ширина | Базовая динамическая нагрузка | Ограничение скорости |
| [мм] | [мм] | [мм] | [кН] | [об/мин] | |
| ПЕР.BB203RRR2 | 16.256 | 40 | 18.288 | 14.4 | |
| ПЕР.BB205RRP2-A | 16.03 | 52 | 17.983 | 21.3 | |
| QJ 1064 N2MA/C4 | 320 | 480 | 74 | 715 | 2000 |
| КДЖ 212 | 60 | 110 | 22 | 95.6 | 10000 |
| QJ 213 МА/C2L | 65 | 120 | 23 | 104 | 9500 |
| QJ 216 МА/C2L | 80 | 140 | 26 | 146 | 8000 |
| QJ 222 Н2МА/C4B20 | 110 | 200 | 38 | 280 | 5600 |
| QJ 226 Н2МА | 130 | 230 | 40 | 310 | 4800 |
| QJ 230 Н2МА/С3 | 150 | 270 | 45 | 400 | 4000 |
| QJ 232 Н2МА/С3 | 160 | 290 | 48 | 450 | 3800 |
| QJ 234 Н2МА | 170 | 310 | 52 | 455 | 3400 |
| QJ 308 МА | 40 | 90 | 23 | 78 | 14000 |
| QJ 308 Н2МА | 40 | 90 | 23 | 78 | 14000 |
| QJ 309 МА/C2L | 45 | 100 | 25 | 100 | 12000 |
| QJ 309 МА/C3 | 45 | 100 | 25 | 100 | 12000 |
| QJ 309 Н2МА/C2L | 45 | 100 | 25 | 100 | 12000 |
| QJ 309 ФАС | 45 | 100 | 25 | 100 | 12000 |
| QJ 310 МА | 50 | 110 | 27 | 118 | 11000 |
| QJ 316 Н2МА/C2L | 80 | 170 | 39 | 232 | 7000 |
| QJ 317 Н2МА | 85 | 180 | 41 | 250 | 6700 |
| QJ 319 Н2МА | 95 | 200 | 45 | 305 | 6000 |
| QJ 320 Н2МА | 100 | 215 | 47 | 345 | 5600 |
| QJ 320 Н2МА/C2L | 100 | 215 | 47 | 345 | 5600 |
| QJ 322 Н2МА/C2L | 110 | 240 | 50 | 390 | 4800 |
| QJ 322 Н2МА/С3 | 110 | 240 | 50 | 390 | 4800 |
| QJ 326 Н2МА | 130 | 280 | 58 | 455 | 4000 |
| QJ 330 Н2МА/HA3L4BC3 | 150 | 320 | 65 | 530 | 3600 |
| 305943 | 40 | 80 | 18 | 52.7 | 15000 |
| ПЕР.BB204RRP3-A | 45.225 | ||||
| PER.BB204RRY3-D | 16.053 | 45.225 | 18.669 | 19.6 | |
| ПЕР.BB205RPP13 | 16.129 | 53.086 | 19.43 | 26.2 | |
| ПЕР.BB205RRP2 | 19.202 | 52 | 21.107 | 13.1 | |
| QJ 1017 N2MA/C4B20 | 85 | 130 | 22 | 99.5 | 8000 |
| QJ 1080 Н2МА | 400 | 600 | 90 | 904 | 1500 |
| QJ 1252 МА/C3 | 260 | 480 | 90 | 741 | 2200 |
| QJ 203 Н2МА | 17 | 40 | 12 | 17 | 30000 |
| QJ 205 Н2МА/C2L | 25 | 52 | 15 | 27 | 22000 |
| QJ 206 МА | 30 | 62 | 16 | 37.5 | 19000 |
| QJ 210 МА/C2L | 50 | 90 | 20 | 65.5 | 13000 |
| QJ 211 МА/C3 | 55 | 100 | 21 | 85 | 11000 |
| QJ 211 N2MA/C4H | 55 | 100 | 21 | 85 | 11000 |
| QJ 214 N2MA/C3 | 70 | 125 | 24 | 120 | 9000 |
| QJ 214 N2MA/C4B20 | 70 | 125 | 24 | 120 | 9000 |
| QJ 215 МА | 75 | 130 | 25 | 125 | 8500 |
| QJ 216 МА | 80 | 140 | 26 | 146 | 8000 |
| QJ 216 Н2МА/C4B20 | 80 | 140 | 26 | 146 | 8000 |
| QJ 217 МА | 85 | 150 | 28 | 156 | 7500 |
| QJ 218 Н2МА/С3 | 90 | 160 | 30 | 186 | 7000 |
| QJ 305 МА/C2L | 25 | 62 | 17 | 42.5 | 20000 |
| QJ 306 МА | 30 | 72 | 19 | 53 | 17000 |
| QJ 307 ЛА/П63 | 35 | 80 | 21 | 59.2 | 15000 |
| QJ 311 Н2МА/С3 | 55 | 120 | 29 | 137 | 10000 |
| QJ 312 ФАС | 60 | 130 | 31 | 156 | 9000 |
| QJ 315 Н2МА/C2L | 75 | 160 | 37 | 216 | 7500 |
| QJ 318 Н2МА | 90 | 190 | 43 | 285 | 6300 |
| QJ 322 Н2МА | 110 | 240 | 50 | 390 | 4800 |
| QJ 324 Н2МА | 120 | 260 | 55 | 415 | 4500 |
| QJ 324 Н2МА/C3 | 120 | 260 | 55 | 415 | 4500 |
| QJ 328 Н2МА | 140 | 300 | 62 | 500 | 3800 |
| QJ 328 Н2МА/C3 | 140 | 300 | 62 | 500 | 3800 |
| QJ 336 Н2МА | 180 | 380 | 75 | 680 | 3000 |
| QJ 344 N2/309829 | 220 | 460 | 88 | 904 | 2400 |
| 305943 | 40 | 80 | 18 | 52.7 | 15000 |
| ПЕР.BB204RRP3-A | 45.225 | ||||
| PER.BB204RRY3-D | 16.053 | 45.225 | 18.669 | 19.6 | |
| ПЕР.BB205RPP13 | 16.129 | 53.086 | 19.43 | 26.2 | |
| ПЕР.BB205RRP2 | 19.202 | 52 | 21.107 | 13.1 | |
| QJ 1017 N2MA/C4B20 | 85 | 130 | 22 | 99.5 | 8000 |
| QJ 1080 Н2МА | 400 | 600 | 90 | 904 | 1500 |
| QJ 1252 МА/C3 | 260 | 480 | 90 | 741 | 2200 |
| QJ 203 Н2МА | 17 | 40 | 12 | 17 | 30000 |
| QJ 205 Н2МА/C2L | 25 | 52 | 15 | 27 | 22000 |
| QJ 220 Н2МА/С3 | 100 | 180 | 34 | 236 | 6300 |
| QJ 222 N2MA | 110 | 200 | 38 | 280 | 5600 |
| QJ 236 Н2МА | 180 | 320 | 52 | 475 | 3400 |
| QJ 236 Н2МА/C3 | 180 | 320 | 52 | 475 | 3400 |
| QJ 303 ЛА/П63 | 17 | 47 | 14 | 23.4 | 28000 |
| QJ 304 Н2МА/C2L | 20 | 52 | 15 | 32 | 24000 |
| QJ 305 МА/C2L | 25 | 62 | 17 | 42.5 | 20000 |
| QJ 306 МА | 30 | 72 | 19 | 53 | 17000 |
| QJ 307 ЛА/П63 | 35 | 80 | 21 | 59.2 | 15000 |
| QJ 311 Н2МА/С3 | 55 | 120 | 29 | 137 | 10000 |
| QJ 312 ФАС | 60 | 130 | 31 | 156 | 9000 |
| QJ 315 Н2МА/C2L | 75 | 160 | 37 | 216 | 7500 |
| QJ 318 Н2МА | 90 | 190 | 43 | 285 | 6300 |
| QJ 322 Н2МА | 110 | 240 | 50 | 390 | 4800 |
| QJ 324 Н2МА | 120 | 260 | 55 | 415 | 4500 |
| QJ 324 Н2МА/C3 | 120 | 260 | 55 | 415 | 4500 |
| QJ 328 Н2МА | 140 | 300 | 62 | 500 | 3800 |
| QJ 328 Н2МА/C3 | 140 | 300 | 62 | 500 | 3800 |
| QJ 336 Н2МА | 180 | 380 | 75 | 680 | 3000 |
| QJ 344 N2/309829 | 220 | 460 | 88 | 904 | 2400 |
| 305943 | 40 | 80 | 18 | 52.7 | 15000 |
| ПЕР.BB204RRP3-A | 45.225 | ||||
| PER.BB204RRY3-D | 16.053 | 45.225 | 18.669 | 19.6 | |
| ПЕР.BB205RPP13 | 16.129 | 53.086 | 19.43 | 26.2 | |
| ПЕР.BB205RRP2 | 19.202 | 52 | 21.107 | 13.1 | |
| QJ 1017 N2MA/C4B20 | 85 | 130 | 22 | 99.5 | 8000 |
| QJ 1080 Н2МА | 400 | 600 | 90 | 904 | 1500 |
| QJ 1252 МА/C3 | 260 | 480 | 90 | 741 | 2200 |
| QJ 203 Н2МА | 17 | 40 | 12 | 17 | 30000 |
| QJ 205 Н2МА/C2L | 25 | 52 | 15 | 27 | 22000 |
| QJ 206 МА | 30 | 62 | 16 | 37.5 | 19000 |
| QJ 210 МА/C2L | 50 | 90 | 20 | 65.5 | 13000 |
| QJ 211 МА/C3 | 55 | 100 | 21 | 85 | 11000 |
| QJ 211 N2MA/C4H | 55 | 100 | 21 | 85 | 11000 |
| QJ 214 N2MA/C3 | 70 | 125 | 24 | 120 | 9000 |
| QJ 214 N2MA/C4B20 | 70 | 125 | 24 | 120 | 9000 |
| QJ 215 МА | 75 | 130 | 25 | 125 | 8500 |
| QJ 216 МА | 80 | 140 | 26 | 146 | 8000 |
| QJ 216 Н2МА/C4B20 | 80 | 140 | 26 | 146 | 8000 |
| QJ 217 МА | 85 | 150 | 28 | 156 | 7500 |
| QJ 218 Н2МА/С3 | 90 | 160 | 30 | 186 | 7000 |
| QJ 219 Н2МА | 95 | 170 | 32 | 212 | 6700 |
| QJ 220 Н2МА | 100 | 180 | 34 | 236 | 6300 |
| QJ 226 Н2МА/C3 | 130 | 230 | 40 | 310 | 4800 |
| QJ 228 Н2МА | 140 | 250 | 42 | 345 | 4300 |
| QJ 230 Н2МА/C4B20 | 150 | 270 | 45 | 400 | 4000 |
| QJ 240 Н2МА | 200 | 360 | 58 | 540 | 3000 |
| QJ 240 Н2МА/C3 | 200 | 360 | 58 | 540 | 3000 |
| QJ 311 Н2МА/С3 | 55 | 120 | 29 | 137 | 10000 |
| QJ 312 ФАС | 60 | 130 | 31 | 156 | 9000 |
| QJ 315 Н2МА/C2L | 75 | 160 | 37 | 216 | 7500 |
| QJ 318 Н2МА | 90 | 190 | 43 | 285 | 6300 |
| QJ 322 Н2МА | 110 | 240 | 50 | 390 | 4800 |
| QJ 324 Н2МА | 120 | 260 | 55 | 415 | 4500 |
| QJ 324 Н2МА/C3 | 120 | 260 | 55 | 415 | 4500 |
| QJ 328 Н2МА | 140 | 300 | 62 | 500 | 3800 |
| QJ 328 Н2МА/C3 | 140 | 300 | 62 | 500 | 3800 |
| QJ 336 Н2МА | 180 | 380 | 75 | 680 | 3000 |
| QJ 344 N2/309829 | 220 | 460 | 88 | 904 | 2400 |
| ПЕР.BB204RRP3 | 16.053 | 45.225 | 18.669 | 19.6 | |
| ПЕР.WBB205RPP60-A | 16.129 | 53.086 | 19.43 | 21.3 | |
| ПЕР.WBB205RPP62 | 14.5 | 53.086 | 29.15 | 21.3 | |
| QJ 1244 Н2МА | 220 | 400 | 78 | 592 | 2600 |
| QJ 1248 МА/344524 | 240 | 440 | 85 | 663 | 2400 |
| QJ 1256 Н2МА | 280 | 500 | 90 | 728 | 2000 |
| QJ 1260 Н2МА | 300 | 540 | 98 | 832 | 1900 |
| QJ 203 Н2МА/C2L | 17 | 40 | 12 | 17 | 30000 |
| QJ 206 Н2МА/C2L | 30 | 62 | 16 | 37.5 | 19000 |
| QJ 207 МА/C2LS1 | 35 | 72 | 17 | 46.2 | 17000 |
| QJ 207 Н2МА/C2L | 35 | 72 | 17 | 49 | 17000 |
| QJ 208 МА | 40 | 80 | 18 | 56 | 15000 |
| QJ 208 МА/C2L | 40 | 80 | 18 | 56 | 15000 |
| QJ 210 МА/C3 | 50 | 90 | 20 | 65.5 | 13000 |
| QJ 211 МА | 55 | 100 | 21 | 85 | 11000 |
| КДЖ 212 MA | 60 | 110 | 22 | 96.5 | 10000 |
| КДЖ 212 MA/C2L | 60 | 110 | 22 | 96.5 | 10000 |
| КДЖ 212 MA/C3 | 60 | 110 | 22 | 96.5 | 10000 |
| КДЖ 212 N2MA/C4B20 | 60 | 110 | 22 | 96.5 | 10000 |
| QJ 213 МА/C3 | 65 | 120 | 23 | 110 | 9500 |
| QJ 213 N2MA/C4 | 65 | 120 | 23 | 110 | 9500 |
| QJ 214 МА/C3 | 70 | 125 | 24 | 120 | 9000 |
| QJ 215 МА/C2L | 75 | 130 | 25 | 125 | 8500 |
| QJ 216 N2MA | 80 | 140 | 26 | 146 | 8000 |
| QJ 218 Н2МА | 90 | 160 | 30 | 186 | 7000 |
| QJ 218 Н2МА/C4B20 | 90 | 160 | 30 | 186 | 7000 |
| QJ 219 Н2МА/C4B20 | 95 | 170 | 32 | 212 | 6700 |
| QJ 222 Н2МА/С3 | 110 | 200 | 38 | 280 | 5600 |
| QJ 224 N2MA/C4B20 | 120 | 215 | 40 | 300 | 5000 |
| QJ 226 Н2МА/C4B20 | 130 | 230 | 40 | 310 | 4800 |
| QJ 228 Н2МА/C3 | 140 | 250 | 42 | 345 | 4300 |
| QJ 228 Н2МА/C4B20 | 140 | 250 | 42 | 345 | 4300 |
| QJ 232 Н2МА | 160 | 290 | 48 | 450 | 3800 |
| QJ 238 Н2МА | 190 | 340 | 55 | 510 | 3200 |
| QJ 306 ЛА/П63 | 30 | 72 | 19 | 49.4 | 17000 |
| QJ 307 МА | 35 | 80 | 21 | 64 | 15000 |
| QJ 308 МА/C3 | 40 | 90 | 23 | 78 | 14000 |
| QJ 308 Н2МА/C2L | 40 | 90 | 23 | 78 | 14000 |
| QJ 310 МА/C2L | 50 | 110 | 27 | 118 | 11000 |
| QJ 312 МА | 60 | 130 | 31 | 156 | 9000 |
| QJ 313 МА | 65 | 140 | 33 | 176 | 8500 |
| QJ 314 МА | 70 | 150 | 35 | 200 | 8000 |
| QJ 314 Н2МА/С3 | 70 | 150 | 35 | 200 | 8000 |
| QJ 315 Н2МА | 75 | 160 | 37 | 216 | 7500 |
| QJ 316 Н2МА | 80 | 170 | 39 | 232 | 7000 |
| QJ 318 Н2МА/C4B20 | 90 | 190 | 43 | 285 | 6300 |
| QJ 319 N2PHAS | 95 | 200 | 45 | 305 | 6000 |
| QJ 330 Н2МА/С3 | 150 | 320 | 65 | 530 | 3600 |
| QJ 332 N2MA/L4BC3 | 160 | 340 | 68 | 570 | 3400 |
| QJ 334 Н2МА | 170 | 360 | 72 | 655 | 3200 |
| QJ 336 Н2МА/C3 | 180 | 380 | 75 | 680 | 3000 |
0+
годы
Опыт работы в отрасли
0+
Разнообразие моделей
0+
Количество сотрудников
0
$
Годовая стоимость экспорта
Период проведения: 8–11 июля 2024 г.Место проведения: Екатеринбург, РоссияНомер стенда: IS37Периодичность: ЕжегодноОрганизатор: Министерство промышленности и торговли Российской ФедерацииО выставкеМеж...
Применение подшипников в металлургической промышленностиОбласти применения подшипников в металлургической отрасли охватывают следующие ключевые направления:1.Прокатное оборудованиеПрокатное оборудован...
Двигатель является ядром промышленного оборудования, а подшипник качения — ключевым механическим компонентом, который воспринимает все нагрузки и напряжения, возникающие в процессе его работы. Диагнос...
Из надежных источников корреспонденту стало известно, что государственный план корректировки политики по возмещению экспортных налоговых сборов утвержден и, весьма вероятно, будет опубликован 1 октябр...