Скрещенные конические роликоподшипники (CTRB): высокоточное вращение
Скрещенные конические роликоподшипники (CTRB) — это тип высокоточных подшипников, состоящих из двух комплексов дорожек качения и конических роликов, расположенных крест-накрест под прямым углом друг к другу, дополненных дистанционными блоками и опорными подушками.
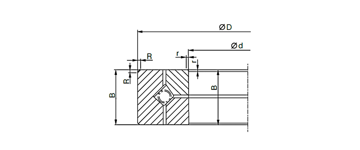
Конструкция с увеличенным углом коносности обеспечивает эффективную длину контакта, в несколько раз превышающую фактическую ширину подшипника. Длинные линии поверхностей качения пересекаются в точке центра вращения, что гарантирует чистое качение без дополнительного трения.
Внутренние конические ролики расположены в чередующейся V-образной конфигурации. Их коническая геометрия точно соответствует углу наклона дорожек качения, что предотвращает концентрацию напряжений и позволяет подшипнику эффективно воспринимать комбинацию осевых, радиальных и моментных (опрокидывающих) нагрузок.
Точность этих подшипников достигает классов P4/P2, а регулируемая конструкция позволяет задавать оптимальный предварительный натяг для повышения жесткости узла. Их предельная скорость вращения выше, чем у скрещенных цилиндрических роликоподшипников, при более низком коэффициенте трения.
Особенности продукта
·Компактная конструкция: Скрещенные конические роликоподшипники состоят из двух наборов дорожек качения и роликов, расположенных крест-накрест под прямым углом. Высота поперечного сечения подшипника идентична однорядным аналогам, что позволяет существенно экономить пространство и материал корпуса.
·Высокая жесткость и эффективная длина контакта: Увеличенный угол конической геометрии обеспечивает общую эффективную длину контакта, в несколько раз превышающую собственную ширину подшипника, что значительно повышает его жесткость.
·Высокая моментная нагрузочная способность: Перекрестное расположение роликов позволяет подшипнику эффективно выдерживать высокие опрокидывающие моменты.
·Высокая точность и низкое трение: Гарантируют высокую точность вращения (до класса P2) и, по сравнению со скрещенными цилиндрическими роликоподшипниками, достигают более высоких предельных скоростей и более низкого коэффициента трения.
Области применения (Приложения)
·Скрещенные конические роликоподшипники подходят для станков, в том числе:
·Вертикально-расточные и шлифовальные столы
·Прецизионные поворотные индексирующие столы для станков
·Большие зубофрезерные станки
· Турели
·Промышленные роботы
· Станки с ЧПУ
·Поворотные столы с ЧПУ
·Вертикальные токарные станки с ЧПУ
·Прецизионные поворотные платформы
·Тестирующие/измерительные приборы
·Прецизионное оборудование

| Основные размеры | Базовая грузоподъемность | Рейтинги скорости | Масса | Модель | ||||
| Динамический | Статический | Эталонная скорость | Ограничение скорости | Номер подшипника. | ||||
| d [мм] | D [мм] | B [мм] | C [kN] | C0 [kN] | [r/мин] | [r/мин] | [кг] | |
| 150 | 230 | 30 | 95.2 | 156 | 1100 | 4.9 | XRT060-NT Подшипник | |
| 160 | 240 | 30 | 96.8 | 162 | 1000 | 5.15 | XRT063-NT Подшипник | |
| 200 | 280 | 30 | 102 | 175 | 900 | 6.7 | XRT079-NT Подшипник | |
| 203.2 | 279.4 | 31.75 | 110 | 188 | 850 | 5.59 | XRT080-NT Подшипник | |
| 203.2 | 279.4 | 31.75 | 110 | 188 | 850 | 5.59 | XRT080-W Подшипник | |
| 240 | 300 | 30 | 88 | 184 | 750 | 5.4 | XRT094-NT Подшипник | |
| 250 | 310 | 25 | 88 | 188 | 700 | 4.5 | XRT098-NT Подшипник | |
| 250 | 350 | 40 | 187 | 355 | 670 | 13 | XRT099-NT Подшипник | |
| 300 | 400 | 36.492 | 183 | 355 | 560 | 12.5 | XRT110-NTL Подшипник | |
| 300 | 400 | 38 | 183 | 355 | 560 | 12.5 | XRT110-NT Подшипник | |
| 300 | 480 | 60 | 258 | 495 | 600 | 38 | XRT110-NF Подшипник | |
| 310 | 425 | 45 | 216 | 427 | 640 | 19.5 | XRT120-NT Подшипник | |
| 330.2 | 457.2 | 63.5 | 264 | 515 | 620 | 32 | XRT130-NT Подшипник | |
| 350 | 470 | 50 | 308 | 635 | 560 | 27 | XRT138-NT Подшипник | |
| 370 | 495 | 50 | 93.6 | 600 | 30 | XRT140-NT Подшипник | ||
| 400 | 480 | 40 | 216 | 497 | 430 | 15 | XRT157-NT Подшипник | |
| 400 | 550 | 60 | 429 | 920 | 400 | 46.5 | XRT158-NT Подшипник | |
| 432.03 | 571.5 | 38.1 | 435 | 910 | 400 | 27.5 | XRT170-W Подшипник | |
| 457.2 | 609.6 | 63.5 | 396 | 856 | 420 | 51 | XRT180-NT Подшипник | |
| 424.95 | 614.924 | 65 | 470 | 960 | 380 | 62 | XRT160-NT Подшипник | |
| 580 | 760 | 80 | 627 | 1380 | 300 | 100 | XRT220-NT Подшипник | |
| 580 | 760 | 800 | 627 | 1380 | 300 | 100 | XRT220-W Подшипник | |
| 600 | 830 | 80 | 680 | 1460 | 300 | 148 | XRT230-NF Подшипник | |
| 685.8 | 914.4 | 79.375 | 693 | 1660 | 260 | 150 | XRT270-N Подшипник | |
| 685.8 | 914.4 | 79.375 | 693 | 1660 | 260 | 150 | XRT270-NT Подшипник | |
| 685.8 | 914.4 | 79.375 | 693 | 1660 | 260 | 150 | XRT270-W Подшипник | |
| 901.7 | 1117.6 | 82.555 | 781 | 2060 | 200 | 185 | XRT350-W Подшипник | |
| 901.7 | 1117.6 | 82.555 | 781 | 2060 | 200 | 185 | XRT350-NT Подшипник | |
| 939.8 | 1117.6 | 82.555 | 920 | 2580 | 200 | 158 | XRT370-N Подшипник | |
| 950 | 1170 | 85 | 968 | 2690 | 215 | 215 | XRT374-NF Подшипник | |
| Основные размеры | Базовая грузоподъемность | Рейтинги скорости | Масса | Модель | ||||
| Динамический | Статический | Эталонная скорость | Ограничение скорости | Номер подшипника. | ||||
| d [мм] | D [мм] | B [мм] | C [kN] | C0 [kN] | [r/мин] | [r/мин] | [кг] | |
| 1028.7 | 1327.15 | 114.3 | 1230 | 3310 | 430 | 430 | XRT400-NT Подшипник | |
| 1028.7 | 1327.15 | 95.25 | 1060 | 3100 | 450 | 358 | XRT400-WT Подшипник | |
| 1028.7 | 1327.15 | 114.3 | 1230 | 3310 | 430 | 430 | XRT400-NF Подшипник | |
| 1270 | 1524 | 95.25 | 1300 | 3830 | 95 | 350 | XRT500-NT Подшипник | |
| 1549.4 | 1828.8 | 101.6 | 1400 | 4510 | 80 | 500 | XRT610-NT Подшипник | |
| 1879.6 | 2197.1 | 101.6 | 1510 | 5240 | 43 | 675 | XRT740-NT Подшипник | |
| 2463.8 | 2819.4 | 114.3 | 2330 | 8740 | 19 | 1130 | XRT1040-NT Подшипник | |
0+
годы
Опыт работы в отрасли
0+
Разнообразие моделей
0+
Количество сотрудников
0
$
Годовая стоимость экспорта
Период проведения: 8–11 июля 2024 г.Место проведения: Екатеринбург, РоссияНомер стенда: IS37Периодичность: ЕжегодноОрганизатор: Министерство промышленности и торговли Российской ФедерацииО выставкеМеж...
Применение подшипников в металлургической промышленностиОбласти применения подшипников в металлургической отрасли охватывают следующие ключевые направления:1.Прокатное оборудованиеПрокатное оборудован...
Двигатель является ядром промышленного оборудования, а подшипник качения — ключевым механическим компонентом, который воспринимает все нагрузки и напряжения, возникающие в процессе его работы. Диагнос...
Из надежных источников корреспонденту стало известно, что государственный план корректировки политики по возмещению экспортных налоговых сборов утвержден и, весьма вероятно, будет опубликован 1 октябр...